Запчасти Case IH 660 (255A[A]) - F89253 AND F91969 HYDRAULIC PUMPS

Схема запчастей Case IH 660 - (255A[A]) - F89253 AND F91969 HYDRAULIC PUMPS
20
5
19
21
8
23
24
1
16
22
14
4
11
17
10
13
9
7
3
6
12
15
2
18
FIT
1:1
100%

Артикул

Название

Примечание

Количество

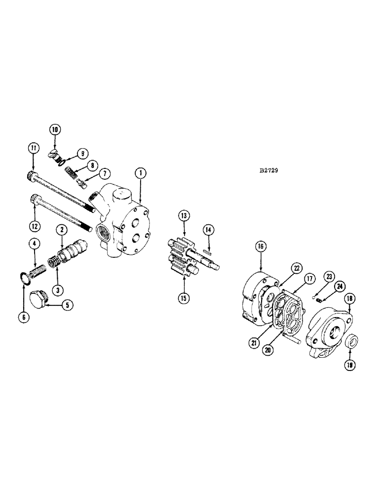
1

NSS

NOT SOLD SEPARAT

PLATE - back

1шт.

2

NSS

NOT SOLD SEPARAT

SPOOL - flow divider

1шт.

3

F22587

SPRING - sleeve

1шт.

4

NSS

NOT SOLD SEPARAT

SPRING - spool

1шт.

5

F22586

PLUG

1шт.

6

A27365

O-RING,0.103" Thk x 0.75" ID, -116, Cl 5, 75 Duro

1шт.

A27410

O-RING,0.487" ID x 0.693" OD x 0.103"

1шт.

7

FH732180

VALVE POPPET

POPPET

1шт.

8

F12862

SPRING

1шт.

9

F12267

WASHER

SHIM

1шт.

10

F22585

PLUG - slotted

1шт.

11

166-37

CAP SCREW - 5/16" x 3-3/4"

1шт.

12

166-35

12 PT SCREW,Flg, 5/16" - 18 x 3 1/4", Gr 8

CAP SCREW - 5/16" x 3-1/4"

3шт.

13

F94059

GEAR - drive, includes shaft (For F91969 pump)

1шт.

F89266

GEAR - drive, includes tapered shaft (For F89253 pump)

1шт.

14

F22590

KEY

- (Used with F1719 sheave for F91969 pump)

1шт.

F23213

KEY

- (Used with F1760 sheave for F89253 pump)

1шт.

15

FHO40683

GEAR

- idler, includes shaft

1шт.

16

F1724

BODY

- pump

1шт.

17

F22589

PIN

- dowel (1-1/2")

2шт.

18

FHO40642

PLATE

- front

1шт.

F94060

KIT

- repair, seal

1шт.

19

NSS

NOT SOLD SEPARAT

SEAL - shaft

1шт.

20

FHO40659

SEAL

- diaphragm

1шт.

21

FHO40618

OIL SEAL

GASKET - backup

1шт.

22

FHO40600

BODY

DIAPHRAGM

1шт.

23

211-6

BALL,7/32" Dia

steel 7/32" Dia

2шт.

24

F9883

SPRING

- steel ball

2шт.

Выбрано товаров: 28