Запчасти Case IH 660 (258[A]) - HEADER LIFT AND VARIABLE SPEED CONTROL LINKAGE

Схема запчастей Case IH 660 - (258[A]) - HEADER LIFT AND VARIABLE SPEED CONTROL LINKAGE
9
2
1
5
11
6
8
12
3
10
7
1a
4
FIT
1:1
100%

Артикул

Название

Примечание

Количество

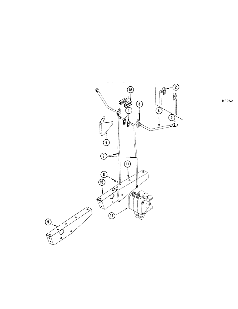
1

F91843

ARM - control lever (Hydrostatic steering) (Replaces F21584 when stocks are exhausted)

2шт.

135-401

PIN - 3/16" x 1-1/8" type 3 groove

2шт.

1a

F21584

ARM - control lever (Hydrostatic steering) (Replaced by F91843 when stocks are exhausted)

2шт.

PIN - type "A" drive lock (135-55)

2шт.

2

F81657

ARM - control levers (Manual steering)

2шт.

PIN - type "A" drive lock (135-54)

2шт.

3

F1466

BEARING - lever

2шт.

SCREW - 1/4" x 3/4" N.C. rhd. mach. (75-412) nut (25-104)

4шт.

4

F21583

CARRIAGE BOLT

LEVER - header lift and variable speed (Hydrostatic steering)

2шт.

F17291

LEVER - header lift and variable speed (Manual steering)

2шт.

5

F5301

KNOB - control levers

2шт.

6

F21582

SUPPORT - control lever

1шт.

BOLT - 5/16" x 3/4" N.C. mach. (75-512) nut (25-105)

2шт.

7

F20914

ROD - valve control (Hydrostatic steering)

2шт.

F20912

ROD - valve control (Manual steering)

2шт.

8

141-4

CLEVIS PIN,3/8" x 1.060"

PIN, CLEVIS, , for F20912 and F20914 rods 3/8" x 1.060"

2шт.

PIN - cotter, 3/32" x 3/4" (132-26)

2шт.

9

F21556

BRACKET - valve mounting, R.H. (Hydrostatic steering) (Before #8334601)

1шт.

F84358

BRACKET - valve mounting, R.H. (Manual steering) (Before #8334601)

1шт.

10

F22319

BRACKET - valve mounting, R.H. front (Hydrostatic steering) (#8334601 thru #8357000)

1шт.

10

F22966

BOLT

BRACKET - valve mounting, R.H. front (Hydrostatic steering) (#8357001 and after)

1шт.

10a

F22964

BOLT

SPACER - (#8357001 and after) (Manual unloading auger and bagger combines)

1шт.

11

F91781

BRACKET - valve mounting, R.H. rear (Manual or hydrostatic steering) (#8334601 thru #8357000)

1шт.

11

F22965

BOLT

BRACKET - valve mounting, R.H. rear (Manual or hydrostatic steering) (#8357001 and after)

1шт.

12

F87262

VALVE

- control (Before #8334601)

1шт.

12

F87181

VALVE

- control (#8334601 and after) with manual folding unloading auger

1шт.

12

F94386

VALVE - control (#8537001 and after) with hydraulic folding unloading auger

1шт.

ADAPTER - (218-456)

2шт.

ADAPTER - (218-1024)

2шт.

Выбрано товаров: 29