Запчасти Case IH 660 (266) - CLUTCH SHAFT AND HOUSING

Схема запчастей Case IH 660 - (266) - CLUTCH SHAFT AND HOUSING
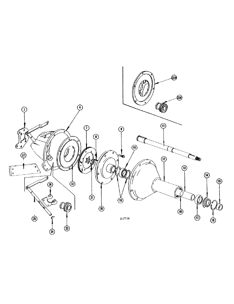
13
26
23a
10
27
9
11
1
24
22
22a
4
19
18
25
23
12
7
15
16
8
20
17
14
21
FIT
1:1
100%

Артикул

Название

Примечание

Количество

1

F18192

SPARE PART GASKET - clutch housing to transmission case

1шт.

4

F1669

SPARE PART HOUSING - clutch

1шт.

BOLT - 1/2" x 1-3/8" N.C. hex, (Grade 7 or 8) (113-416)

9шт.

7

A30291

DRIVE PLATE

PLATE - driving, with facings

1шт.

7

AR44512

REMAN-CLUTCH DISC

Remanufactured, Clutch Disc - 9 in., 10Tooth hub, full face friction matl, N.A. Only

1шт.

7

AC44512

CORE-CLUTCH DISC

Return Number, N.A. Only

1шт.

8

F18126

SPARE PART KEY - for F1498 clutch mounting plate

1шт.

9

F9738

SPARE PART BOLT - clutch mounting plate

6шт.

NUT - 5/16" N.C. hex (Grade 8) (129-512) L.W. (92-5)

6шт.

10

F10265

BALL BEARING

BEARING - inner, input shaft

1шт.

11

F17957

SPARE PART SHAFT - power input

1шт.

12

F1497

SPARE PART COVER - clutch housing

1шт.

BOLT - 3/8" x 1-1/2" N.F. hex (114-212) L.W. (92-5)

8шт.

13

F9761

SPARE PART SPACER - input shaft

1шт.

14

F9759

RETAINER

RETAINER - input shaft bearing

1шт.

15

F18152

SLEEVE

SLEEVE - input shaft bearing retainer

1шт.

16

F9754

RING, SNAP

RING SNAP SNAP RING - retaining outer clutch cover bearing

1шт.

17

F10265

BALL BEARING

BEARING - outer, input shaft

1шт.

18

A30915

O-RING,0.139" Thk x 1.359" ID, -220, Cl 5, 75 Duro

O-RING - for clutch housing cover

1шт.

19

F9755

RING, SNAP

RING SNAP SNAP RING - for F10265 inner bearing

2шт.

20

F1498

LARGE PLATE

PLATE, LARGE PLATE - clutch mounting (Replaced by F1741 when stocks exhausted)

1шт.

F1741

LARGE PLATE

PLATE, LARGE PLATE - clutch mounting (Replaces F1498 when stocks exhausted)

1шт.

21

A27085

RING

SNAP RING - for F1498 plate

1шт.

22

F94024

PLATE

PLATE - pressure drive (#8314921 and after)

1шт.

22a

F82288

PLATE

SPARE PART PLATE - pressure drive (Before #8314921)

1шт.

23

F94064

BEARING CARRIER

BEARING - clutch throwout (#8314921 and after)

1шт.

23a

F82209

BEARING CARRIER

BEARING - clutch throwout (Before #8314921)

1шт.

24

F10139

SPARE PART SNAP RING - for throwout lever

2шт.

25

F82204

LEVER - clutch throwout

1шт.

26

F19660

FORK

YOKE - clutch throwout

1шт.

BOLT - 5/16" x 1-3/8" N.F. hex (Grade 7 or 8) (113-117)

2шт.

27

F17881

BRACKET - clutch housing

1шт.

BOLT - 1/2" x 1-1/2" N.F. hex (14-824) nut 925-118)

4шт.

WASHER - 1/2" flat (95-8)

2шт.

Выбрано товаров: 34