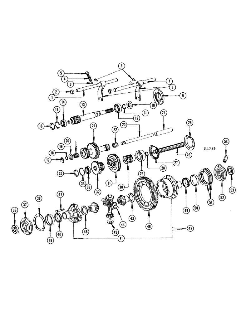
Запчасти Case IH 660 (268) - TRANSMISSION, SHIFTER FORKS AND SHAFT

Схема запчастей Case IH 660 - (268) - TRANSMISSION, SHIFTER FORKS AND SHAFT
51
46
31
42
14
53
23
15
49
19
33
21
40
54
28
48
16
9
47
17
5
26
30
32
7
18
25
37
44
8
45
6
35
24
10
22
38
11
27
1
34
41
39
50
29
36
3
4
13
43
12
52
2
20
FIT
1:1
100%

Артикул

Название

Примечание

Количество

SHIFTER FORKS & SHAFT

1шт.

1

F20460

SHAFT - shifter rail, 1st and reverse

1шт.

2

F9742

OIL SEAL

OIL SEAL - shifter shafts

2шт.

3

211-12

BALL,7/16 Dia

- 7/16" steel for ref. 4 spring

4шт.

4

F18159

SPRING - gear shift lock ball

2шт.

5

F18122

SCREW - plunger, gear shift lock ball

2шт.

LOCKWASHER - 1/2" Shakeproof int. (193-32)

2шт.

6

F20458

X

PIN - lock, shift forks

2шт.

WIRE - lock #16 x 6" (391-614)

2шт.

7

F20456

SHAFT - shifter rail, 2nd and 3rd

1шт.

8

F20457

FORK - shift, 1st and 2nd, 3rd and reverse

1шт.

POWER INPUT DRIVEN SHAFT

1шт.

9

F1597

CAP - bearing, input shaft, L.H. end of case, power driven

1шт.

BOLT - 3/8" x 1-1/4" N.C. hex (13-220) L.W. (92-6), power input driven shaft

4шт.

10

F18133

OIL SEAL

- input shaft, L.H. end of case, power driven

1шт.

11

F18146

SNAP RING - for ref. 12 bearing, power input driven shaft

1шт.

12

39337

BEARING - input shaft, L.H. end, power driven

1шт.

13

F18170

SHAFT - input driven (15T) (Deplete then use F20450), power

1шт.

13

F20450

SHAFT - input driven (15T) (See F18170), power

1шт.

14

F18138

BEARING

- input shaft, R.H. end, power driven

1шт.

15

F18151

SNAP RING - for ref. 14 bearing, power input driven shaft

1шт.

16

F18145

PLUG

- expansion, R.H. end of case, power input driven shaft

1шт.

POWER TRANSFER SLIDING GEAR SHAFT

1шт.

17

F18134

NUT - lock, for countershaft, power transfer sliding gear

1шт.

BOLT - 3/8" X 7/8" N.C. hex (Grade 7 or 8) (113-227), power transfer sliding gear shaft

1шт.

18

A30097

O-RING,0.549" ID x 0.755" OD x 0.103"

- for countershaft, power transfer sliding gear

1шт.

19

F18141

WASHER - cluster gear, power transfer sliding shaft

2шт.

20

F18140

BEARING - for cluster gear, R.H., power transfer sliding shaft

1шт.

21

F18166

GEAR - cluster (26T, 37T and 15T), power transfer sliding shaft

1шт.

22

F18140

BEARING - for cluster gear, L.H., power transfer sliding shaft

1шт.

23

F18163

AIR CLEANER

COUNTERSHAFT - power transfer, sliding gear

1шт.

24

F18143

SPACER

- cluster gear, power transfer sliding shaft

1шт.

25

F18162

CAP - bearing, L.H. end, power transfer sliding gear shaft

1шт.

BOLT - 3/8" x 3/4" N.C. hex (Grade 5) (13-612), power transfer sliding gear shaft

5шт.

F18408

WASHER

- for 13-612 bolt of ref. 25 cap (Not shown), power transfer sliding gear shaft

5шт.

26

F20453

SHAFT - sliding gear (For wheel brakes only), power transfer

1шт.

F20461

SHAFT - sliding gear (For parking brakes only), power transfer

1шт.

27

F18194

GASKET - for ref. 25 cap, power transfer sliding gear shaft

1шт.

28

F19477

SNAP RING - for ref. 29 bearing, power transfer sliding gear shaft

1шт.

29

F21219

BEARING

- sliding gear shaft, L.H. end, power transfer

1шт.

30

F18165

PINION - (15T) differential ring gear, power transfer sliding shaft

1шт.

31

F20455

GEAR - (42T) sliding, 1st and reverse speed, power transfer sliding shaft

1шт.

32

F18168

GEAR - (31T and 20T) sliding, 2nd and 3rd speed, power transfer shaft

1шт.

33

F21220

BEARING - sliding gear shaft, power transfer

1шт.

34

F19475

SNAP RING - for ref. 33 bearing, power transfer sliding gear shaft

1шт.

35

F19476

PLUG - expansion, power transfer sliding gear shaft

1шт.

DIFFERENTIAL

1шт.

36

F18131

OIL SEAL

- for ref. 37 cage

1шт.

37

F1560

CAGE - bearing, R.H.

1шт.

BOLT - 3/8" x 1-1/8" N.C. hex (113-220) L.W. (92-6)

5шт.

38

F18191

GASKET

- for ref. 37 bearing cage

1шт.

39

O2125CS

CUP

- bearing, R.H. end of differential shaft

1шт.

40

O2102CS

CONE

- bearing, R.H. end of differentail shaft

1шт.

41

F82205

DIFFERENTIAL - complete, less ring gear

1шт.

42

F82206

CASE - differential (Includes both halves)

1шт.

43

F18129

WASHER - thrust, R.H. of side gear

1шт.

44

F18160

SPIDER - differential

1шт.

45

F18130

WASHER - thrust, differential pinion

4шт.

46

F18129

WASHER - thrust, L.H. side of gear

1шт.

47

F18125

BOLT - differential case halves

8шт.

LOCKWIRE - (291-627)

1шт.

48

F18169

RING GEAR - (71T) differential

1шт.

RIVET - 3/8" x 1-3/8" pan hd. (151-253)

12шт.

49

O2102CS

CONE

- bearing, L.H. end of differential shaft

1шт.

50

O2125CS

CUP

- bearing, L.H. end of differential shaft

1шт.

51

F18187

SHIM - (.003") for ref. 52 bearing cage

1шт.

51

F18188

SHIM - (.005") for ref. 52 bearing cage

1шт.

51

F18189

SHIM - (.010") for ref. 52 bearing cage

1шт.

52

F1561

CAGE - bearing, L.H.

1шт.

BOLT - 3/8" x 1-1/8" N.C. hex (113-220) L.W. (92-6)

5шт.

53

F18131

OIL SEAL

- for ref. 52 cage

1шт.

54

T25082

BREATHER - final drive housing

2шт.

Выбрано товаров: 72