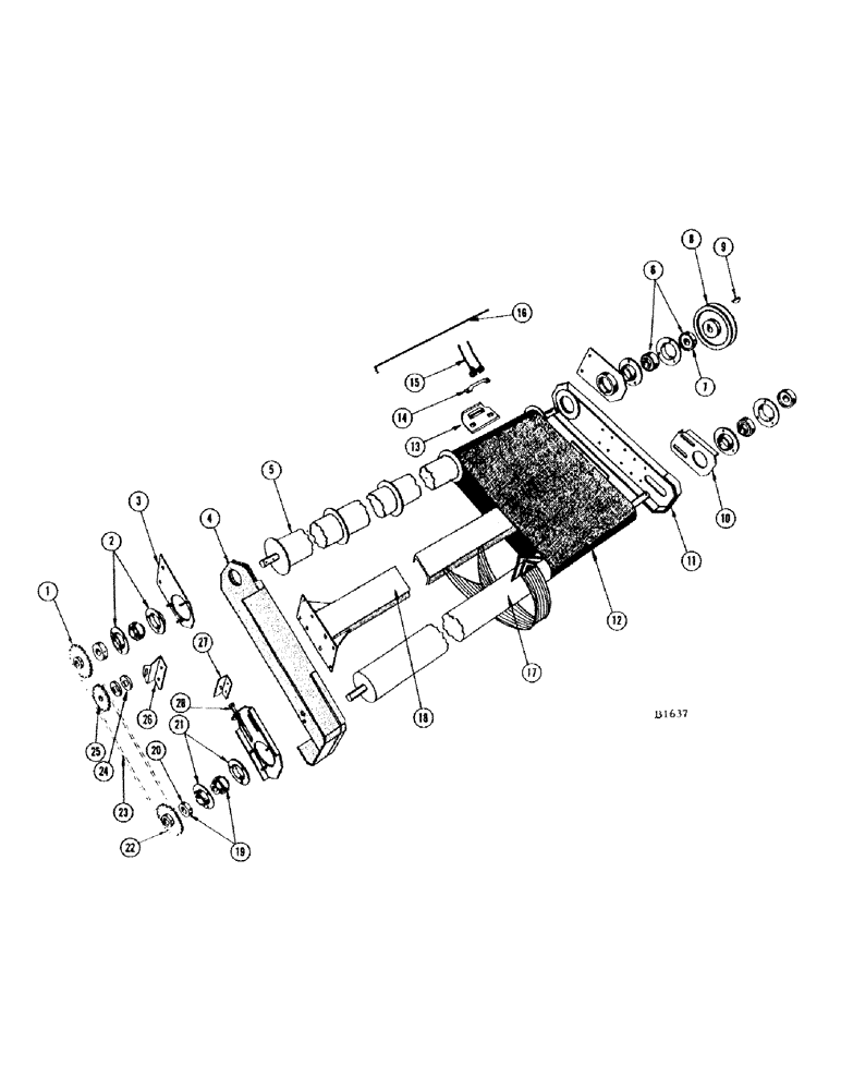
Запчасти Case IH 660 (030) - CONVEYOR FRONT AND REAR ROLLERS, FOUR BELT

Схема запчастей Case IH 660 - (030) - CONVEYOR FRONT AND REAR ROLLERS, FOUR BELT
3
19
6
4
10
8
17
28
14
11
12
13
7
18
25
16
2
9
26
15
22
1
23
24
5
27
20
21
FIT
1:1
100%

Артикул

Название

Примечание

Количество

1

F77273

SPROCKET - (10T) rear conveyor roller drive (R.H. end)

1шт.

PIN - Drive-Loc type "A" 1/4" x 1-3/4" (135-78)

1шт.

2

B18282

FLANGE

- rear conveyor roller bearing

4шт.

3

F77175

BRACKET - bearing, for rear roller

2шт.

NUT - 5/16" N.C. hex. (25-105) L.W. (92-5)

6шт.

BOLT - 7/16" x 1" N.F. hex. (114-301) nut (129-124)

4шт.

4

F87793

SHEET - end, R.H. (Replaces F82679 when stocks are exhausted)

1шт.

F82679

SHEET - end, R.H. (Replaced by F87793 when stocks are exhausted)

1шт.

5

F77171

ROLLER - rear

1шт.

6

3074CSA

BALL BEARING

- rear conveyor roller shaft

2шт.

7

F62108

COLLAR

1шт.

8

F81889

SHEAVE - rear roller drive, driven (L.H. end)

1шт.

PIN - Driv-Loc type "A" 1/4" x 1-3/4" (135-360)

1шт.

9

126-121

WOODRUFF KEY,#A, 1/4" x 7/8", HT

Ref. 8 sheave to ref. 5 roller #A, 1/4" x 7/8", HT

1шт.

10

F77369

SCREW

PLATE - bearing, front roller adjusting

2шт.

NUT - 5/16" N.C. hex. (25-115) L.W. (92-5)

6шт.

11

F77368

SHEET - end, L.H. (Replaces F82678 when stocks are exhausted)

1шт.

F82678

SHEET - end, L.H. (Replaced by F77368 when stocks are exhausted)

1шт.

12

F91853

BELT, CONVEYOR 57.13" L, (42 fingers), See F79158 57.13" L

4шт.

13

F10861

CLIP - hold down, spring finger

42шт.

BOLT - 1/4" x 3/4" slotted elevator (121-6)

84шт.

NUT - 1/4" N.C. hex. (129-101) L.W. (192-19)

84шт.

14

F15245

RETAINER - spring finger

42шт.

15

F15243

SPRING

FINGER - spring

42шт.

F91854

LACING SET - (Not Shown)

1шт.

16

F22395

PIN - belt lacing

4шт.

12

F79158

CONVEYOR BELT

BELT, CONVEYOR, (36 fingers) See F91853. When replacing one F79158, use F79158. When replacing all four F79158, use F91853

4шт.

13

F10861

CLIP - hold down, spring finger

36шт.

BOLT - 1/4" x 3/4" flat hd. ctsk. (121-5) and nut (25-104) L.W. (92-4)

72шт.

14

F15245

RETAINER - spring finger

36шт.

15

F15243

SPRING

FINGER - spring

36шт.

F78466

LACING SET - (Not Shown)

1шт.

16

F21401

PIN - belt lacing

4шт.

17

F77269

ROLLER - front

1шт.

18

F87811

TUBE - torque, cross brace (Replaces F81884 when stocks are exhausted)

1шт.

BOLT - 5/16" x 3/4" N.F. hex. (14-512) nut (25-115) L.W. (92-5)

2шт.

BOLT - 5/16" x 1" N.F. hex. (14-516) nut (25-115) L.W. (92-5)

2шт.

BOLT - 3/8" x 1-1/4" rhd. sq. nk. (111-354) nut (129-123)

8шт.

LOCKWASHER - 3/8" (192-21) fl. wshr. (195-104)

8шт.

F81884

TUBE - torque, cross brace (Replaced by F87811 when stocks are exhausted)

1шт.

19

3074CSA

BALL BEARING

- front conveyor roller shaft

2шт.

20

F62108

COLLAR

1шт.

21

B18282

FLANGE

- front conveyor drive bearing

4шт.

22

F77273

SPROCKET - (10T) front conveyor roller drive (R.H. end)

1шт.

PIN - Driv-Loc type "A" 1/4" x 1-3/4" (135-78)

1шт.

23

F8655

X

CHAIN - conveyor drive (NSS - see Figure 6)

1шт.

24

O2287CS

WASHER - tightener bracket bolt (111-601)

2шт.

25

F8659

SPROCKET - (11T) conveyor chain tightener

1шт.

26

F8658

BRACKET - tightener, conveyor drive chain

1шт.

BOLT - 5/8" x 2" rhd. sq. nk. (111-601) nut (129-107)

1шт.

27

F77596

ANGLE - adjusting, for adjusting screw

2шт.

BOLT - 5/16" x 1" N.F. hex. (14-516) nut (25-115)

4шт.

28

F9423

SCREW - adjusting, for ref. 10 bearing plate

2шт.

Выбрано товаров: 53