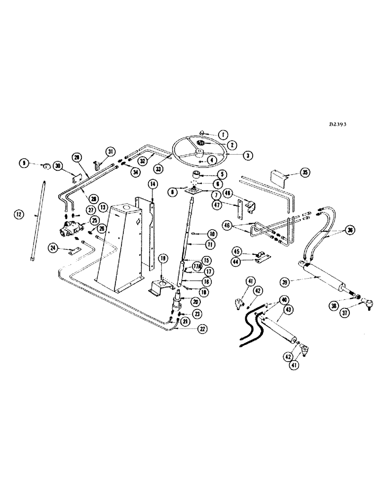
Запчасти Case IH 660 (286) - STEERING ASSEMBLY, HYDROSTATIC STEERING

Схема запчастей Case IH 660 - (286) - STEERING ASSEMBLY, HYDROSTATIC STEERING
15
45
48
17
8
19
17a
4
32
29
33
31
3
1
26
20
11
2
35
22
9
18
6
27
13
12
7
41
14
24
21
34
37
44
39
30
38
23
10
42
47
42
43
36
41
5
40
16
28
46
25
FIT
1:1
100%

Артикул

Название

Примечание

Количество

1

A8744

NUT

- cap, steering wheel

1шт.

2

A8248

MEDALLION - steering wheel

1шт.

3

A7668

WHEEL

- steering

1шт.

4

126-21

WOODRUFF KEY,#A, 1/4" x 7/8"

1шт.

5

F12987

NUT - adjusting (adjustable shaft)

1шт.

6

211-7

BALL,1/4" Dia

- steel 1/4" Dia

6шт.

7

F86988

BEARING - adjustable shaft

1шт.

BOLT - 5/16" x 3/4" rhd. sq. nk. (11-512) nut (25-105)

2шт.

8

138-55

LOCK PIN,1/8" x 5/8", Slotted

PIN, 1/8" x 5/8", Slotted

1шт.

9

F12061

BEARING - sold shaft (Used before #8357001)

1шт.

BOLT - 1/4" x 1/2" N.F. hex (14-48) nut (25-114)

3шт.

10

F62205

RING, SNAP

SNAP RING - for F21587 shaft

2шт.

11

F21587

SHAFT - steering (Adjustable)

1шт.

12

F84373

SHAFT - steering (Solid) (Used before #8357001)

1шт.

13

F84374

COLUMN - steering (Before #8357001) (Adjustable shaft) (When depleted used F94389)

1шт.

13

F94389

COLUMN - steering (#8357001 and after) (Adjustable shaft) (See F84374)

1шт.

BOLT - 5/16" x 5/8" N.F. hex (14-510) nut (25-115)

6шт.

BOLT - 5/16" x 1-1/2" N.F. hex (14-524) nut (25-115)

2шт.

WASHER - 5/16" flat (195-21)

2шт.

13

F84371

COLUMN - steering (Solid shaft) (Used before #8357001)

1шт.

BOLT - 5/16" x 5/8" N.F. hex (14-510) nut (25-115)

6шт.

BOLT - 5/16" x 1-1/2" N.F. hex (14-524) nut (25-115)

2шт.

WASHER - 5/16" flat (195-21)

2шт.

14

F21955

PANEL - rear, steering column

1шт.

SCREW - 1/4" x 1/2" N.C. mach. (75-48)

8шт.

15

F10666

WASHER - rubber, F21587 shaft

1шт.

16

F86989

COLLAR - steering shaft (Adjustable shaft)

1шт.

17

129-20

NUT,#1-72

FITTING - grease

1шт.

17a

193-8

LOCK WASHER,Ext Tooth, 1/4"

WASHER, LOCK, Ext Tooth, 1/4"

1шт.

18

F12502

PIN - steering, Serial Range: shaft-pump

1шт.

PIN - cotter, 3/32 " x 3/4" (132-26)

1шт.

19

F21579

CARRIAGE BOLT

BRACKET - support, pump

1шт.

20

F86570

PUMP - hydrostatic, power steering

1шт.

BOLT - 5/16" x 5/8" N.C. hex (13-510) L.W. (92-5)

4шт.

21

F84372

LINE - R.H., Serial Range: pump-valve

1шт.

22

F84376

LINE - L.H., Serial Range: pump-valve

1шт.

23

218-5059

HYD CONNECTOR,3/4"-16, 37 Degree x 3/4"-16, O-Ring

CONNECTOR - (Parker #F50X-S) Ref 21 and 22 lines to pump

2шт.

24

F19378

TIE STRAP - for valve

1шт.

BOLT - 5/16" x 3/4" N.F. hex (14-512) nut (25-115)

2шт.

25

A37980

VALVE

- hydrostatic, power steering (Replaces F82739 when stocks are exhausted)

1шт.

F82739

VALVE

- hydrostatic, power steering (Replaced by A37980 when stocks are exhausted)

1шт.

BOLT - 3/8" x 1" N.F. hex (14-616) nut (25-116)

3шт.

26

218-5057

HYD CONNECTOR,9/16" - 18 JIC x 9/16" - 18 ORB

CONNECTOR - (Parker #6-F50S-X) valve to pump lines

2шт.

27

218-5058

HYD CONNECTOR,9/16" - 18 Male JIC x 3/4" - 18 Male ORB

CONNECTOR - (Parker #6-8F50X-S) valve to steering cylinder lines

2шт.

28

F82757

LINE - hydrostatic, valve to cylinder, front lower

1шт.

29

F82756

LINE - hydraulic, valve to cylinder, front upper

1шт.

30

F19508

SHIELD - front

2шт.

BOLT - 1/4" x 3/4" rhd. sq. nk. (11-412) nut (25-104)

4шт.

31

F19308

CLIP - hydraulic line, for ref. 28 and 29 lines

2шт.

32

F82761

LINE - hydraulic, valve to cylinder, rear lower

1шт.

33

F82762

LINE - hydraulic, valve to cylinder, rear upper

1шт.

UNION - #8-8FTX-S (218-456)

1шт.

34

218-734

UNION,9/16"-18, 37 Degree x 9/16"-18, 37 Degree

FITTING - union #6-HTX-S, F82756-7 to F82761-2

2шт.

35

F19509

SHIELD - rear, for ref. 46 line

1шт.

36

F19381

HOSE - hydraulic, steering cylinder (660 special combine)

2шт.

37

F82723

SOCKET - steering cylinder (660 special combine)

1шт.

NUT - 9/16" N.F. hex, thick slotted (25-199)

1шт.

PIN - cotter, 1/8" x 1" (132-48)

1шт.

38

F7510

NUT - power steering cylinder F91830

1шт.

39

F91830

CYLINDER

- power steering (660 special) (Replaces F82953)

1шт.

FITTING - grease, 1/4" - 90 degree (219-87)

1шт.

PIN - cotter, 1/8" x 1-3/4" (132-54)

1шт.

40

F12430

HOSE - hydraulic, 40" wide axle

2шт.

40

F21221

HOSE - hydraulic, 66" wide axle

2шт.

40

F22490

HOSE - hydraulic, 78" wide axle

2шт.

41

F83466

SOCKET - steering cylinder (Grain combine)

2шт.

NUT - 9/16" N.F. hex thick slotted (25-199)

2шт.

PIN - cotter, 1/8" x 1" (132-48)

2шт.

42

86637932

JAM NUT,Jam, 5/8"-18, G5

NUT - 5/8" N.F. jam

2шт.

43

F87848

CYLINDER - power steering (Grain combine) (Replaces F86540)

1шт.

44

F9565

CUSHION - (Cotton duck - rubberized) clip

2шт.

45

F7778

CLIP - hydraulic lines

2шт.

BOLT - 1/4" x 5/8" N.F. hex (14-410) nut (25-114)

1шт.

BOLT - 1/4" x 3/4" N.F. hex (14-412) nut (25-114)

1шт.

F20459

ANGLE - support, for ref. 41 clip (Grain combine) (Not shown)

1шт.

BOLT - 1/4" x 3/4" N.F. hex (14-412) nut (25-114)

1шт.

46

F82803

EXTENSION - hydraulic lines (660 special combine)

2шт.

UNION - #6-HTX-S (218-734)

2шт.

47

F18836

STRIP - canvas, hydraulic line shield

1шт.

48

F18835

SHIELD - hydraulic lines

1шт.

BOLT - 5/16" x 3/4" N.F. hex (14-512) nut (25-115)

2шт.

Выбрано товаров: 81