Запчасти Case IH 660 (308) - STEERING ARMS AND AXLE, SPECIAL HEAVY DUTY REAR AXLE

Схема запчастей Case IH 660 - (308) - STEERING ARMS AND AXLE, SPECIAL HEAVY DUTY REAR AXLE
13
10
22
2
25
12
19
16
26
14
5
27
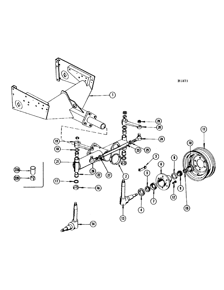
1
4
6
7
17
25
15
9
21
23
3
24
18
20
22a
8
11
22b
FIT
1:1
100%

Артикул

Название

Примечание

Количество

1

F82711

SUPPORT - rear axle tube

1шт.

14-612

BOLT,Hex, 3/8" - 24 x 3/4", Gr 5, Full Thd

Nut (25-116) L.W. (92-6) Hex, 3/8"-24 x 3/4", G5, Full Thd

6шт.

14-644

SCREW,Hex, 3/8" - 24 x 2 3/4", Gr 5

BOLT - 3/8" x 2-3/4" N.F. hex, nut (25-116) L.W. (92-6)

8шт.

2

F83340

COLLAR

1шт.

3

F20025

BRACKET - hydraulic hose F19381

1шт.

14-720

BOLT,Hex, 7/16" - 20 x 1-1/4", Gr 5, Full Thd

- 7/16" x 1-1/4" N.F. hex and stopnut (131-7)

2шт.

4

G13053

OIL SEAL

OIL SEAL - wheel hub

2шт.

5

G57452

ROLLER BEARING

CONE - inner bearing, wheel hub

2шт.

6

F77895

HUB - wheel

2шт.

7

G57451

BEARING, CUP

CUP - inner bearing

1шт.

8

B12410

BEARING, CUP,1.782" OD

CUP - outer bearing

1шт.

9

B12411

ROLLER BEARING,0.75" ID x 0.655"

CONE - outer bearing, wheel hub

2шт.

10

B13280

HUB CAP

CAP - hub, wheel

2шт.

11

F8873

WHEEL - steering (For 6:50 x 16, 4-ply tire)

2шт.

12

A31040

WHEEL BOLT,9/16" - 18 x 1 13/32", Gr 5

BOLT -, Serial Range: wheel-hub

12шт.

13

F76779

SPINDLE - R.H. steering

1шт.

126-40

WOODRUFF KEY,#G, 3/8" x 1 1/2"

KEY - "A" Woodruff

1шт.

25-1516

NUT,Jam, 1"-14, G5

- 1" N.F. jam and L.W. (92-16)

1шт.

14

F82802

SPINDLE - L.H. steering

1шт.

126-40

WOODRUFF KEY,#G, 3/8" x 1 1/2"

1шт.

25-1516

NUT,Jam, 1"-14, G5

- 1" N.F. hex jam and L.W. (92-16)

1шт.

15

25-1912

SLOTTED NUT,3/4"-16, G5, Thk

NUT - 3/4" N.F. hex slotted, spindle

2шт.

132-50

COTTER PIN,1/8" x 1 1/4"

Pin, Split (Cotter), 1/8" x 1 1/4"

2шт.

16

A30054

THRUST BEARING,35.18mm ID x 58.74mm OD x 15.88mm W

BEARING - spindle

2шт.

17

A30047

WASHER

- thrust, lower

2шт.

18

A29467

SHIM,.010" Thk

Adjusting .010" Thk

1шт.

19

F3121

ARM - L.H. spindle

1шт.

20

F3120

ARM - R.H. spindle

1шт.

21

F82800

AXLE - rear (66")

1шт.

F91959

AXLE - rear (78")

1шт.

22

F11016

BUSHING - (Used with F82800)

4шт.

22a

F14814

BUSHING - (Used with F91959)

1шт.

22b

F14813

SPACER BUSHING - (Used with F91959)

1шт.

219-36

LUBE NIPPLE,45 Degree Elbow, 1/8" - 27 NPTF

FITTING - grease, 1/8" - 45 degrees

1шт.

219-40

LUBE NIPPLE,65 Degree Elbow, 1/8" - 27 NPTF

FITTING - grease, 1/8" - 67-1/2 degrees

1шт.

23

F22496

TUBE - tie rod (78" wide axle)

1шт.

F12739

HOUSING

TUBE - tie rod (66" wide axle)

1шт.

24

F86782

END - R.H.

1шт.

25

25-1416

NUT,Jam, 1"-8, G5

- 1" N.C. hex jam, L.H. thrd.

1шт.

26

F86783

END - L.H.

1шт.

27

129-350

NUT - 1" N.C. hex jam, R.H. thrd.

1шт.

28

25-139

SLOTTED NUT,9/16"-18, G5

NUT - 9/16" N.F. slotted hex, for ends

2шт.

132-48

COTTER PIN,1/8" x 1"

Pin, Split (Cotter), 1/8" x 1"

2шт.

Выбрано товаров: 43