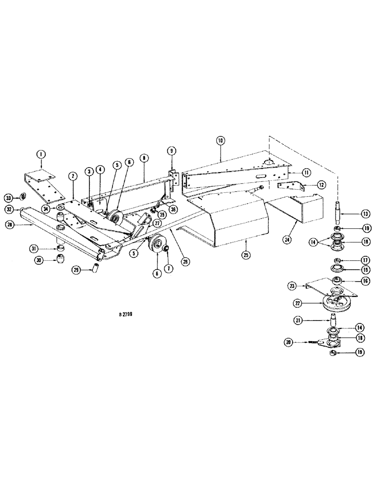
Запчасти Case IH 660 (037A) - SICKLE DRIVE, NUMBER 8357001 AND AFTER

Схема запчастей Case IH 660 - (037A) - SICKLE DRIVE, NUMBER 8357001 AND AFTER
5
22
21
35
5
13
14
18
19
10
36
7
29
6
20
2
34
18
28
23
19
9
8
24
25
31
4
27
33
26
32
30
6
14
11
1
15
17
12
3
16
FIT
1:1
100%

Артикул

Название

Примечание

Количество

1

F17759

REINFORCEMENT - divider shoe, L.H.

1шт.

11-516

BOLT,Short NK, 5/16"-18 x 1", G2

CARRIAGE, Short NK, 5/16"-18 x 1", G2

2шт.

14-612

BOLT,Hex, 3/8" - 24 x 3/4", Gr 5, Full Thd

2шт.

14-614

SCREW,Hex, 3/8" - 24 x 7/8", Gr 5

BOLT - 3/8" x 7/8" N.F. hex.

2шт.

9635082

NUT,5/16" - 18, Gr 5

- 5/16" N.C. hex.

2шт.

25-116

NUT,Hex, 3/8"-24, G5

- 3/8" N.F. hex.

4шт.

92-5

LOCK WASHER,5/16"

2шт.

92-6

LOCK WASHER,3/8"

4шт.

2

F92660

PLATE - support, swaybar

1шт.

14-410

SCREW,Hex, 1/4" - 28 x 5/8", Gr 5

BOLT - 1/4" x 5/8" N.F. hex.

3шт.

25-114

NUT,1/4"-28, G5

- 1/4" N.F. hex.

3шт.

92-4

LOCK WASHER,1/4"

WASHER, LOCK, 1/4"

3шт.

14-514

BOLT,Hex, 5/16" - 24 x 7/8", Gr 5, Full Thd

3шт.

25-115

NUT,5/16"-24, G5

- 5/16" NF hex

6шт.

14-520

BOLT,Hex, 5/16" - 24 x 1-1/4", Gr 5

1шт.

195-521

WASHER,5/16", SAE

- 5/16" flat

1шт.

14-616

BOLT,Hex, 3/8" - 24 x 1", Gr 5

- 3/8" x 1" N.F. hex.

1шт.

25-116

NUT,Hex, 3/8"-24, G5

- 3/8" N.F. hex.

2шт.

3

F75313

LOCKNUT - (5/8" Gripco) for 14-1032 bolt of ref. 6 sheave

1шт.

4

F16874

BRACKET - inner, sickle drive belt tightener

1шт.

14-512

BOLT,Hex, 5/16" - 24 x 3/4", Gr 5, Full Thd

2шт.

14-510

SCREW,Hex, 5/16" - 24 x 5/8", Gr 5, Full Thd

BOLT, Hex, 5/16"-24 x 5/8", G5, Full Thd

2шт.

25-115

NUT,5/16"-24, G5

- 5/16" NF hex

4шт.

92-5

LOCK WASHER,5/16"

4шт.

195-21

WASHER,5/16"

- flat 5/16"

4шт.

5

F22332

SPACER - 1 for each side of ref. 6 sheave

2шт.

6

F23099

SHEAVE - idler c/w bushing (Replaces F81124)

2шт.

6

F81124

SHEAVE - idler (Replaced by F23099)

2шт.

7

F7293

BEARING

1шт.

14-1032

BOLT,Hex, 5/8" - 18 x 2", Gr 5

1шт.

95-10

WASHER,5/8"

- flat 5/8"

1шт.

14-1044

BOLT,Hex, 5/8" - 18 x 2-3/4", Gr 5

- 5/8" x 2-3/4" N.F. hex.

1шт.

92-10

LOCK WASHER,5/8"

WASHER, LOCK, 5/8"

1шт.

25-1110

NUT,5/8"-18, G5

- 5/8" N.F. hex.

1шт.

95-10

WASHER,5/8"

- flat 5/8"

1шт.

8

F17760

CHANNEL - L.H., reinforcement (10 or 13 ft. header)

1шт.

14-512

BOLT,Hex, 5/16" - 24 x 3/4", Gr 5, Full Thd

1шт.

14-516

BOLT,Hex, 5/16" - 24 x 1", Gr 5, Full Thd

- 5/16" x 1" N.F. hex.

3шт.

25-115

NUT,5/16"-24, G5

- 5/16" NF hex

4шт.

92-5

LOCK WASHER,5/16"

4шт.

8

F19936

CHANNEL - L.H., reinforcement (14 ft. header)

1шт.

14-514

BOLT,Hex, 5/16" - 24 x 7/8", Gr 5, Full Thd

5шт.

25-115

NUT,5/16"-24, G5

- 5/16" NF hex

5шт.

92-5

LOCK WASHER,5/16"

5шт.

9

F22938

BRACKET - R.H., reinforcement channel (13 or 14 ft. header)

1шт.

14-512

BOLT,Hex, 5/16" - 24 x 3/4", Gr 5, Full Thd

2шт.

25-115

NUT,5/16"-24, G5

- 5/16" NF hex

2шт.

92-5

LOCK WASHER,5/16"

2шт.

10

F82638

CHANNEL - R.H., reinforcement (10 ft. header)

1шт.

10

F82618

CHANNEL - R.H., reinforcement (13 or 14 ft. header)

1шт.

75-410

SCREW,Rd, 1/4" - 20 x 5/8"

- 1/4" x 5/8" N.C. machine

2шт.

75-412

SCREW,Rd, 1/4" x 3/4"

- 1/4" x 3/4" N.C. machine

2шт.

25-104

NUT,1/4"-20, G5

4шт.

92-4

LOCK WASHER,1/4"

WASHER, LOCK, 1/4"

4шт.

12-612

BOLT - 3/8" x 3/4" rhd. short sq. nk.

2шт.

25-106

NUT,3/8"-16, G5

- 3/8" N.C. hex.

2шт.

92-6

LOCK WASHER,3/8"

2шт.

14-612

BOLT,Hex, 3/8" - 24 x 3/4", Gr 5, Full Thd

2шт.

25-116

NUT,Hex, 3/8"-24, G5

- 3/8" N.F. hex.

2шт.

92-6

LOCK WASHER,3/8"

2шт.

195-25

WASHER,3/8"

- flat 3/8"

2шт.

11

F22467

REINFORCEMENT - for R.H. channel

1шт.

14-512

BOLT,Hex, 5/16" - 24 x 3/4", Gr 5, Full Thd

Nut (25-115) L.W. (92-5) Hex, 5/16"-24 x 3/4", G5, Full Thd

6шт.

12

F18843

GUSSET - support, R.H. channel

1шт.

14-612

BOLT,Hex, 3/8" - 24 x 3/4", Gr 5, Full Thd

Nut (25-116) L.W. (92-6) Hex, 3/8"-24 x 3/4", G5, Full Thd

3шт.

13

F22468

SHAFT - sickle drive

1шт.

14

F62225

FLANGE

- 1443CKA bearing

3шт.

11-616

CARRIAGE BOLT,Short NK, 3/8"-16 x 1", G2

BOLT, CARRIAGE, Short NK, 3/8"-16 x 1", G2

3шт.

25-116

NUT,Hex, 3/8"-24, G5

- 3/8" N.C. hex. and L.W. (92-6)

3шт.

15

T27207

FLANGED BEARING

FLANGETTE - T18852 bearing

1шт.

14-616

BOLT,Hex, 3/8" - 24 x 1", Gr 5

- 3/8" x 1" N.F. hex.

3шт.

25-116

NUT,Hex, 3/8"-24, G5

- 3/8" N.F. hex. and L.W. (92-6)

3шт.

16

T18852

BALL BEARING

BEARING

1шт.

17

O4524B

COLLAR

1шт.

18

1443CKA

BALL BEARING

BEARING

2шт.

19

F62234

COLLAR

1шт.

20

F82633

PLATE ASSY.

PLATE - bearing, sickle Pitman

1шт.

25-1514

JAM NUT,Jam, 7/8"-14, G5

- 7/8" N.F. hex. jam

1шт.

21

F18846

SCREW

PIN - sheave

1шт.

22

F1717

SHEAVE - sickle drive, driven

1шт.

F16867

BELT

Sickle Drive, 10 Foot Header

1шт.

F9659

V-BELT

Sickle Drive, 13 Foot Header

1шт.

F19939

BELT

"V" BELT - sickle drive (14 ft. header)

1шт.

23

F91929

BRACKET - lower support, sickle drive

1шт.

14-816

BOLT,Hex, 1/2" - 20 x 1", Gr 5

- 1/2" x 1" N.F. hex.

4шт.

25-118

NUT,1/2"-20, G5

- 1/2" N.F. hex. and L.W. (92-8)

4шт.

24

F18847

SHIELD - sickle drive belt

1шт.

73-412

SCREW,Slotted Flat Hd, 1/4"-20 x 3/4"

- 1/4" x 3/4" N.C. machine

2шт.

25-104

NUT,1/4"-20, G5

L.W. (92-4) fl. wshr. (195-18) 1/4"-20, G5

2шт.

14-512

BOLT,Hex, 5/16" - 24 x 3/4", Gr 5, Full Thd

2шт.

25-115

NUT,5/16"-24, G5

- 5/16" NF hex and L.W. (92-5)

2шт.

25

F84800

SHIELD - sickle drive belt

1шт.

14-48

BOLT,Hex, 1/4" - 28 x 1/2", Gr 5

1шт.

25-114

NUT,1/4"-28, G5

- 1/4" N.F. hex. and L.W. (92-4)

1шт.

73-412

SCREW,Slotted Flat Hd, 1/4"-20 x 3/4"

- 1/4" x 3/4" N.C. machine

2шт.

25-104

NUT,1/4"-20, G5

L.W. (92-4) fl. wshr. (95-4) 1/4"-20, G5

2шт.

14-512

BOLT,Hex, 5/16" - 24 x 3/4", Gr 5, Full Thd

3шт.

25-115

NUT,5/16"-24, G5

- 5/16" NF hex and L.W. (92-5)

3шт.

26

F82599

PITMAN - sickle drive (10 ft. header)

1шт.

26

F82634

PITMAN

- sickle drive (13 ft. header)

1шт.

26

F83066

PITMAN - sickle drive (14 ft. header)

1шт.

14-1072

BOLT,Hex, 5/8" - 18 x 4-1/2", Gr 5

- 5/8" x 4-1/2" N.F. hex.

1шт.

25-1110

NUT,5/8"-18, G5

- 5/8" N.F. hex. and L.W. (92-10)

1шт.

27

F82510

BRACKET - outer (Exh. then use F89323)

1шт.

27

F89323

BRACKET - outer (Replaces F82510 when exh.)

1шт.

14-512

BOLT,Hex, 5/16" - 24 x 3/4", Gr 5, Full Thd

1шт.

14-516

BOLT,Hex, 5/16" - 24 x 1", Gr 5, Full Thd

- 5/16" x 1" N.F. hex.

3шт.

25-115

NUT,5/16"-24, G5

- 5/16" NF hex and L.W.

4шт.

28

F91937

SWAYBAR

1шт.

29

F18851

BUSHING

- rubber

1шт.

30

F18852

RUBBER BUSHING

PIVOT - center

2шт.

31

F18853

SPACER

- center

1шт.

32

F8370

BALL

1шт.

33

F23106

COVER

- dust

1шт.

13-14112

BOLT,Hex, 7/8" - 9 x 7", Gr 5

- 7/8" x 7" N.C. hex., grade 5

1шт.

25-1014

NUT,7/8"-9, G5

1шт.

25-1414

NUT,Jam, 7/8"-9, G5

- 7/8" N.C. hex. jam

1шт.

95-14

WASHER,7/8"

- flat 7/8"

2шт.

34

A31215

WASHER

- swaybar bolt

2шт.

35

F1584

NUT - adjusting

1шт.

36

F18494

BOLT - adjusting, for sickle drive belt

1шт.

Выбрано товаров: 121