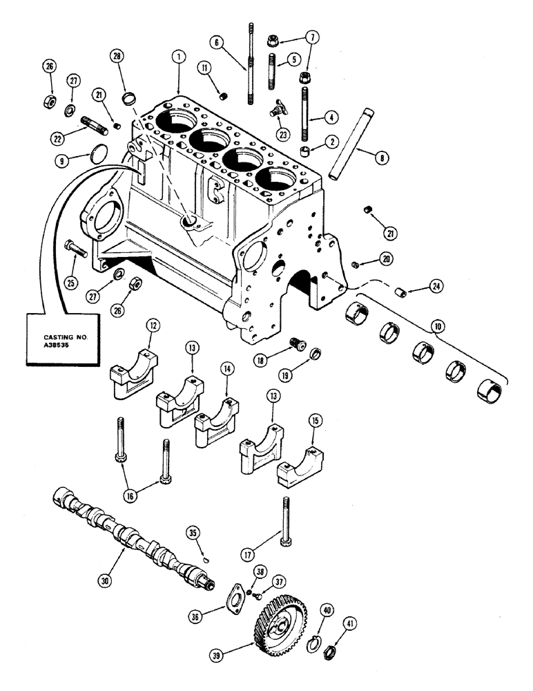
Запчасти Case IH 660 (365A) - CYLINDER BLOCK ASSEMBLY, 188 DIESEL ENGINE, FIRST USED ENGINE SERIAL NUMBER 2679761

Схема запчастей Case IH 660 - (365A) - CYLINDER BLOCK ASSEMBLY, 188 DIESEL ENGINE, FIRST USED ENGINE SERIAL NUMBER 2679761
27
38
2
17
36
40
37
4
23
13
21
1
26
6
16
28
35
25
20
12
9
27
7
21
11
24
26
30
5
13
39
18
15
41
8
19
22
14
10
FIT
1:1
100%

Артикул

Название

Примечание

Количество

A42814

CYLINDER BLOCK

BLOCK ASSY. - cyl., short (Incl. crankshaft, brgs., conn. rods & brgs., camshaft, piston assembly, oil pump, and timing gears) (Casting #A38535)

1шт.

1

A41597

SKELETON ENGINE

BLOCK ASSY. - stripped (Casting #A38535)

1шт.

2

G49608

RING

- dowel, Serial Range: head-block

2шт.

3

A36902

STUD

- cyl. head, 1/2" N.C. x 5-5/8"

11шт.

4

A36905

STUD

- cyl. head, 1/2" N.C. x 6"

2шт.

5

A36904

STUD

- cyl. head, 1/2" N.C. x 4"

4шт.

6

A36903

STUD

- cyl. head and cover

2шт.

7

A37030

FLANGE NUT

- head stud, 1/2" N.C. flanged

19шт.

8

A37149

TUBE

- oil gauge and filler

1шт.

9

A39241

PLUG,Exp, 2.12" dia

- camshaft hole, 2-1/8" expansion

1шт.

10

A42746

CAM

BUSHING KIT - camshaft (Set of 5)

1шт.

11

221-1032

DRAIN PLUG,Sq Soc, 3/8"-18 NPTF

PLUG - 3/8" P.T. sckt. hd.

1шт.

12

A38385

CAP

- main bearing, rear

1шт.

13

G2128

CAP

- main bearing, intermediate

2шт.

14

G2127

CAP

- main bearing, center

1шт.

15

G2126

CAP

- main bearing, front

1шт.

16

113-444

BOLT

- brg. caps, 1/2" x 4-1/2" N.C. hex

8шт.

17

113-445

BOLT

- front brg. cap, 1/2" x 5-1/8" N.C. hex

2шт.

18

A153552

ADAPTER

- oil filter

1шт.

19

41-1016

PLUG,Cup, 1"

- adapter, 1" cup

1шт.

20

G49070

PLUG

- 1/4" P.T. drilled

1шт.

21

217-433

PLUG,Hex Soc, 1/4" - 18 NPTF

2шт.

22

A29333

STUD

- engine mounting, 5/8" N.C./N.F. x 3"

2шт.

23

A23656

COCK, DRAIN

VALVE ASSY. - drain, cyl. block

1шт.

24

A29442

RING

- dowel, timing gear cover, Serial Range: -block

2шт.

25

A30099

X

BOLT - engine mtg.

2шт.

26

25-1110

NUT,5/8"-18, G5

- 5/8" N.F. hex

4шт.

27

92-10

LOCK WASHER,5/8"

WASHER, LOCK, 5/8"

4шт.

28

A38534

PLUG

- tach. drive hole

1шт.

30

A39013

CAM

SHAFT

1шт.

35

126-12

WOODRUFF KEY,#6, 5/32" x 5/8"

Camshaft gear #6, 5/32" x 5/8"

1шт.

36

A29290

PLATE

- thrust, camshaft

1шт.

37

A30056

SCREW,Hex, 5/16" - 18 x 1/2"

BOLT - thrust plate, camshaft

2шт.

38

193-9

LOCK WASHER,Ext Tooth, 5/16"

WASHER, LOCK, , Camshaft Ext Tooth, 5/16"

2шт.

39

A38931

GEAR

- camshaft (Replaces G2066)

1шт.

40

A29438

LOCK NUT

WASHER - tab, camshaft nut lock

1шт.

41

A30063

NUT

-, Serial Range: gear-camshaft

1шт.

Выбрано товаров: 37