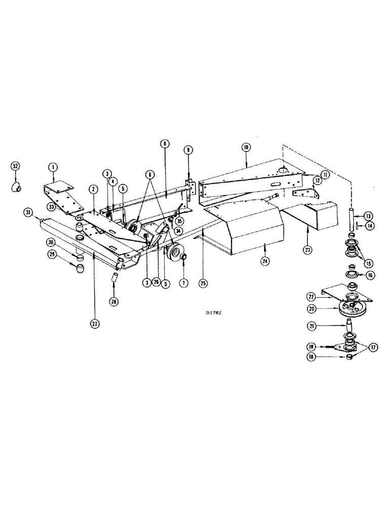
Запчасти Case IH 660 (038) - SICKLE DRIVE, BEFORE NUMBER 8357001

Схема запчастей Case IH 660 - (038) - SICKLE DRIVE, BEFORE NUMBER 8357001
31
4
27
22
7
29
35
24
20
26
30
1
33
11
15
21
25
23
19
5
13
2
28
3
6
32
8
17
16
9
10
5
14
12
34
18
3
FIT
1:1
100%

Артикул

Название

Примечание

Количество

1

F17759

REINFORCEMENT - divider shoe, L.H.

1шт.

11-516

BOLT,Short NK, 5/16"-18 x 1", G2

CARRIAGE, Short NK, 5/16"-18 x 1", G2

2шт.

14-612

BOLT,Hex, 3/8" - 24 x 3/4", Gr 5, Full Thd

2шт.

14-614

SCREW,Hex, 3/8" - 24 x 7/8", Gr 5

BOLT - 3/8" x 7/8" N.F. hex.

2шт.

9635082

NUT,5/16" - 18, Gr 5

- 5/16" N.C. hex.

2шт.

25-116

NUT,Hex, 3/8"-24, G5

- 3/8" N.F. hex.

4шт.

92-5

LOCK WASHER,5/16"

2шт.

92-6

LOCK WASHER,3/8"

4шт.

2

F82512

PLATE - support, swaybar

1шт.

14-410

SCREW,Hex, 1/4" - 28 x 5/8", Gr 5

BOLT - 1/4" x 5/8" N.F. hex.

3шт.

25-114

NUT,1/4"-28, G5

- 1/4" N.F. hex.

3шт.

92-4

LOCK WASHER,1/4"

WASHER, LOCK, 1/4"

3шт.

14-514

BOLT,Hex, 5/16" - 24 x 7/8", Gr 5, Full Thd

1шт.

25-115

NUT,5/16"-24, G5

- 5/16" NF hex

1шт.

14-520

BOLT,Hex, 5/16" - 24 x 1-1/4", Gr 5

2шт.

9635082

NUT,5/16" - 18, Gr 5

- 5/16" N.F. hex.

2шт.

14-616

BOLT,Hex, 3/8" - 24 x 1", Gr 5

- 3/8" x 1" N.F. hex.

3шт.

25-116

NUT,Hex, 3/8"-24, G5

- 3/8" N.F. hex.

3шт.

3

F75313

LOCKNUT - (5/8" Gripco) for 14-1032 bolt or ref. 6 sheave

1шт.

4

F16874

BRACKET - inner, sickle drive belt tightener

1шт.

14-512

BOLT,Hex, 5/16" - 24 x 3/4", Gr 5, Full Thd

2шт.

14-510

SCREW,Hex, 5/16" - 24 x 5/8", Gr 5, Full Thd

BOLT, Hex, 5/16"-24 x 5/8", G5, Full Thd

2шт.

25-115

NUT,5/16"-24, G5

- 5/16" NF hex

4шт.

92-5

LOCK WASHER,5/16"

4шт.

195-21

WASHER,5/16"

LOCKWASHER - flat 5/16"

4шт.

5

F22332

SPACER - 1 for each ref. 6 sheave

2шт.

6

F23099

SHEAVE - idler c/w bearing (Replaces F81124)

2шт.

6

F81124

SHEAVE - idler (Replaced by F23099)

2шт.

7

F7293

BEARING

1шт.

14-1032

BOLT,Hex, 5/8" - 18 x 2", Gr 5

1шт.

95-10

WASHER,5/8"

- flat 5/8"

1шт.

14-1044

BOLT,Hex, 5/8" - 18 x 2-3/4", Gr 5

- 5/8" x 1-3/4" N.F. hex.

1шт.

92-10

LOCK WASHER,5/8"

WASHER, LOCK, 5/8"

1шт.

25-1110

NUT,5/8"-18, G5

- 5/8" N.F. hex.

1шт.

95-10

WASHER,5/8"

- flat 5/8"

1шт.

8

F17760

CHANNEL - L.H., reinforcement (10 or 13 ft. header)

1шт.

14-512

BOLT,Hex, 5/16" - 24 x 3/4", Gr 5, Full Thd

1шт.

14-516

BOLT,Hex, 5/16" - 24 x 1", Gr 5, Full Thd

- 5/16" x 1" N.F. hex.

3шт.

25-115

NUT,5/16"-24, G5

- 5/16" NF hex

4шт.

92-5

LOCK WASHER,5/16"

4шт.

F19936

CHANNEL - L.H., reinforcement (14 ft. header)

1шт.

14-514

BOLT,Hex, 5/16" - 24 x 7/8", Gr 5, Full Thd

5шт.

25-115

NUT,5/16"-24, G5

- 5/16" NF hex

1шт.

92-5

LOCK WASHER,5/16"

5шт.

9

18837

DOOR SEAL

BRACKET - R.H. reinforcement channel (13 or 14 ft. hdr.) exh. then use F22938

1шт.

F22938

BRACKET - R.H. reinforcement channel (13 or 14 ft. hdr.) (Replaces F18837 when exh.)

1шт.

14-512

BOLT,Hex, 5/16" - 24 x 3/4", Gr 5, Full Thd

2шт.

25-115

NUT,5/16"-24, G5

- 5/16" NF hex

2шт.

92-5

LOCK WASHER,5/16"

2шт.

10

F82638

CHANNEL - R.H., reinforcement (10 ft. header)

1шт.

F82618

CHANNEL - R.H., reinforcement (13 or 14 ft. header)

1шт.

75-410

SCREW,Rd, 1/4" - 20 x 5/8"

- 1/4" x 5/8" N.C. machine

2шт.

75-412

SCREW,Rd, 1/4" x 3/4"

- 1/4" x 3/4" N.C. machine

2шт.

25-104

NUT,1/4"-20, G5

4шт.

92-4

LOCK WASHER,1/4"

WASHER, LOCK, 1/4"

4шт.

12-612

BOLT - 3/8" x 3/4" rhd. short sq. nk.

2шт.

25-106

NUT,3/8"-16, G5

- 3/8" N.C. hex.

2шт.

92-6

LOCK WASHER,3/8"

2шт.

14-612

BOLT,Hex, 3/8" - 24 x 3/4", Gr 5, Full Thd

2шт.

25-116

NUT,Hex, 3/8"-24, G5

- 3/8" N.F. hex.

2шт.

92-6

LOCK WASHER,3/8"

2шт.

195-25

WASHER,3/8"

- flat 3/8"

2шт.

11

F18842

SCREW

REINFORCEMENT - for R.H. channel

1шт.

14-512

BOLT,Hex, 5/16" - 24 x 3/4", Gr 5, Full Thd

Nut (25-115) L.W. (92-5) Hex, 5/16"-24 x 3/4", G5, Full Thd

2шт.

14-612

BOLT,Hex, 3/8" - 24 x 3/4", Gr 5, Full Thd

Nut (25-116) L.W. (92-6) Hex, 3/8"-24 x 3/4", G5, Full Thd

2шт.

12

F18843

GUSSET - support, R.H. channel

1шт.

14-612

BOLT,Hex, 3/8" - 24 x 3/4", Gr 5, Full Thd

Nut (25-116) L.W. (92-6) Hex, 3/8"-24 x 3/4", G5, Full Thd

3шт.

13

F18845

SHAFT - sickle drive

1шт.

14

O4746TF

KEY - tapered

1шт.

15

F62225

FLANGE

3шт.

11-616

CARRIAGE BOLT,Short NK, 3/8"-16 x 1", G2

BOLT, CARRIAGE, , Nut (25-116) L.W. (92-6) Short NK, 3/8"-16 x 1", G2

3шт.

16

F19270

FLANGE

TTE

1шт.

14-616

BOLT,Hex, 3/8" - 24 x 1", Gr 5

- 3/8" x 1" N.F. hex., nut (25-116) L.W. (92-6)

3шт.

17

1443CKA

BALL BEARING

BEARING

3шт.

18

F62234

COLLAR

1шт.

19

F82633

PLATE ASSY.

PLATE - bearing, sickle Pitman

1шт.

25-1514

JAM NUT,Jam, 7/8"-14, G5

- 7/8" N.F. hex. jam

1шт.

20

F83078

SHEAVE - sickle drive, driven

1шт.

21

F18846

SCREW

PIN

1шт.

F16867

BELT

Sickle Drive, 10 Foot Header

1шт.

F9659

V-BELT

Sickle Drive, 13 Foot Header

1шт.

F19939

BELT

"V" BELT - sickle drive (14 ft. header)

1шт.

22

F82624

BRACKET - lower support, sickle drive

1шт.

14-616

BOLT,Hex, 3/8" - 24 x 1", Gr 5

- 3/8" x 1" N.F. hex., nut (25-116) L.W. (92-6)

4шт.

23

F18847

SHIELD - sickle drive belt

1шт.

73-412

SCREW,Slotted Flat Hd, 1/4"-20 x 3/4"

- 1/4" x 3/4" N.C. machine

2шт.

25-104

NUT,1/4"-20, G5

L.W. (92-4) fl. wshr. (195-18) 1/4"-20, G5

2шт.

14-512

BOLT,Hex, 5/16" - 24 x 3/4", Gr 5, Full Thd

2шт.

25-115

NUT,5/16"-24, G5

- 5/16" NF hex and L.W. (92-5)

2шт.

24

F84800

SHIELD - sickle drive belt

1шт.

14-48

BOLT,Hex, 1/4" - 28 x 1/2", Gr 5

Nut (25-114), L.W. (92-4) Hex, 1/4"-28 x 1/2", G5, Full Thd

1шт.

73-412

SCREW,Slotted Flat Hd, 1/4"-20 x 3/4"

- 1/4" x 3/4" N.C. machine

2шт.

25-104

NUT,1/4"-20, G5

L.W. (92-4) fl. wshr. (95-4) 1/4"-20, G5

2шт.

14-512

BOLT,Hex, 5/16" - 24 x 3/4", Gr 5, Full Thd

Nut (25-115) L.W. (92-5) Hex, 5/16"-24 x 3/4", G5, Full Thd

3шт.

25

F82599

PITMAN - sickle drive (10 ft. header)

1шт.

F82634

PITMAN

- sickle drive (13 ft. header)

1шт.

F83066

PITMAN - sickle drive (14 ft. header)

1шт.

26

F82510

BRACKET - idler (Exh. then use F89323)

1шт.

F89323

BRACKET - idler (Replaces F82510 when exh.)

1шт.

14-512

BOLT,Hex, 5/16" - 24 x 3/4", Gr 5, Full Thd

1шт.

14-516

BOLT,Hex, 5/16" - 24 x 1", Gr 5, Full Thd

- 5/16" x 1" N.F. hex.

3шт.

25-115

NUT,5/16"-24, G5

- 5/16" NF hex and lockwasher

4шт.

27

F91937

SWAYBAR - (#8334601 and after)

1шт.

28

F18851

BUSHING

- rubber

1шт.

29

F18852

RUBBER BUSHING

PIVOT - center

2шт.

30

F18853

SPACER

- center

1шт.

31

F8370

BALL

1шт.

32

F23106

COVER

- dust

1шт.

F82630

SWAYBAR (Before #8334601) (Includes ref. 28, 29, 30, and 31 only)

1шт.

13-14112

BOLT,Hex, 7/8" - 9 x 7", Gr 5

- 7/8" x 7" N.C. hex., grade 5

1шт.

25-1014

NUT,7/8"-9, G5

1шт.

25-1414

NUT,Jam, 7/8"-9, G5

- 7/8" N.C. hex. jam

1шт.

95-14

WASHER,7/8"

- flat 7/8"

2шт.

33

A31215

WASHER

- swaybar bolt

2шт.

34

F1584

NUT - adjusting

1шт.

35

F18494

BOLT - adjusting, for sickle drive belt

1шт.

Выбрано товаров: 116