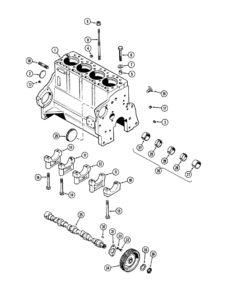
Запчасти Case IH 660 (370) - CYLINDER BLOCK ASSEMBLY, (188) DIESEL ENGINE, FOR NARROW FLANGED SLEEVES, USED PRIOR TO S/N 2610997

Схема запчастей Case IH 660 - (370) - CYLINDER BLOCK ASSEMBLY, (188) DIESEL ENGINE, FOR NARROW FLANGED SLEEVES, USED PRIOR TO S/N 2610997
17
1
12
32
11
5
15
19
27
6
4
7
26
34
35
25
30
10
28
27
29
14
13
33
17
36
11
31
3
9
20
2
14
8
18
28
FIT
1:1
100%

Артикул

Название

Примечание

Количество

1

A40592

BLOCK ASSY. - cylinder, short (Not illust.) (Incl. stripped block, crankshaft & brgs., camshaft, timing gears, piston assy., connecting rods & brgs. & oil pump assy.)

1шт.

1

A40590

BLOCK ASSY. - cylinder, stripped

1шт.

2

A39241

PLUG,Exp, 2.12" dia

- camshaft hole (2-1/8" exp.)

1шт.

3

G49070

PLUG

- oil gallery, front, drilled

1шт.

4

221-32

PLUG,Sq Soc, 3/8"-18 NPTF

- water jacket (3/8" P.T., ctsk. sckt. hd.)

1шт.

5

G49608

RING

DOWEL - ring, head locating (17/32 x 3/4 x 7/8")

2шт.

6

A35370

BOLT

BOLT - cyl. head (1/2 x 4" N.C. hex)

4шт.

For cyl. head bolt replacement order 4-A36904, 11-A36902, 2-A36905 and 2-A36903 studs and 19-A37030 flanged nuts.

1шт.

6

A35371

BOLT

- cyl. hd. (1/2 x 5" N.C. hex)

11шт.

For cyl. head bolt replacement order 4-A36904, 11-A36902, 2-A36905 and 2-A36903 studs and 19-A37030 flanged nuts.

1шт.

6

A35372

BOLT (SPREADER)

BOLT - cyl. hd. (1/2 x 5-1/2" N.C. hex)

2шт.

For cyl. head bolt replacement order 4-A36904, 11-A36902, 2-A36905 and 2-A36903 studs and 19-A37030 flanged nuts.

1шт.

7

A37029

WASHER

- cyl. hd. bolt

17шт.

8

A36903

STUD

- cyl. head and cover

2шт.

9

A36906

NUT

- cyl. head stud (1/2" N.C. hex)

2шт.

10

G2126

CAP

- main brg., front

1шт.

11

G2128

CAP

- main brg., intermediate

2шт.

12

G2127

CAP

- main brg., center

1шт.

13

G2129

CAP

- main brg., rear

1шт.

14

G49078

BOLT - brg. caps (1/2 x 4-1/2" N.C. spec.)

8шт.

15

G49077

BOLT

- frt. brg. cap (1/2 x 5-1/8" N.C. spec.)

2шт.

A41232

KIT

BUSHING KIT - camshaft (See item 26)

1шт.

17

217-433

PLUG,Hex Soc, 1/4" - 18 NPTF

- oil gallery (1/4" P.T., ctsk. sckt. hd.)

2шт.

18

A29365

STUD - engine (5/8" N.C./N.F. x 2-1/2")

2шт.

19

217-103

COCK, DRAIN

COCK - drain, engine block

1шт.

20

A29268

PLUG

COVER - pump hole

1шт.

25

A36853

X

CAMSHAFT

1шт.

26

A41232

KIT

BUSHING SET - camshaft, Serial Range: (Reamed-size)

1шт.

27

NSS

NOT SOLD SEPARAT

BUSHING - front & rear (1-7/32" wide), camshaft

2шт.

28

NSS

NOT SOLD SEPARAT

BUSHING - intermediate (1/2" wide), camshaft

2шт.

29

NSS

NOT SOLD SEPARAT

BUSHING - center (23/32" wide), camshaft

1шт.

30

126-12

WOODRUFF KEY,#6, 5/32" x 5/8"

Camshaft gear #6, 5/32" x 5/8"

1шт.

31

A29290

PLATE

- thrust, camshaft

1шт.

32

A30056

SCREW,Hex, 5/16" - 18 x 1/2"

BOLT - thrust plate, camshaft

2шт.

33

193-9

LOCK WASHER,Ext Tooth, 5/16"

WASHER, LOCK, , Camshaft Ext Tooth, 5/16"

2шт.

34

G2066

X

GEAR - camshaft

1шт.

35

A29438

LOCK NUT

WASHER - tab, camshaft nut lock

1шт.

36

A30063

NUT

-, Serial Range: gear-camshaft

1шт.

Выбрано товаров: 38