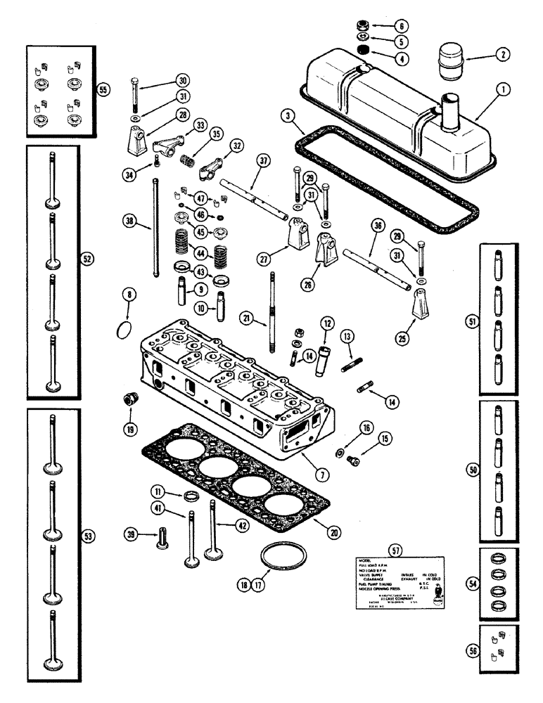
Запчасти Case IH 660 (380) - CYLINDER HEAD ASSEMBLY, 188 DIESEL ENGINE, USED PRIOR TO SERIAL NUMBER 2627377

Схема запчастей Case IH 660 - (380) - CYLINDER HEAD ASSEMBLY, 188 DIESEL ENGINE, USED PRIOR TO SERIAL NUMBER 2627377
21
12
20
14
30
31
43
28
47
11
3
15
41
7
35
53
9
6
18
32
42
5
1
29
56
14
55
45
25
54
52
8
4
34
10
39
27
44
31
36
33
29
51
46
2
13
16
19
37
57
26
17
31
50
38
FIT
1:1
100%

Артикул

Название

Примечание

Количество

1

G37060

COVER - cylinder head

1шт.

2

A36608

CAP

- oil filler & breather

1шт.

3

G46866

GASKET

- cylinder head cover

1шт.

4

G46867

GROMMET

- cover (13/32 x 1-1/4 x 3/8" rubber)

2шт.

5

G49400

WASHER

- cover (13/32 x 1-5/32 x 10 Ga.)

2шт.

6

25-106

NUT,3/8"-16, G5

- 3/8" N.C. hex

2шт.

7

A36880

HEAD ASSY. - cylinder (Casting no. A36876)

1шт.

8

A30036

PLUG

- rear (1-3/4" expansion)

1шт.

9

NSS

NOT SOLD SEPARAT

GUIDE - exhaust valve (See ref. 50)

4шт.

10

NSS

NOT SOLD SEPARAT

GUIDE - intake valve (See ref. 51)

4шт.

11

NSS

NOT SOLD SEPARAT

INSERT - exhaust valve seat (See ref. 54)

4шт.

12

G11724

LINER

SLEEVE - fuel injector

4шт.

13

A35175

STUD

- manifold clamp (3/8" N.C. x 2-7/16")

6шт.

14

A29431

STUD

- manifold & inj. (3/8" N.C. x 1-3/4")

12шт.

15

G49083

BOLT

- timing gear cover

1шт.

16

193-77

LOCK WASHER,Int Tooth, 1/2"

WASHER - (1/2" ext. skpf.)

1шт.

17

A36900

RING, PISTON

RING - fire (Color coded orange) (See ref. 18)

4шт.

18

A37031

RING

- fire (Oversize) (Color coded black)

4шт.

19

A30136

ADAPTER

- heat gauge bulb

1шт.

20

A36877

GASKET

- cylinder head

1шт.

21

A36903

STUD

- head & cover

2шт.

25

G2100

BRACKET

- rocker shaft, front

1шт.

26

G2101

BRACKET

- rocker shaft, center

1шт.

27

G2102

BRACKET

- rocker shaft, intermediate

2шт.

28

A36615

BRACKET

- rocker shaft, rear

1шт.

29

13-656

BOLT,Hex, 3/8" - 16 x 3-1/2", Gr 5

- bracket (3/8" x 3-1/2" N.C. hex)

4шт.

30

G49067

BOLT

- rear bracket (3/8 x 3-1/2" N.C. hex spec.)

1шт.

31

A30058

WASHER

- bracket bolts (13/32 x 7/8 x 1/8")

5шт.

32

G45770

ARM

ASSY. - rocker, right hand (Incl. item 34)

4шт.

33

G45771

ARM

ASSY. - rocker, left hand (Incl. item 34)

4шт.

34

G49075

ADJUSTMENT SCREW,3/8" - 24 x 0.50"

- adjusting, rocker arm

1шт.

35

G48501

SPRING

- rocker shaft

4шт.

36

G11743

SHAFT

- rocker arm, front

1шт.

37

G11747

X

SHAFT - rocker arm, rear

1шт.

38

G47079

ROD

- push

8шт.

39

G47077

TAPPET

- valve

8шт.

41

NSS

NOT SOLD SEPARAT

VALVE - exhaust (See ref. 52)

4шт.

42

NSS

NOT SOLD SEPARAT

VALVE - intake (See ref. 53)

4шт.

43

G49065

SEAT

- valve spring

8шт.

44

A30025

SPRING

- valve (2-3/8" free length)

8шт.

45

NSS

NOT SOLD SEPARAT

RETAINER - valve spring (See ref. 55)

8шт.

46

G46851

SEAL

- valve stem (19/64 x 27/64 x 5/64" rubber)

8шт.

47

NSS

NOT SOLD SEPARAT

LOCK - valve spring keeper (See ref. 56)

16шт.

50

G11946

GUIDE

KIT - exhaust valve (Set of 4)

1шт.

51

G11945

GUIDE

KIT - intake valve (Set of 4)

1шт.

52

G11948

KIT

VALVE KIT - exhaust (Set of 4)

1шт.

53

G11947

VALVE

KIT - intake (Set of 4)

1шт.

54

G11986

KIT

INSERT KIT - exhaust valve (Set of 4)

1шт.

55

G11927

RETAINER

KIT - valve spring, w/locks (Set of 4 retainers & 8 locks)

2шт.

56

G11929

LOCK

KIT - valve keepers (Set of 4)

4шт.

57

321-886

DECAL - engine data

1шт.

Выбрано товаров: 51