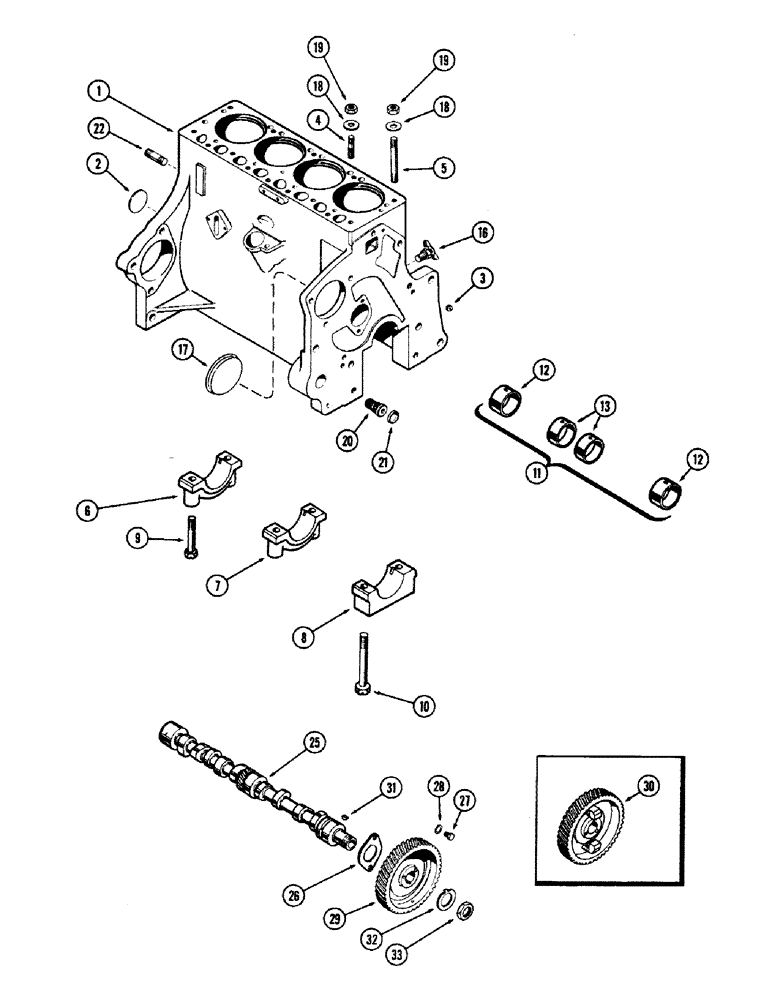
Запчасти Case IH 660 (392) - CYLINDER BLOCK ASSEMBLY, 201 SPARK IGNITION ENGINE, FIRST USED ENGINE SERIAL NUMBER 2615012

Схема запчастей Case IH 660 - (392) - CYLINDER BLOCK ASSEMBLY, 201 SPARK IGNITION ENGINE, FIRST USED ENGINE SERIAL NUMBER 2615012
20
2
10
27
7
9
25
18
13
26
19
5
32
19
28
17
31
29
4
30
6
22
12
18
21
3
8
1
11
12
33
16
FIT
1:1
100%

Артикул

Название

Примечание

Количество

A40970

BLOCK

ASSY. - short (Incl. stripped block, crankshaft & brgs., camshaft, timing gears, oil pump, piston assy., conn. rods & brgs.)

1шт.

1

A40971

SKELETON ENGINE

BLOCK ASSY. - stripped

1шт.

2

A39241

PLUG,Exp, 2.12" dia

- camshaft hole (2-1/8" expansion)

1шт.

3

217-433

PLUG,Hex Soc, 1/4" - 18 NPTF

- oil gallery (1/4" P.T., ctsk. sckt. hd.)

3шт.

4

A30057

STUD

- cyl. hd. (1/2" N.C./N.F. x 2")

3шт.

5

A29436

STUD

- cyl. hd. (1/2" N.C./N.F. x 5-13/16")

14шт.

6

G2062

CAP - crankshaft main brg., rear

1шт.

7

G2060

CAP - crankshaft main brg., center

1шт.

8

G2059

CAP - crankshaft main brg., front

1шт.

9

G19038

BOLT - rear and center brg. caps (1/2" x 3-3/8" N.C. spec)

4шт.

10

G49059

BOLT

- front brg. cap (1/2" x 4-3/4" N.C. spec.)

2шт.

11

A41229

BUSHING

SET - camshaft (Replaces A36509) (Reamed to size)

1шт.

12

NSS

NOT SOLD SEPARAT

BUSHING - front and rear (1-7/32" wide)

2шт.

13

NSS

NOT SOLD SEPARAT

BUSHING - center (1/2" wide)

2шт.

16

217-103

COCK, DRAIN

COCK - drain, cylinder block

1шт.

17

A29268

PLUG

COVER - power steering pump hole

1шт.

18

G49404

WASHER

- cylinder head studs (17/32" x 27/32" x 1/16")

17шт.

19

A300321

NUT - cylinder head studs (1/2" N.F. hex spec.)

17шт.

20

A153552

ADAPTER

-, Serial Range: filter-block

1шт.

21

41-1016

PLUG,Cup, 1"

- oil filter hole (1" cup type)

1шт.

22

A29365

STUD - engine mounting (5/8" N.C. x 3")

2шт.

25

G2091

CAMSHAFT

1шт.

26

A29290

PLATE

- thrust, camshaft

1шт.

27

A30056

SCREW,Hex, 5/16" - 18 x 1/2"

BOLT - plate (5/16" x 1/2" N.C. spec.), camshaft

2шт.

28

193-9

LOCK WASHER,Ext Tooth, 5/16"

WASHER, LOCK, , Camshaft Ext Tooth, 5/16"

2шт.

29

A38023

GEAR - camshaft timing (For eng. w/belt driven governor) (1st used eng. ser. no. 2616145)

1шт.

30

G37066

GEAR

- camshaft timing (With governor weights) (Used prior to eng. ser. no. 2616145)

1шт.

31

126-12

WOODRUFF KEY,#6, 5/32" x 5/8"

Timing gear, camshaft #6, 5/32" x 5/8"

1шт.

32

A29438

LOCK NUT

WASHER - tab, camshaft nut

1шт.

33

A30063

NUT

- timing gear retaining, camshaft

1шт.

Выбрано товаров: 30