Запчасти Case IH 660 (100) - BEATER AND BEATER WING EXTENSION KIT

Схема запчастей Case IH 660 - (100) - BEATER AND BEATER WING EXTENSION KIT
9
3
15
16
17
6
22
18
11
10
20
7
12
1
19
25
8
5
23
13
2
21
24
14
FIT
1:1
100%

Артикул

Название

Примечание

Количество

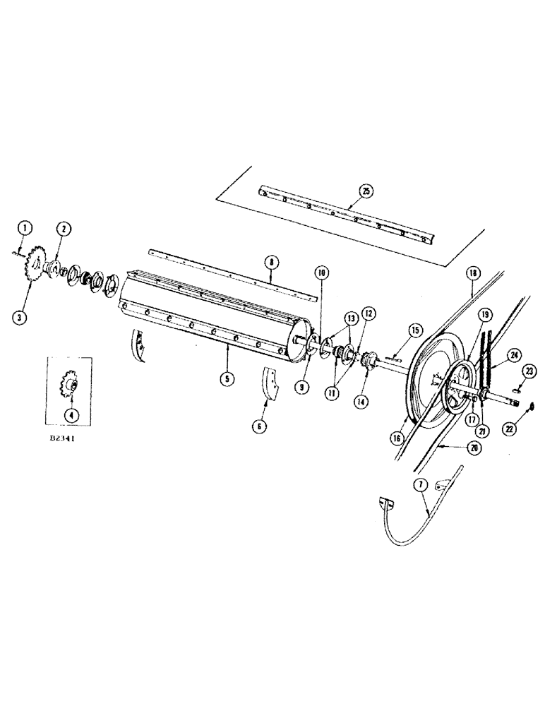
1

O30388HT

KEY

- gib, for ref. 2 hub

1шт.

2

F3406

HUB

- cyl. drive sprocket R.H. end

1шт.

3

F8978

SPROCKET - (33T) cylinder drive

1шт.

BOLT - 3/8" x 1-1/4" N.F. hex. (14-620) nut (25-116)

3шт.

4

F82610

SPROCKET - (17T and hub) cylinder drive (Slow cylinder speed - bean special) used in place of F3406 and F8978

1шт.

5

F82866

BEATER

- less shaft (Grain combine)

1шт.

KEY - #910 Hi-Pro (126-223)

1шт.

F82364

BEATER

- less shaft (660 special combine)

1шт.

KEY - #910 Hi-Pro (126-223)

1шт.

6

F82371

SHIELD - beater end

2шт.

BOLT - 1/4" x 5/8" N.C. hex. (13-410) L.W. (92-4)

6шт.

7

F81638

GUARD - belt, beater sheave

1шт.

BOLT - 5/16" x 3/4" N.F. hex. (14-512) nut (25-115)

3шт.

8

F18161

STRIP - (Rubber) beater wing (660 special combine)

4шт.

SCREW - 1/4" x 3/4" N.C. rhd. mach. (173-202) nut (129-101)

32шт.

WASHER - 1/4" flat (195-102) L.W. (192-19)

32шт.

9

F81313

RETAINER - beater bearing

2шт.

NUT - 1/2" N.C. hex. (25-108) L.W. (92-8)

8шт.

10

F21412

SHAFT - beater (Chain cylinder drive)

1шт.

F21964

SHAFT - beater (Variable speed cylinder drive)

1шт.

11

F77924

BEARING

2шт.

12

F62107

COLLAR

1шт.

13

F8944

FLANGE

- for F77924 bearing

4шт.

14

F83088

HUB AND SPROCKET - (16T) drives rocker arm crankshaft

1шт.

15

O30388HT

KEY

- gib, ref. 14 hub

1шт.

16

F82369

SHEAVE - beater drive

1шт.

17

14-632

BOLT,Hex, 3/8" - 24 x 2", Gr 5

- 3/8" x 2" N.F. hex.

5шт.

92-6

LOCK WASHER,3/8"

5шт.

18

F20061

BELT

"V" VELT - beater drive

1шт.

19

F82401

SHEAVE

- header drive (Exh. then use F1571)

1шт.

19

F1571

SHEAVE

- header drive (Replaces F82401 when exhausted)

1шт.

20

F22398

BELT

Header Drive, Replaces F17460 When Stocks are Exhausted

1шт.

F17460

BELT

"V" BELT - header drive (Replaced by F22398 when stocks are exhausted)

1шт.

21

F84377

SPROCKET - (26T) drive, grain elevator (Grain bin combines)

1шт.

22

R13338

SNAP RING,#150, Ext

Ring, Snap, , ref. 21 sprocket #150, Ext

2шт.

23

O8065HT

KEY

- ref. 21 sprocket

1шт.

24

N3412

X

CHAIN - grain elevator drive (Grain bin combines) NSS - see page 8

1шт.

25

F91867

EXTENSION - beater wing, extension kit

4шт.

NUT - 1/4" N.C. hex. (129-101) L.W. (192-19), beater wing extension kit

32шт.

Выбрано товаров: 39