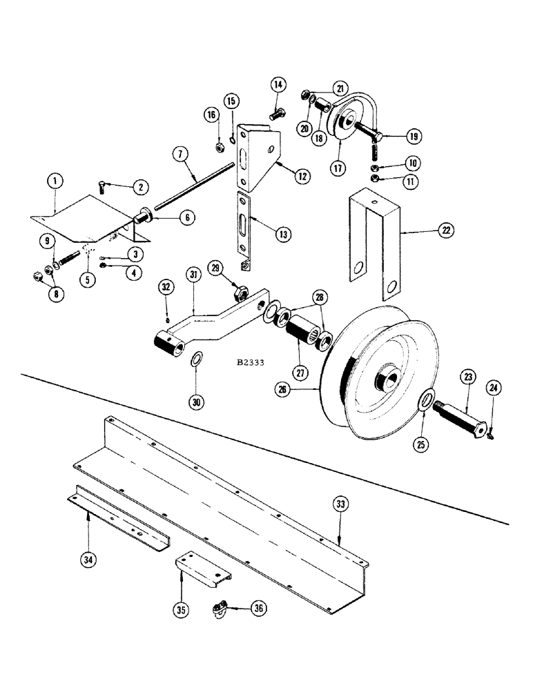
Запчасти Case IH 660 (106) - BELT TAKE UP ASSEMBLY

Схема запчастей Case IH 660 - (106) - BELT TAKE UP ASSEMBLY
31
19
6
3
35
25
27
9
26
18
13
36
30
16
8
12
17
29
15
5
21
32
2
20
4
23
10
24
7
11
28
1
33
22
14
34
FIT
1:1
100%

Артикул

Название

Примечание

Количество

1

F21966

BRACKET - spring (Grain combine)

1шт.

F21977

BRACKET - spring (660 special combine)

1шт.

2

14-412

BOLT,Hex, 1/4" - 28 x 3/4", Gr 5, Full Thd

- 1/4" x 3/4" N.F. hex.

2шт.

3

92-4

LOCK WASHER,1/4"

WASHER, LOCK, 1/4"

2шт.

4

25-114

NUT,1/4"-28, G5

- 1/4" N.F. hex.

2шт.

5

126EB

SPRING - compression

1шт.

6

F19583

BUSHING - plastic

1шт.

7

F21979

CABLE - idler (Grain combine)

1шт.

F21980

CABLE - idler (660 special combine)

1шт.

8

129-122

NUT,5/16"-24, G5

For cable 5/16"-24, G5

2шт.

9

O2584N

WASHER - cup, for cable

1шт.

10

131-3

LOCK NUT,5/16"-24, GB

NUT - 5/16" elastic stop, for cable

1шт.

11

129-122

NUT,5/16"-24, G5

For cable 5/16"-24, G5

1шт.

12

F21975

BRACKET - pulley (Grain combine)

1шт.

13

F22522

SUPPORT - pulley bracket

1шт.

14

14-612

BOLT,Hex, 3/8" - 24 x 3/4", Gr 5, Full Thd

For ref. 12 and ref. 13 Hex, 3/8"-24 x 3/4", G5, Full Thd

3шт.

15

92-6

LOCK WASHER,3/8"

3шт.

16

25-116

NUT,Hex, 3/8"-24, G5

- 3/8" N.F. hex.

3шт.

17

F1687

PULLEY - (Grain combine)

1шт.

18

F21028

BUSHING

- for F1687

1шт.

19

14-828

BOLT,Hex, 1/2" - 20 x 1-3/4", Gr 5

- 1/2" x 1-3/4" N.F. hex.

1шт.

20

92-8

LOCK WASHER,1/2"

1шт.

21

25-118

NUT,1/2"-20, G5

- 1/2" N.F. hex.

1шт.

22

F21992

STRAP - control

1шт.

23

F21994

SHAFT - idler

1шт.

24

219-1

LUBE NIPPLE,1/8" - 27 NPTF

FITTING - grease 1-1/8" str.

1шт.

25

F22171

WASHER

- (Replaces O3739CK when stocks are exhausted)

2шт.

O3739CK

X

WASHER - (Replaced by F22171 when stocks are exhausted)

2шт.

26

F84704

SHEAVE - take-up

1шт.

27

B18163

NEEDLE BEARING,1" ID x 1.4385" OD x 1.75"

BEARING - needle

1шт.

28

F12607

OIL SEAL

2шт.

29

131-37

LOCK NUT,3/4"-16

NUT - 3/4" N.F. stop, for Ref 23 shaft

1шт.

30

F62242

WASHER - for ref. 31 arm

1шт.

31

F84703

ARM - pivot

1шт.

32

219-8

LUBE NIPPLE,1/4" - 28 NPTF

NIPPLE, LUBE, 1/4"-28 NPT x .54" lg

1шт.

33

F22552

SHIELD - bracket (Bagger combines)

1шт.

186-60

SCREW - #10 x 1" rhd. wood

7шт.

34

F22553

BRACKET - pulley (Bagger combines)

1шт.

114-204

BOLT,Hex, 3/8" - 24 x 1-3/4", Gr 5

- 3/8" x 1-1/2" N.F. hex.

2шт.

192-21

LOCK WASHER,3/8"

WASHER, LOCK, 3/8"

2шт.

129-123

NUT,3/8"-24, G5

2шт.

35

F22554

SUPPORT - cable (Bagger combines)

1шт.

114-107

BOLT,Hex, 5/16" - 24 x 1-1/2", Gr 5

- 5/16" x 1-1/2" N.F. hex.

2шт.

192-20

LOCK WASHER,Helical Spring, 0.318" ID, CST, ZND

WASHER, LOCK, 5/16"

2шт.

129-122

NUT,5/16"-24, G5

2шт.

36

N5321

CLAMP - cable (Bagger combines)

1шт.

Выбрано товаров: 0