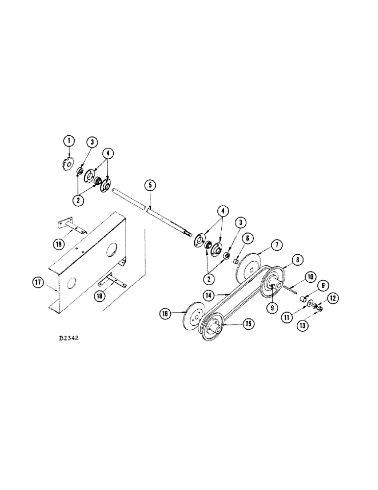
Запчасти Case IH 660 (112) - FAN DRIVE AND JACKSHAFT

Схема запчастей Case IH 660 - (112) - FAN DRIVE AND JACKSHAFT
13
19
5
2
18
14
3
10
1
6
15
4
4
6
12
11
3
17
8
16
9
7
2
FIT
1:1
100%

Артикул

Название

Примечание

Количество

1

F80859

SPROCKET - (11T) fan jackshaft drive (Grain combine)

1шт.

PIN - type "A-3" drive-loc 5/16" x 1-3/4" (135-368)

1шт.

1

F83362

SPROCKET - (10T) fan jackshaft drive (660 special)

1шт.

2

F94133

HOUSING ASSY.

BEARING - fan jackshaft

2шт.

3

F10138

COLLAR

1шт.

4

B18282

FLANGE

- bearing

4шт.

BOLT - 5/16" x 3/4" rhd. sq. nk. (11-512) nut (25-105)

6шт.

5

F21435

JACKSHAFT

- fan

1шт.

O906B

WASHER

- fan jackshaft

2шт.

6

B18238

SPACER - jackshaft

2шт.

7

F1697

SHEAVE HALF - inner, fan drive

1шт.

8

F1696

SHEAVE HALF - outer, fan drive

1шт.

9

219-1

LUBE NIPPLE,1/8" - 27 NPTF

FITTING - grease 1/8" str.

1шт.

10

F41422

KEY - fan drive, Serial Range: sheaves-jackshaft

1шт.

11

A15783

SPACER

WASHER - spacer

1шт.

12

25-1512

JAM NUT,Jam, 3/4"-10, G5

- 3/4" N.F. hex. jam

1шт.

13

25-1112

NUT,3/4"-16, G5

- 3/4" N.F. hex.

1шт.

14

F16080

V-BELT

Variable Speed, Fan Drive

1шт.

15

F1699

SHEAVE HALF - outer, fan drive (On fan shaft)

1шт.

178-817

SCREW - 1/4" x 1/2" N.C. socket hd. cone pt. set

1шт.

16

F1700

SHEAVE HALF - inner, fan drive (On fan shaft)

1шт.

17

F84761

SHIELD - fan belt (Special)

1шт.

BOLT - 5/16" x 3/4" N.F. hex. (114-102) nut (129-122)

2шт.

BOLT - 5/16" x 3/4" rhd. sq. nk. (111-202) L.W. (192-20)

2шт.

18

F83811

SUPPORT - front

1шт.

BOLT - 3/8" x 1" N.F. hex. (114-200) nut (129-123)

2шт.

19

F83812

SUPPORT - rear

1шт.

BOLT - 5/16" x 3/4" N.F. hex. (114-102) nut (129-122)

2шт.

Выбрано товаров: 28