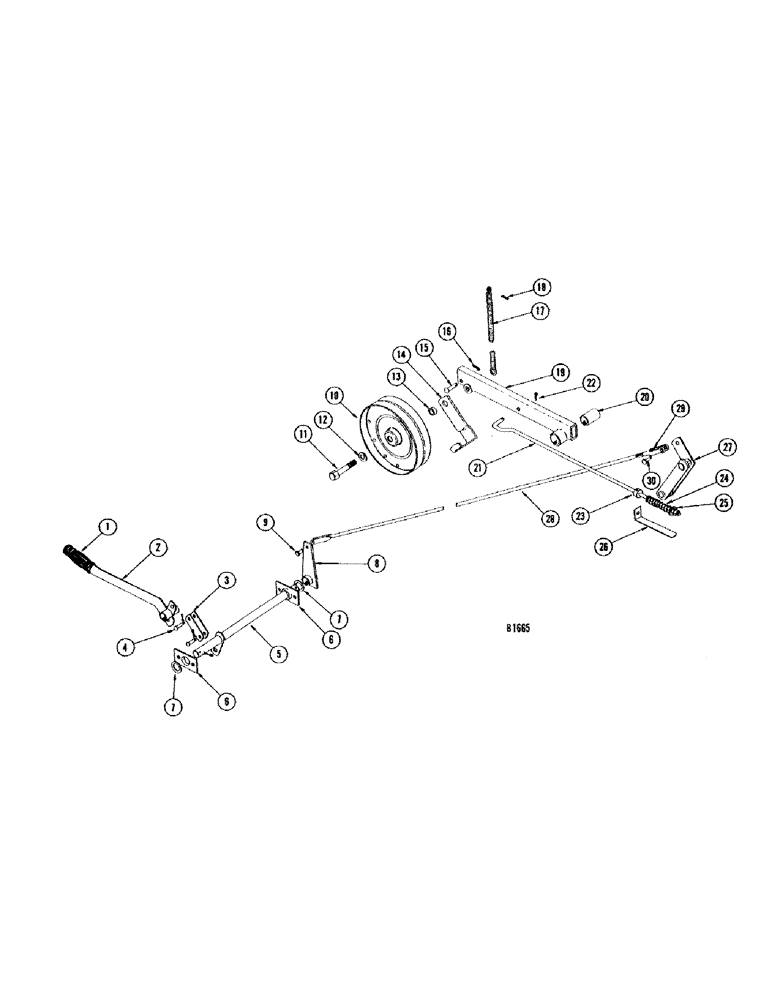
Запчасти Case IH 660 (117A) - MAIN COMBINE DRIVE TIGHTENER LINKAGE, BEATER DRIVE, NUMBER 8357001 AND AFTER

Схема запчастей Case IH 660 - (117A) - MAIN COMBINE DRIVE TIGHTENER LINKAGE, BEATER DRIVE, NUMBER 8357001 AND AFTER
4
6
12
7
3
25
17
22
5
16
2
23
7
18
1
14
24
15
10
9
20
21
26
11
27
19
6
29
26
8
13
FIT
1:1
100%

Артикул

Название

Примечание

Количество

1

F13011

SCREW

GRIP - hand

1шт.

2

F84363

LEVER - combine control

1шт.

86636814

LUBE NIPPLE,1/4"-28 x .52" lg

NIPPLE, LUBE, 1/4"-28 x .52" lg

2шт.

3

F21568

LINK - connecting

2шт.

4

B18213

PIN

2шт.

132-46

COTTER PIN,1/8" x 3/4"

Pin, Split (Cotter), 1/8" x 3/4"

2шт.

5

F84365

SHAFT - main drive throwout

1шт.

132-95

COTTER PIN,3/16" x 1 1/2"

Pin, Split (Cotter), 3/16" x 1 1/2"

1шт.

6

F17298

BRACKET - bearing

2шт.

14-510

SCREW,Hex, 5/16" - 24 x 5/8", Gr 5, Full Thd

BOLT, Hex, 5/16"-24 x 5/8", G5, Full Thd

4шт.

25-115

NUT,5/16"-24, G5

- 5/16" NF hex

4шт.

92-5

LOCK WASHER,5/16"

4шт.

7

O906B

WASHER

2шт.

8

F81663

ARM - combine control

1шт.

14-632

BOLT,Hex, 3/8" - 24 x 2", Gr 5

- 3/8" x 2" N.F. hex

1шт.

25-116

NUT,Hex, 3/8"-24, G5

- 3/8" N.F. hex

1шт.

92-6

LOCK WASHER,3/8"

1шт.

9

O1235HT

PIN - clevis, throwout, Serial Range: rod-arm

1шт.

132-45

COTTER PIN,1/8" x 5/8"

Pin, Split (Cotter), 1/8" x 5/8"

1шт.

10

F22692

PULLEY ASSY.

SHEAVE - idler, beater drive

1шт.

11

13-1048

BOLT,Hex, 5/8" - 11 x 3", Gr 5

1шт.

12

92-10

LOCK WASHER,5/8"

WASHER, LOCK, 5/8"

1шт.

13

A30936

SPACER - idler sheave

1шт.

14

F22691

PLOW BOLT

GUIDE - belt

1шт.

15

B18292

AXLE PIN

PIN - spring

1шт.

16

132-46

COTTER PIN,1/8" x 3/4"

Pin, Split (Cotter), 1/8" x 3/4"

1шт.

17

O2678N

SPRING

- tightener arm

1шт.

18

132-89

COTTER PIN,3/16" x 3/4"

Pin, Split (Cotter), 3/16" x 3/4"

1шт.

19

F94199

ARM - tightener

1шт.

20

F11666

BEARING

1шт.

21

F22693

PLOW BOLT

ROD - throwout

1шт.

9635082

NUT,5/16" - 18, Gr 5

- 5/16" N.C. hex

2шт.

22

132-25

COTTER PIN,3/32" x 5/8"

Pin, Split (Cotter), 3/32" x 5/8"

1шт.

23

F50255

COLLAR - throwout rod

1шт.

85-58

SET SCREW

SCREW - 5/16" x 1/2" N.C. sq. hd. set

1шт.

24

F17945

SPRING

- throwout rod

1шт.

25

O58BL

WASHER - throwout rod

2шт.

26

F17947

GAUGE

- spring, main drive throwout

1шт.

27

F81635

BELLCRANK - main drive

1шт.

86636814

LUBE NIPPLE,1/4"-28 x .52" lg

NIPPLE, LUBE, 1/4"-28 x .52" lg

1шт.

14-1040

BOLT,Hex, 5/8" - 18 x 2-1/2", Gr 5

- 5/8" x 2-1/2" N.F. hex

1шт.

86637932

JAM NUT,Jam, 5/8"-18, G5

NUT - 5/8" N.F. hex jam

1шт.

95-3

WASHER,#12

- 3/16" flat

1шт.

28

F81907

ROD - throwout

1шт.

25-115

NUT,5/16"-24, G5

- 5/16" NF hex

1шт.

29

213-3

ADJUSTABLE CLEVIS,5/16"-24

CLEVIS - bellcrank

1шт.

30

O5341CS

PIN - clevis

1шт.

132-45

COTTER PIN,1/8" x 5/8"

Pin, Split (Cotter), 1/8" x 5/8"

1шт.

Выбрано товаров: 48