Запчасти Case IH 660 (124) - ROCKER ARM SHAFT, FOR SHOE AND GRAIN PAN

Схема запчастей Case IH 660 - (124) - ROCKER ARM SHAFT, FOR SHOE AND GRAIN PAN
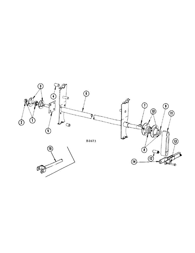
9
5
3
6
10
14
1
2
11
7
13
4
12
15
8
FIT
1:1
100%

Артикул

Название

Примечание

Количество

1

F82057

BEARING

- L.H. stub shaft

1шт.

2

F62108

COLLAR

1шт.

3

B18282

FLANGE

- for ref. 1 bearing

2шт.

BOLT - 5/16" x 3/4" N.C. rhd. sq. nk. (11-512) nut (25-105) and L.W. (92-5)

3шт.

4

F16080

V-BELT

Bushing, Rocker Shaft

2шт.

5

F81350

SHAFT - stub

1шт.

BOLT - 7/16" x 1-1/4" N.F. hex (14-720) nut (25-117) L.W. (97-7)

4шт.

6

F88433

SHAFT - rocker (Replaces F83848 when exhausted)

1шт.

F83848

SHAFT - rocker (Replaced by F88433 when exhausted)

1шт.

7

F22677

KEY

- rocker arm (Used with F88433)

1шт.

O8065HT

KEY

- rocker arm (Used with F83848)

1шт.

8

F77924

BEARING

- R.H. end of rocker shaft

1шт.

9

F62107

COLLAR

1шт.

10

F8944

FLANGE

- for ref. 8 bearing

2шт.

BOLT - 1/2" x 1-1/4" rhd. sq. nk. (11-820) nut (25-108)

4шт.

11

F81351

ARM

- rocker

1шт.

12

F17773

BUSHING

1шт.

NUT - 7/8" N.F. hex (25-1114) L.W. (92-14) fl. wshr. (95-14)

1шт.

13

F17005

SCREW

BOLT - pivot, rocker arm

1шт.

NUT - 5/8" N.F. slotted (25-1310)

1шт.

WASHER - 5/8" flat (195-41)

3шт.

PIN - cotter (132-50)

1шт.

14

F84893

PITMAN - shoe drive (Replaces F80887 when exhausted)

1шт.

15

F80887

PITMAN

- shoe drive (Replaced by F84893 when exhausted)

1шт.

Выбрано товаров: 24