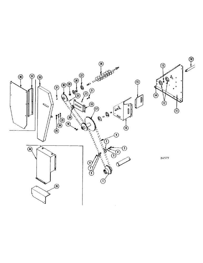
Запчасти Case IH 660 (134) - EDIBLE BEAN ELEVATOR DRIVE, GRAIN BIN COMBINES, NUMBER 8309001 AND AFTER

Схема запчастей Case IH 660 - (134) - EDIBLE BEAN ELEVATOR DRIVE, GRAIN BIN COMBINES, NUMBER 8309001 AND AFTER
36
32
30
4
24
21
23
27
3
20
16
6
13
25
15
31
18
22
12
34
10
5
9
2
35
28
26
37
19
14
7
33
29
8
11
17
1
FIT
1:1
100%

Артикул

Название

Примечание

Количество

1

F84377

SPROCKET - (26T) drive, grain elevator

1шт.

2

F7935

SPROCKET ASSY.

SPROCKET - (18T) tightener

1шт.

3

12-1040

BOLT - 5/8" x 2-1/2" rhd. sq. nk.

1шт.

4

O2287CS

WASHER - sq. hole

1шт.

F10566

SPACER - tightener sprocket

1шт.

6

195-41

WASHER,5/8"

- flat 5/8"

2шт.

7

92-10

LOCK WASHER,5/8"

WASHER, LOCK, 5/8"

1шт.

8

25-1010

NUT,5/8"-11, G5

1шт.

9

N3412

X

CHAIN - edible bean elevator drive (NSS - see page 6)

1шт.

10

F21539

JACKSHAFT - edible bean elevator drive

1шт.

11

F84904

BRACKET - inner

1шт.

BOLT - 1/4" x 3/8" N.F. hex (14-46) nut (25-114)

2шт.

BOLT - 3/8" x 3/4" N.F. hex (14-612) nut (25-116)

7шт.

12

B18282

FLANGE

- bearing

4шт.

BOLT - 5/16" x 3/4" rhd. sq. nk. (11-510) nut (25-105)

6шт.

13

F94134

HOUSING ASSY.

BEARING - jackshaft

2шт.

14

F52076

COLLAR

1шт.

15

F22208

BRACKET - stiffener, jackshaft

1шт.

BOLT - 3/8" x 3/4" N.F. hex (14-612) nut (25-116)

6шт.

16

F84905

BRACKET - outer

1шт.

17

F84906

SPROCKET - (20T and 35T) jackshaft drive, driven (Also drives leveling auger)

1шт.

PIN - cotter 3/16" x 1-3/4" (132-97)

1шт.

18

126-21

WOODRUFF KEY,#A, 1/4" x 7/8"

Ref. 17 sprocket #A, 1/4" x 7/8"

1шт.

19

F21529

BRACKET - tightener

1шт.

BOLT - 5/16" x 5/8" N.F. hex (14-510) nut (25-115)

4шт.

20

O3511CS

PULLEY

- idler

1шт.

21

12-852

BOLT - 1/2" x 3-1/4" rhd. short sq. nk.

1шт.

O2287CS

WASHER - sq. hole (Not shown - see ref. 26, page 130)

1шт.

22

A19391

SPACER - idler pulley

1шт.

23

195-33

WASHER,1/2"

- flat 1/2"

5шт.

24

92-8

LOCK WASHER,1/2"

1шт.

25

25-108

NUT,1/2"-13, G5

- 1/2" N.C. hex

1шт.

26

F84405

AUGER - leveling (Used with 660 special grain bin)

1шт.

F84409

AUGER - leveling (Used with standard grain bin)

1шт.

27

B18282

FLANGE

2шт.

BOLT - 5/16" x 3/4" rhd. sq. nk. (11-512) nut (25-105)

3шт.

28

F90306

BEARING ASSY

BEARING - L.H. end, leveling auger

1шт.

29

O4233CS

COLLAR

1шт.

30

F84910

SPROCKET - (44T) driven, leveling auger

1шт.

PIN - cotter 3/16" x 2-1/4" (132-101)

1шт.

31

126-21

WOODRUFF KEY,#A, 1/4" x 7/8"

Ref. 30 sprocket #A, 1/4" x 7/8"

1шт.

32

F84911

CHAIN - grain bin leveling auger (Used with 660 special grain bin) NSS - see page 7

1шт.

F84912

CHAIN - grain bin leveling auger (Used with standard grain bin) NSS - see page 6

1шт.

33

F84430

SHIELD - (660 special grain bin) (Deplete then use F94390)

1шт.

33

F94390

SHIELD - (660 special grain bin) (See F84430)

1шт.

BOLT - 1/4" x 5/8" N.F. hex (114-3) nut (129-121)

3шт.

34

F84431

SHIELD - upper, grain bin jackshaft chain (Used with standard grain bin)

1шт.

BOLT - 1/4" x 5/8" N.F. hex (114-3) nut (129-121)

3шт.

35

F22202

SHIELD - lower, grain bin jackshaft drive (Used with standard grain bin)

1шт.

BOLT - 1/4" x 5/8" N.F. hex (14-410) nut (25-114)

2шт.

36

F22142

SHIELD - leveling auger (Used with standard grain bin and 660 special elevator)

1шт.

37

F22141

SUPPORT - front and rear

2шт.

BOLT - 1/4" x 5/8" N.F. hex (114-3) nut (129-121)

4шт.

Выбрано товаров: 53