Запчасти Case IH 660 (144) - EDIBLE BEAN ELEVATOR

Схема запчастей Case IH 660 - (144) - EDIBLE BEAN ELEVATOR
5
31
24
11
19
30
33
15
27
32
2
23
6
21
7
22
16
18
29
35
28
20
4
17
9
14
34
26
1
3
8
13
12
25
10
36
FIT
1:1
100%

Артикул

Название

Примечание

Количество

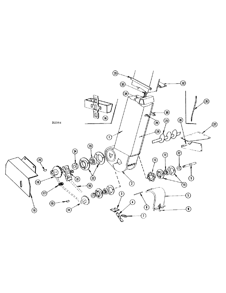
1

F84407

BODY - bean elevator (Used with standard grain bin)

1шт.

BOLT - 1/4" x 1/2" N.F. hex (14-48) nut (25-114)

20шт.

1

F84401

BODY - bean elevator (Used with 660 special grain bin)

1шт.

BOLT - 1/4" x 1/2" N.F. hex (14-48) nut (25-114)

16шт.

2

F82254

HEAD - lower (Used with standard grain bin)

1шт.

3

O314CS

BRACKET - latch handle

2шт.

RIVET - 3/16" x 5/16" W.B. hd. (49-35)

4шт.

4

O313CS

HANDLE - latch

1шт.

RIVET - 3/16" x 5/8" rhd. (45-310)

1шт.

F84403

HEAD - lower (Used with 660 special grain bin)

1шт.

BOLT - 1/4" x 1/2" rhd. short sq. nk. (12-48) nut (25-104)

12шт.

5

F82259

DOOR - lower head (Used with standard grain bin)

1шт.

5

F82265

DOOR - lower head (Used with 660 special grain bin) (Includes ref. 32 and 33)

1шт.

5

F82224

DOOR - lower head (Special - perforated) can be used in place of F82259

1шт.

5

F83188

DOOR - lower head (Special - perforated) can be used in place of F82265

1шт.

6

O315CS

HOOK - latch

1шт.

7

O316CS

SPRING - latch handle

1шт.

8

F18296

ROD

- hinge, lower head door

1шт.

9

F21617

SHAFT - lower

1шт.

10

B18282

FLANGE

4шт.

BOLT - 5/16" x 3/4" rhd. sq. nk. (11-512) nut (25-105)

6шт.

11

F94134

HOUSING ASSY.

BEARING - lower shaft

2шт.

12

F52076

COLLAR

1шт.

13

51B

SPROCKET ASSY.

SPROCKET - (7T) lower shaft

1шт.

KEY - "A" Woodruff (126-21)

1шт.

PIN - cotter 3/16" x 2" (132-99)

1шт.

14

F79467

SPROCKET ASSY.

SPROCKET - (30T) drive, cross auger

1шт.

PIN - cotter 7/16" x 2-1/4" (132-101)

1шт.

15

126-21

WOODRUFF KEY,#A, 1/4" x 7/8"

Ref. 14 sprocket #A, 1/4" x 7/8"

1шт.

16

F21629

X

CHAIN - cross auger drive (Used with standard grain bin) (NSS - see page 7)

1шт.

16

F21622

X

CHAIN - cross auger drive (Used with 660 special grain bin) (NSS - see page 7)

1шт.

17

2181/2B

BLOCK - (Wood) idler, cross auger drive chain

1шт.

BOLT - 5/16" x 2-3/4" rhd. sq. nk. (11-544) nut (25-115)

1шт.

WASHER - 5/16" flat (95-5) L.W. (92-5)

1шт.

18

F21628

SHIELD - cross auger chain (Used with standard grain bin)

1шт.

BOLT - 1/4" x 5/8" rhd. sq. shank (12-410) nut (25-104)

2шт.

18

F21623

SHIELD - cross auger chain (Used with 660 special grain bin)

1шт.

BOLT - 1/4" x 5/8" rhd. sq. shank (12-410) nut (25-104)

2шт.

19

F91280

SPROCKET - (18T) drive, cross auger, driven

1шт.

PIN - cotter 3/16" x 2-1/4" (132-101)

1шт.

20

126-21

WOODRUFF KEY,#A, 1/4" x 7/8"

For ref. 19 sprocket #A, 1/4" x 7/8"

1шт.

21

F21626

BRACKET - idler (Used with standard grain bin)

1шт.

BOLT - 5/16" x 7/8" rhd. sq. nk. (11-514) nut (25-105)

6шт.

22

B18282

FLANGE

2шт.

BOLT - 5/16" x 3/4" rhd. sq. nk. (11-512) nut (25-105)

3шт.

23

F94134

HOUSING ASSY.

BEARING - cross auger

1шт.

24

F52076

COLLAR

1шт.

25

F84408

AUGER - cross (Used with standard grain bin)

1шт.

26

F18325

SUPPORT - lower (Used with 660 special grain bin)

1шт.

BOLT - 5/16" x 3/4" N.F. hex (14-512) nut (25-115)

2шт.

27

F18326

CYLINDER END CAP

PLATE - support, lower (Used with 660 special grain bin)

1шт.

BOLT - 5/16" x 3/4" N.F. hex (14-512) nut (25-115)

6шт.

28

F18250

SHEET - bottom, elevator body

1шт.

BOLT - 1/4" x 1/2" N.F. hex (14-48) nut (25-114)

21шт.

29

F18379

BEARING

CLIP - support angle, ref. 30 (Used to cover alternate bolt hole when elevator is adjusted in position for 660 special grain bin)

1шт.

BOLT - 5/16" x 3/4" N.F. hex (14-512) nut (25-115)

2шт.

30

F21616

ANGLE - support (For adjusting elevator when used with standard grain bin or 660 special grain bin)

1шт.

BOLT - 1/4" x 5/8" N.F. hex (14-410) nut (25-114)

2шт.

BOLT - 5/16" x 3/4" rhd. sq. nk. (11-512) nut (25-105)

1шт.

31

F21859

ROD - support

1шт.

NUT - 5/16" N.C. hex (129-102) L.W. (192-20)

4шт.

32

F18305

BRACKET - upper (Used with standard grain bin)

1шт.

BOLT - 5/16" x 3/4" N.F. hex (14-512) nut (25-115)

2шт.

33

F18304

STRAP - upper bracket (Used with standard grain bin)

1шт.

BOLT - 5/16" x 9" N.F. hex (14-5144) nut (25-115)

2шт.

34

F82248

DIVIDER - elevator body

1шт.

BOLT - 1/4" x 1/2" N.F. hex (14-48) nut (25-114)

18шт.

35

F82257

CHAIN - elevator (#55) (Consists of 50-F82282 cups and 1-235-83 coupler link) (Deplete then use F94359)

1шт.

35

F94359

CHAIN (AG)

CHAIN - elevator (CA550) (Consists of 49-F21357 cup, 98-49-48 rivet, 2-F10673 offset link, 1-F54319 conn. link) (See F82257 for #55 chain)

1шт.

F21357

CARRIAGE BOLT

CUP - elevator

1шт.

49-48

RIVET,Truss Hd, 1/4" x 1/2"

- 1/4" x 1/2" W.B.

1шт.

F54319

LINK

- connecting (CA550)

1шт.

F10673

LINK

- offset (CA550)

2шт.

F10818

LINK

- plain roller (CA550)

1шт.

36

F82282

CUP - (#55 chain) (Includes 1-cup riveted to 235-51 attach. link and 2-#55 plain links)

1шт.

Выбрано товаров: 75