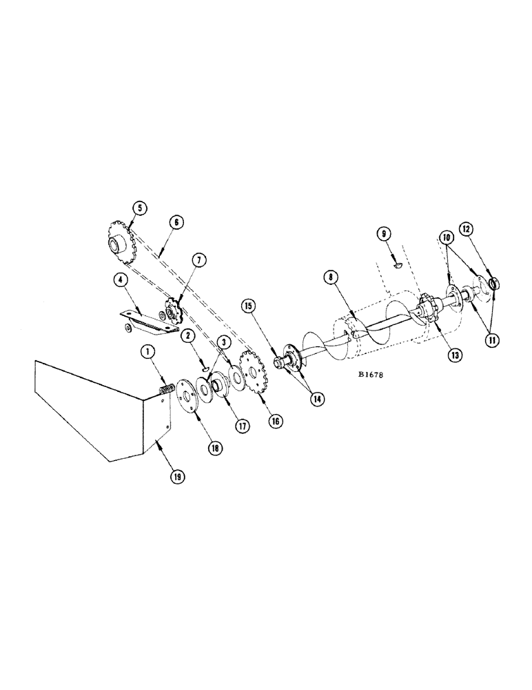
Запчасти Case IH 660 (174) - GRAIN AUGER AND DRIVE, BAGGER COMBINES

Схема запчастей Case IH 660 - (174) - GRAIN AUGER AND DRIVE, BAGGER COMBINES
15
14
6
11
9
16
18
13
1
7
17
8
5
3
19
2
4
10
12
FIT
1:1
100%

Артикул

Название

Примечание

Количество

1

F60482

SPRING

- slip clutch

4шт.

2

126-121

WOODRUFF KEY,#A, 1/4" x 7/8", HT

Ref. 17 hub to auger #A, 1/4" x 7/8", HT

1шт.

3

F82060

SET

FACING - clutch (Set of 2)

1шт.

4

F16966

BRACKET - idler, grain auger drive

1шт.

BOLT - 3/8" x 7/8" N.F. hex (14-614) nut (25-116) L.W. (92-6)

2шт.

5

F80863

SPROCKET - (18T) grain elevator drive (On rocker arm crankshaft)

1шт.

KEY - "A" Woodruff (126-121)

1шт.

6

F20964

X

CHAIN - grain elevator drive (NSS - see page 7)

1шт.

7

F8659

SPROCKET - (11T) idler, grain elevator drive

1шт.

BOLT - 5/8" x 2-1/4" N.F. hex (14-1036) nut (25-1110)

1шт.

WASHER - 5/8" flat (95-10)

2шт.

8

F81611

AUGER - grain

1шт.

PIN - cotter, 3/16" x 1-1/4" (132-93)

2шт.

9

126-121

WOODRUFF KEY,#A, 1/4" x 7/8", HT

Ref. 13 sprocket to auger #A, 1/4" x 7/8", HT

1шт.

10

B18282

FLANGE

2шт.

BOLT - 5/16" x 3/4" rhd. sq. nk. (11-512) nut (25-105)

3шт.

11

F94134

HOUSING ASSY.

BEARING - R.H. end grain auger shaft

1шт.

12

F52076

COLLAR

1шт.

13

51B

SPROCKET ASSY.

SPROCKET - (7T) grain elevator drive

1шт.

PIN - cotter, 3/16" x 1-1/34" (132-97)

1шт.

14

F78749

COLLAR

BEARING - L.H. end auger shaft

1шт.

15

F52076

COLLAR

1шт.

BOLT - 5/16" x 3/4" rhd. sq. nk. (11-512) nut (25-105)

2шт.

16

F20965

SPROCKET - (16T) auger drive slip clutch

1шт.

17

F1418

HUB - slip clutch drive

1шт.

18

F16421

PLATE - pressure

1шт.

BOLT - 5/16" x 3" N.F. hex (14-548) fl. wshr. (195-21)

4шт.

19

F17137

SHIELD - grain auger drive slip clutch

1шт.

BOLT - 1/4" x 1/2" N.F. hex (14-48) nut (25-114) L.W. (92-4)

4шт.

Выбрано товаров: 29