Запчасти Case IH 800 (076) - BEATER DRIVE TIGHTENER (55) - ELECTRICAL SYSTEMS

Схема запчастей Case IH 800 - (076) - BEATER DRIVE TIGHTENER (55) - ELECTRICAL SYSTEMS
FIT
1:1
100%

Артикул

Название

Примечание

Количество

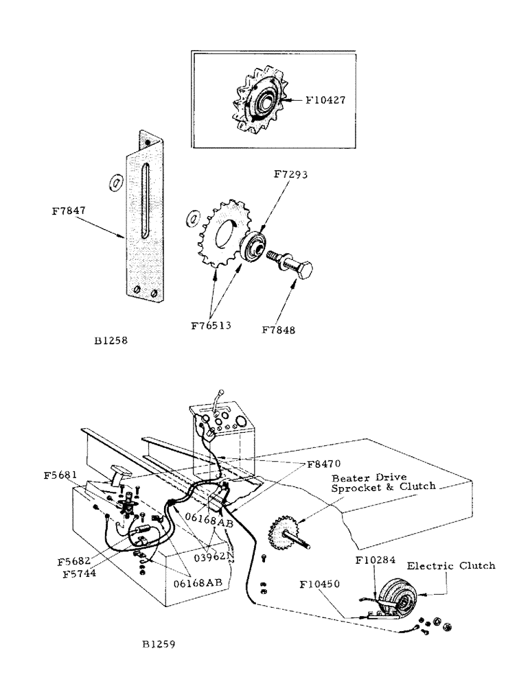
F7293

BEARING

(Fafnir #203PP6) for F76513 sprocket

1шт.

F7847

BRACKET - tightener

1шт.

3/8" x 1" N.F. hex. bolt w/hex. nut and lockwasher

2шт.

F7848

BOLT - tightener sprocket

1шт.

5/8" N.F. hex. nut, lockwasher and dbl. plain washer

1шт.

F10427

SPROCKET ASSY.

SPROCKET (15T) beater drive tightener (standard after no. 8179751) see F76513

1шт.

F76513

SPROCKET (14T) beater drive tightener (standard before no. 8179751) see F10427

1шт.

Выбрано товаров: 0