Запчасти Case IH 800 (216) - CYLINDER HEAD (10) - ENGINE

Схема запчастей Case IH 800 - (216) - CYLINDER HEAD (10) - ENGINE
FIT
1:1
100%

Артикул

Название

Примечание

Количество

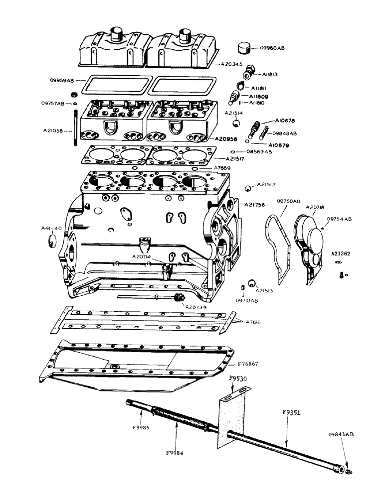
A7669

RING

- rubber, cylinder head gasket

4шт.

A10678

STUD

- nozzle holder, large

4шт.

3/8" N.F. hex. nut

4шт.

A10679

GASKET

- nozzle holder stud

4шт.

A20345

COVER - cylinder head

2шт.

A20956

HEAD (CYLINDER)

HEAD - cylinder, with valve guides and inserts

2шт.

A20957

HEAD - cylinder (use A20956)

1шт.

A21058

BOLT

- cylinder head

18шт.

9/16" N.F. hex. nut

18шт.

A21514

X

PLUG - cup (1-5/8" dia.)

4шт.

A21517

CYLINDER HEAD GASKET

- cylinder head (see A22299 gasket kit)

2шт.

08569AB

"O" RING - cylinder head gasket oil passage

2шт.

09757AB

WASHER - cylinder head stud

18шт.

09848AB

STUD - nozzle, holder, small

4шт.

3/8" N.F. hex. nut

4шт.

09959AB

GASKET - cylinder head cover (see A22299 gasket kit)

2шт.

09960AB

BREATHER - cylinder head cover

2шт.

A11809

X

BODY - powrcel

4шт.

A11810

PIN,3.19mm OD x 6.99mm L

- locating, powrcel body

4шт.

A11811

CAP - powrcel

4шт.

A11812

CLAMP

- powrcel

4шт.

A11813

PLUG

SCREW - powrcel clamp

4шт.

A41-40

WELCH PLUG - 2-1/2", rear end of block, cylinder

1шт.

A20714

X

SOCKET - oil level gauge, cylinder block

1шт.

A20739

GAUGE

- oil level bayonet, cylinder block

1шт.

A21512

X

PLUG - cup, for cylinder block (1-3/8" dia.)

1шт.

A21513

X

PLUG - cup, for cylinder block (1-3/4" dia.)

1шт.

A21601

BLOCK - cylinder (use A21756)

1шт.

A21756

BLOCK

- cylinder, w/bearing caps, camshaft bushings and plugs (see A22170)

1шт.

1/8" slotted hd. pipe plug, cylinder block

1шт.

3/8" ctsk. headless pipe plug, cylinder block

3шт.

1" ctsk. headless pipe plug, cylinder block

1шт.

A22170

BLOCK - stripped engine (consists of cylinder block, pistons, sleeves, rings, connecting rods, crankshaft and bearings. Does not include camshaft, valve lifters, cylinder heads, valve mechanism, etc.)

1шт.

A20718

COVER - timing gear, w/09708AB oil seal, dowel pins & thrust buttons

1шт.

3/8" x 1" N.C. hex. bolt w/lockwasher, timing gear cover

2шт.

3/8" x 2-1/2" N.C. hex. bolt w/lockwasher, timing gear cover

8шт.

A20719

COVER

- timing gear (use A20718)

1шт.

A21362

CLIP

POINTER - timing, gear cover

1шт.

1/4" x 1/2" N.C. hex. bolt w/shakeproof ext.-int. lockwasher #4014-20-00, timing gear cover

2шт.

09710AB

PIN - dowel, timing gear cover

2шт.

09750AB

GASKET - timing gear cover

1шт.

09754AB

BUTTON - thrust, timing gear cover

2шт.

A7616

GASKET KIT

GASKETS - set of oil pan

1шт.

F9351

PIPE - oil drain (1/2" - 8" long), pan

1шт.

1/2" NPT pipe coupling, oil pan

1шт.

F9530

BRACKET - oil drain support, pan

1шт.

1/4" x 5/8" N.F. hex. bolt w/hex. nut and lockwasher, oil pan

2шт.

F9984

HOSE - engine oil pan drain

1шт.

#11-1/2 Garret hose clamp, oil pan

2шт.

F9985

X

PIPE - drain, oil pan

1шт.

F76867

OIL PAN

1шт.

3/8" x 7/8" N.C. hex. bolt w/lockwasher, oil pan

26шт.

09843AB

PLUG - drain, oil pan, magnetic

1шт.

Выбрано товаров: 53