Запчасти Case IH 960 (037A) - SICKLE DRIVE NUMBER 8358001 AND AFTER (58) - ATTACHMENTS/HEADERS

Схема запчастей Case IH 960 - (037A) - SICKLE DRIVE NUMBER 8358001 AND AFTER (58) - ATTACHMENTS/HEADERS
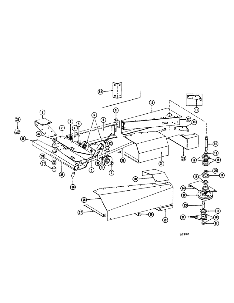
32
10
34
16
33
35
14
16
5
15
1
40
26
18
29
4
3
41
12
24
39
42
20
21
5
15
17
30
38
11
19
7
17
27
5
13
22
31
3
23
6
28
37
9a
2
8
25
38
FIT
1:1
100%

Артикул

Название

Примечание

Количество

1

F17759

REINFORCEMENT - divider shoe, L.H. (Grain)

1шт.

F22660

REINFORCEMENT - divider shoe, L.H. (960 special)

1шт.

2

F92660

PLATE - support, sway bar

1шт.

3

F75313

LOCKNUT - (5/8" Gripco) For 14-1032 bolt of ref. 6 sheave

1шт.

4

F16874

BRACKET - inner, sickle drive belt tightener

1шт.

5

F22332

SPACER - (1) for each ref. 6 idler sheave

2шт.

6

F23099

SHEAVE - idler c/w bushing (Replaces F81124)

2шт.

6

F81124

SHEAVE - idler (Replaced by F23099)

2шт.

7

F7293

BEARING

1шт.

BOLT - 5/8" x 2-3/4" N.F. hex. (14-1044) Nut, wshr., and L.W.

1шт.

BOLT - 5/8" x 2" N.F. hex. (14-1032) Fl. wshr. (9510)

1шт.

8

F17760

CHANNEL - L.H., sickle drive reinforcement (10 or 13' hdr.)

1шт.

F19936

CHANNEL - L.H., sickle drive reinforcement (14' hdr.)

1шт.

9

F22938

BRACKET - R.H. reinforcement channel (13 or 14' hdr.)

1шт.

9a

F22465

BRACKET - R.H. reinforcement channel (16' hdr.)

1шт.

10

F82638

CHANNEL - R.H., sickle drive reinf. (10' & 16' hdr.)

1шт.

F82618

CHANNEL - R.H., sickle drive reinforcement (13 or 14')

1шт.

11

F20275

GUSSET - supt. R.H. channel (960 special) See ref. 13

1шт.

12

F22467

REINFORCEMENT - for R.H. channel

1шт.

13

F18843

GUSSET - support, R.H. channel (Grain) See ref. 11

1шт.

14

F22468

SHAFT - sickle drive

1шт.

15

F62225

FLANGE

3шт.

16

1443CKA

BALL BEARING

BEARING

2шт.

17

F62234

COLLAR

1шт.

18

T27207

FLANGED BEARING

FLANGETTE

1шт.

19

T18852

BALL BEARING

BEARING

1шт.

20

O4524B

COLLAR

1шт.

21

F82633

PLATE ASSY.

PLATE - bearing, sickle Pitman (10', 13', and 14' headers)

1шт.

F91940

PLATE - bearing, sickle Pitman (16' hdr.)

1шт.

22

F1717

SHEAVE - sickle drive, driven

1шт.

23

F18846

SCREW

PIN

1шт.

24

F91929

BRACKET - lower support, sickle drive

1шт.

25

F18847

SHIELD - sickle drive belt (Grain)

1шт.

26

F19558

SHIELD - sickle drive belt (960 special)

1шт.

27

F19559

BRACKET - outer support (960 special)

1шт.

28

F19560

BRACKET - center support (960 special)

1шт.

29

F19562

BRACKET - inner support (960 special)

1шт.

30

F19561

COVER - sickle drive shaft (960 special)

1шт.

31

F84800

SHIELD - sickle drive belt

1шт.

32

F82599

PITMAN - sickle drive (10' hdr.)

1шт.

F82634

PITMAN

- sickle drive (13' hdr.)

1шт.

F83066

PITMAN - sickle drive (14' hdr.)

1шт.

F91941

PITMAN - sickle drive (16' hdr.)

1шт.

BOLT - 5/8" x 4-1/2" N.F. hex. (14-1072) Nut (25-1110)

1шт.

33

F82510

BRACKET - idler (Exh. then use F89323)

1шт.

F89323

BRACKET - idler (Replaces F82510 when exh.)

1шт.

34

F91937

SWAYBAR - (#8334601 and after)

1шт.

35

F23106

COVER

- dust

1шт.

36

F18851

BUSHING

- rubber

1шт.

37

F18852

RUBBER BUSHING

PIVOT - center

2шт.

38

F18853

SPACER

- center

1шт.

39

F8370

BALL

- swaybar

1шт.

BOLT - 7/8" x 7" N.C. hex. (13-14112) Nut (25-1014)

1шт.

NUT - 7/8" jam (25-1414)

1шт.

F82630

SWAYBAR - (Before #8334601) Includes ref. 35, 36, 37, & 38

1шт.

40

O3885A

WASHER

- ref. 33 bolt (15-14112)

2шт.

41

F1584

NUT - adjusting

1шт.

42

F18494

BOLT - adjusting, for sickle drive belt

1шт.

F16867

BELT

Sickle Drive, 10 and 16 Foot Headers, Not Shown

1шт.

F9659

V-BELT

Sickle Drive, 13 Foot Header, Not Shown

1шт.

F19939

BELT

"V" BELT - sickle drive (14' hdr.) Not shown

1шт.

Выбрано товаров: 61