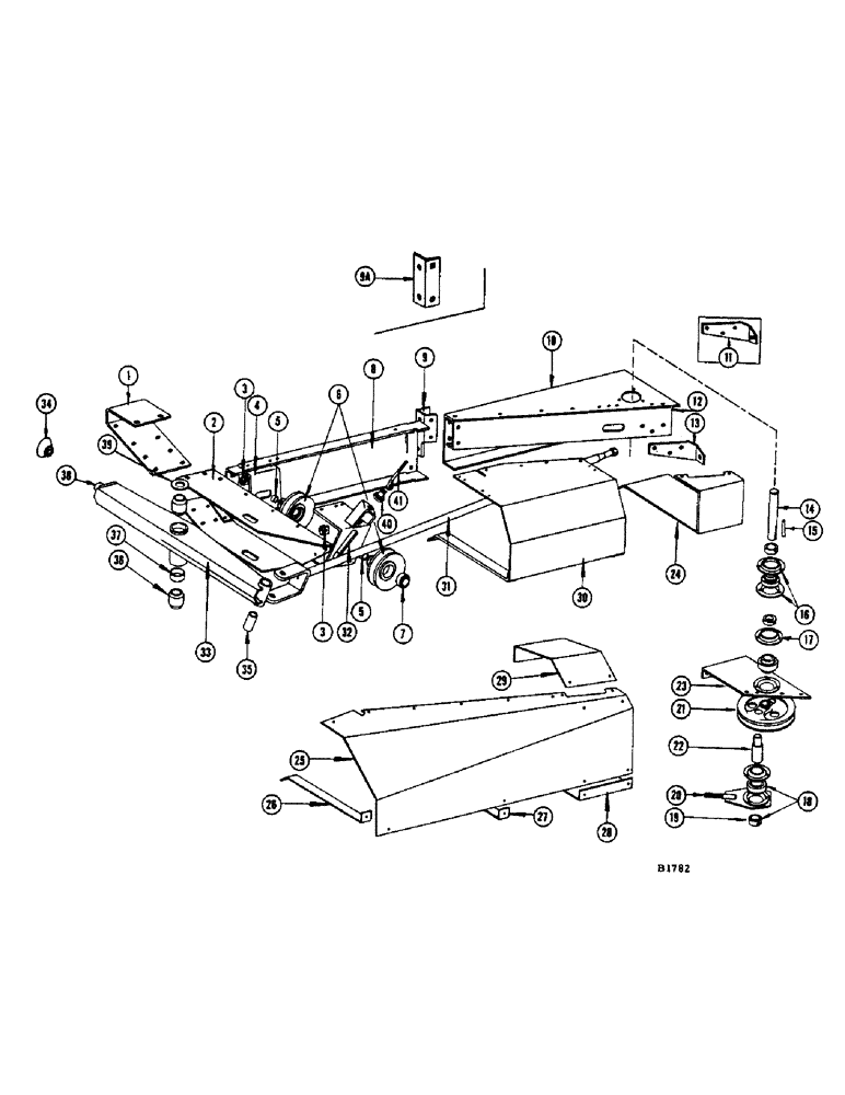
Запчасти Case IH 960 (038) - SICKLE DRIVE, BEFORE NUMBER 8358001 (58) - ATTACHMENTS/HEADERS

Схема запчастей Case IH 960 - (038) - SICKLE DRIVE, BEFORE NUMBER 8358001 (58) - ATTACHMENTS/HEADERS
41
23
9
2
11
3
14
23
25
27
17
4
8
36
33
5
20
13
10
32
16
12
34
22
28
7
39
38
1
24
19
3
7
40
6
29
35
18
31
9a
14
26
30
5
FIT
1:1
100%

Артикул

Название

Примечание

Количество

1

F17759

REINFORCEMENT - divider shoe, L.H.

1шт.

BOLT - 5/16" x 1" rhd. sq. nk. (11-516) Nut (25-105)

2шт.

BOLT - 3/8" x 3/4" N.F. hex. (14-612) Nut (25-118)

2шт.

BOLT - 3/8" x 7/8" N.F. hex. (14-614) Nut (25-116)

2шт.

2

F82512

PLATE - support, sway bar

1шт.

BOLT - 1/4" x 5/8" N.F. hex. (14-410) Nut (25-114)

3шт.

BOLT - 5/16" x 7/8" N.F. hex. (14-514) Dbl. nut (25-115)

1шт.

BOLT - 5/16" x 1-1/4" rhd. sq. nk. (11-520) Nut (25-105)

2шт.

BOLT - 3/8" x 1" N.F. hex. (14-616) Nut (25-116) L.W. (92-6)

3шт.

3

F75313

LOCKNUT - 5/8" Gripco for 14-1032 bolt of ref. 6 sheave

1шт.

4

F16874

BRACKET - inner, sickle drive belt tightener

1шт.

BOLT - 5/16" x 3/4" N.F. hex. (14-512) Nut (25-115)

2шт.

BOLT - 5/16" x 1" N.F. hex. (14-516) Nut (25-115) L.W. (92-5)

2шт.

WASHER - 5/16" flat (195-21)

4шт.

5

VB1180

SPACER - (1) for each ref. 6 idler sheave

2шт.

6

F23099

SHEAVE - idler c/w bushing (Replaces F81124)

2шт.

6

F81124

SHEAVE - idler (Replaced by F23099)

2шт.

7

F7293

BEARING

1шт.

BOLT - 5/8" x 2" N.F. hex. (14-1032) Fl. wshr. (95-10)

1шт.

8

F17760

CHANNEL - L.H., sickle drive reinforcement (10 or 13' hdr.)

1шт.

BOLT - 3/8" x 3/4" N.C. rhd. sq. nk. (12-612) Nut (25-106)

2шт.

BOLT - 3/8" x 3/4" N.F. hex. (14-612) Nut (25-116)

2шт.

F19936

CHANNEL - L.H., sickle drive reinforcement (14 ft. header)

1шт.

BOLT - 3/8" x 3/4" N.C. rhd. sq. nk. (12-612) Nut (25-106)

1шт.

BOLT - 3/8" x 3/4" N.F. hex. (14-612) Nut (25-116)

3шт.

9

F18837

BRACKET - R.H. reinforcement channel (13 or 14 ft. header) (Exh. then use F22938)

1шт.

F22938

BRACKET - R.H. reinforcement channel (13 or 14 ft. header) (Replaces F18837 when exh.)

1шт.

BOLT - 5/16" x 3/4" N.F. hex. (14-512) Nut (25-115)

2шт.

9a

F22465

BRACKET - R.H. reinforcement channel (16 ft. header)

1шт.

10

F82638

CHANNEL - R.H., sickle drive reinf. (10' & 16' header)

1шт.

SCREW - 1/4" x 5/8" N.C. mach. (75-410) Nut (25-104)

2шт.

SCREW - 1/4" x 3/4" N.C. mach. (75-412) Nut (25-104)

2шт.

BOLT - 3/8" x 3/4" N.C. rhd. sh. sq. nk. (12-612)

2шт.

NUT - 3/8" (25-106) L.W. (92-6)

2шт.

BOLT - 3/8" x 3/4" N.F. hex. (14-612) Nut (25-106)

2шт.

WASHER - 1/4" flat (195-18)

2шт.

F82618

CHANNEL - R.H., sickle drive reinforcement (13 or 14 ft.)

1шт.

11

F20275

GUSSET - supt. R.H. channel (960 special) See ref. 13

1шт.

BOLT - 3/8" x 3/4" N.F. hex. (14-612) Nut (25-116)

3шт.

BOLT - 3/8" x 1-1/4" N.F. hex. (14-620) Nut (25-116)

1шт.

BOLT - 3/8" x 1-1/2" N.F. hex. (14-624) Dbl. nut (25-116)

1шт.

12

F18842

SCREW

REINFORCEMENT - for R.H. channel (10', 13' & 14' headers)

1шт.

F22467

REINFORCEMENT - for R.H. channel (16' header)

1шт.

13

F18843

GUSSET - support, R.H. channel (Grain) See ref. 11

1шт.

BOLT - 3/8" x 3/4" N.F. hex. (14-612) Nut (25-116)

3шт.

LOCKWASHER - 3/8" (92-6)

3шт.

BOLT - 3/8" x 1-1/2" N.F. hex. (14-624) Dbl. nut (25-116)

1шт.

14

F18845

SHAFT - sickle drive (10', 13' and 14' headers)

1шт.

F22468

SHAFT - sickle drive (16' header)

1шт.

15

O4746TF

KEY - tapered (10', 13' and 14' headers)

1шт.

16

F62225

FLANGE

2шт.

BOLT - 3/8" x 1" N.F. hex. (14-616) Nut (25-116)

3шт.

17

F19270

FLANGE

TTE - (10', 13' and 14' headers)

1шт.

T27207

FLANGED BEARING

FLANGETTE - (16' header)

1шт.

BOLT - 3/8" x 1" N.F. hex. (14-616) Nut (25-116) L.W. (92-6)

3шт.

18

1443CKA

BALL BEARING

BEARING

3шт.

19

F62234

COLLAR

1шт.

20

F82633

PLATE ASSY.

PLATE - bearing, sickle Pitman (10', 13' and 14' headers)

1шт.

F91940

PLATE - bearing, sickle Pitman (16' header)

1шт.

NUT - 7/8" N.F. hex. jam (25-1514)

1шт.

21

F83078

SHEAVE - sickle drive, driven (10', 13' and 14' headers)

1шт.

22

F18846

SCREW

PIN

1шт.

21

F1717

SHEAVE - sickle drive, driven (16' header)

1шт.

22

F18846

SCREW

PIN

1шт.

23

F82624

BRACKET - lower support, sickle drive (10', 13' & 14')

1шт.

F91929

BRACKET - lower support, sickle drive (16 ft.)

1шт.

24

F18847

SHIELD - sickle drive belt (Grain)

1шт.

SCREW - 1/4" x 3/4" N.C. mach. (73-412) Nut (25-104)

2шт.

BOLT - 5/16" x 3/4" N.F. hex. (14-512) Nut (25-115)

2шт.

25

F19558

SHIELD - sickle drive belt (960 special)

1шт.

BOLT - 1/4" x 5/8" N.F. hex. (14-410) Nut (25-114)

1шт.

BOLT - 5/16" x 3/4" N.F. hex. (14-512) Nut (25-115)

7шт.

26

F19559

BRACKET - outer support (960 special)

1шт.

SCREW - 1/4" x 3/4" N.C. mach. (73-412) Nut (25-104)

1шт.

BOLT - 5/16" x 3/4" N.F. hex. (14-512) Nut (25-115)

1шт.

27

F19560

BRACKET - center support (960 special)

1шт.

SCREW - 1/4" x 3/4" N.C. hex. (73-412) Nut (25-104)

1шт.

BOLT - 5/16" x 3/4" N.F. hex. (14-512) Nut (25-115)

1шт.

28

F19562

BRACKET - inner support (960 special)

1шт.

SCREW - 1/4" x 3/4" N.C. mach. (73-412) Nut (25-104)

2шт.

BOLT - 5/16" x 1/2" N.F. hex. (14-58) Nut (25-115)

2шт.

29

F19561

COVER - sickle drive shaft (960 special)

1шт.

BOLT - 1/4" x 1/2" N.F. hex. (14-48) Nut (25-114)

2шт.

30

F84800

SHIELD - sickle drive belt

1шт.

BOLT - 1/4" x 1/2" N.F. hex. (14-48) Nut (25-114)

1шт.

SCREW - 1/4" x 3/4" N.C. mach. (73-412) Nut (25-104)

2шт.

LOCKWASHER - 1/4" (92-4) Flat washer (194-18)

2шт.

BOLT - 5/16" x 3/4" N.F. hex. (14-512) Nut (25-115)

3шт.

31

F82599

PITMAN - sickle drive (10 ft. header)

1шт.

F82634

PITMAN

- sickle drive (13 ft. header)

1шт.

F83066

PITMAN - sickle drive (14 ft. header)

1шт.

F91941

PITMAN - sickle drive (16 ft. header)

1шт.

BOLT - 5/8" x 4-1/2" N.F. hex. (14-1072) Nut (25-1110)

1шт.

LOCKWASHER - 5/8" (92-10)

1шт.

32

F82510

BRACKET - idler (Exh. then use F89323)

1шт.

F89323

BRACKET - idler (Replaces F82510 when exh.)

1шт.

BOLT - 5/16" x 3/4" N.F. hex. (14-512) Nut (25-115)

1шт.

BOLT - 5/16" x 1" N.F. hex. (14-516) Nut (25-115) L.W. (92-5)

3шт.

33

F91937

SWAYBAR - (#8334601 and after)

1шт.

34

F23106

COVER

- dust

1шт.

35

F18851

BUSHING

- rubber

1шт.

36

F18852

RUBBER BUSHING

PIVOT - center

2шт.

37

F18853

SPACER

- center

1шт.

38

F8370

BALL

- swaybar

1шт.

BOLT - 7/8" x 7" N.C. hex. (13-14112) Nut (25-1014)

1шт.

NUT - 7/8" jam (25-1414)

1шт.

WASHER - flat 7/8" (95-14)

2шт.

F82630

SWAYBAR - (Before #8334601) Includes ref. 35, 36, 37, & 38

1шт.

39

O3885A

WASHER

- ref. 33 bolt (15-14112)

2шт.

40

F1584

NUT - adjusting

1шт.

41

F18494

BOLT - adjusting, for sickle drive bel

1шт.

F16867

BELT

Sickle Drive, 10 and 16 Foot Headers, Not Shown

1шт.

F9659

V-BELT

Sickle Drive, 13 Foot Header, Not shown

1шт.

F19939

BELT

"V" BELT - sickle drive (14 ft. header) Not shown

1шт.

Выбрано товаров: 114