Запчасти Case IH 960 (100) - FAN DRIVE AND JACKSHAFT (66) - THRESHING

Схема запчастей Case IH 960 - (100) - FAN DRIVE AND JACKSHAFT (66) - THRESHING
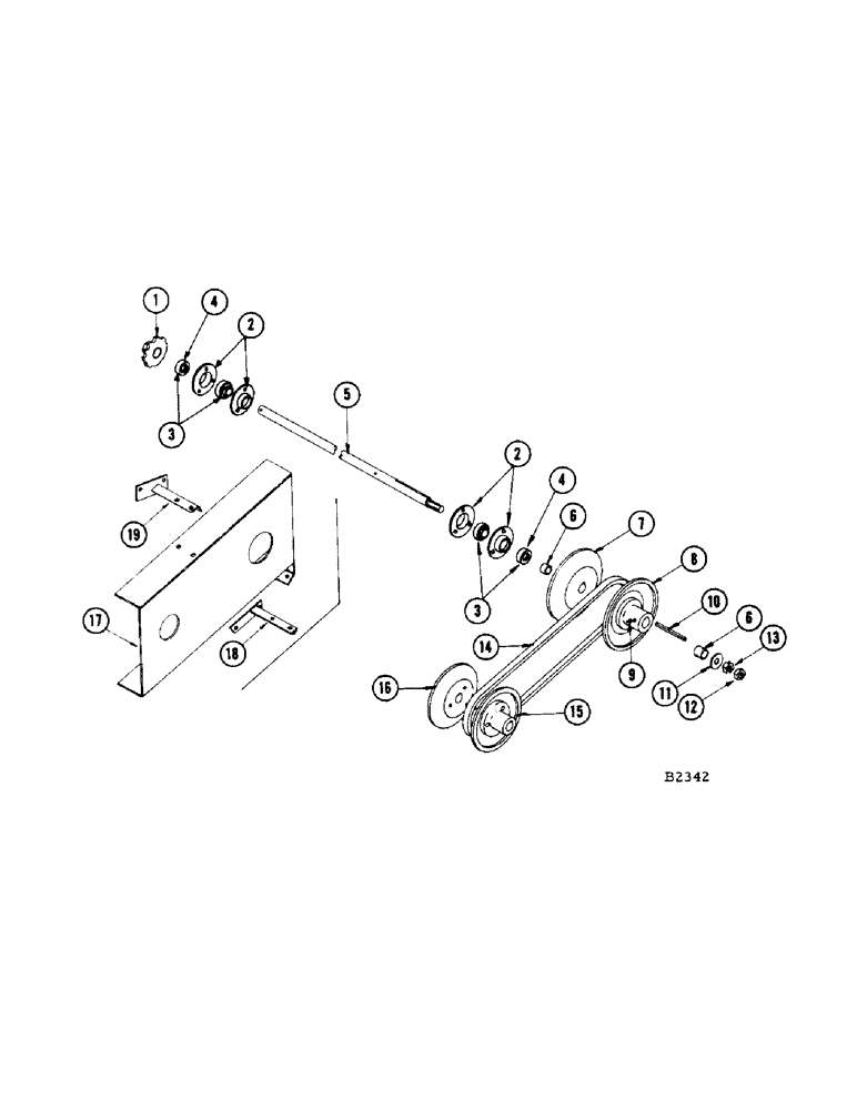
19
7
3
18
10
17
15
4
12
3
13
2
6
6
11
1
8
9
16
2
4
14
5
FIT
1:1
100%

Артикул

Название

Примечание

Количество

1

F80859

SPROCKET - fan jackshaft drive (11T)

1шт.

135-368

PIN, GROOVED

PIN - 5/16" x 1-3/4" Driv-Loc A3

1шт.

2

B18282

FLANGE

- bearing

4шт.

11-512

SCREW,Short Nk, 5/16" - 18 x 3/4", Gr 2

BOLT, CARRIAGE, , Nut and L.W. Short NK, 5/16"-18 x 3/4", G2

6шт.

3

F94133

HOUSING ASSY.

BEARING - jackshaft

2шт.

4

F10138

COLLAR

1шт.

5

F21435

JACKSHAFT

- for drive

1шт.

6

B18238

SPACER

1шт.

7

F1697

SHEAVE HALF - fan drive, inner (On jackshaft)

1шт.

8

F1696

SHEAVE HALF - fan drive, outer (On jackshaft)

1шт.

9

219-1

LUBE NIPPLE,1/8" - 27 NPTF

FITTING - grease 1/8" str.

1шт.

10

F41422

KEY - square

1шт.

O906B

WASHER

2шт.

11

A15783

SPACER

WASHER

1шт.

12

25-1112

NUT,3/4"-16, G5

- 3/4" N.F. hex.

1шт.

13

25-1512

JAM NUT,Jam, 3/4"-10, G5

- 3/4" N.F. hex. jam

1шт.

14

F16080

V-BELT

Variable Speed, Fan Drive

1шт.

15

F1699

SHEAVE HALF - outer (On fan shaft)

1шт.

16

F1700

SHEAVE HALF - inner (On fan shaft)

1шт.

17

F84761

SHIELD - fan belt

1шт.

114-102

BOLT,Hex, 5/16" - 24 x 3/4", Gr 5

Nut and L.W., Fan belt shield attachment Hex, 5/16"-24 x 3/4", G5, Full Thd

2шт.

111-202

CARRIAGE BOLT,Short NK, 5/16"-18 x 3/4", G2

BOLT, CARRIAGE, Short NK, 5/16"-18 x 3/4", G2, Nut and L.W., fan belt shield attachment

2шт.

18

F83811

SUPPORT - front, fan belt shield attachment

1шт.

114-200

BOLT,Hex, 3/8" - 24 x 1", Gr 5

Hex, 3/8"-24 x 1", G5, Full Thd, Nut and L.W., Fan belt shield attachment

2шт.

19

F83812

SUPPORT - rear, fan belt shield attachment

1шт.

114-102

BOLT,Hex, 5/16" - 24 x 3/4", Gr 5

Nut and L.W., Fan belt shield attachment Hex, 5/16"-24 x 3/4", G5, Full Thd

2шт.

Выбрано товаров: 26