Запчасти Case IH 960 (116) - ROCKER ARM SHAFT FOR SHOE AND GRAIN PAN (74) - CLEANING

Схема запчастей Case IH 960 - (116) - ROCKER ARM SHAFT FOR SHOE AND GRAIN PAN (74) - CLEANING
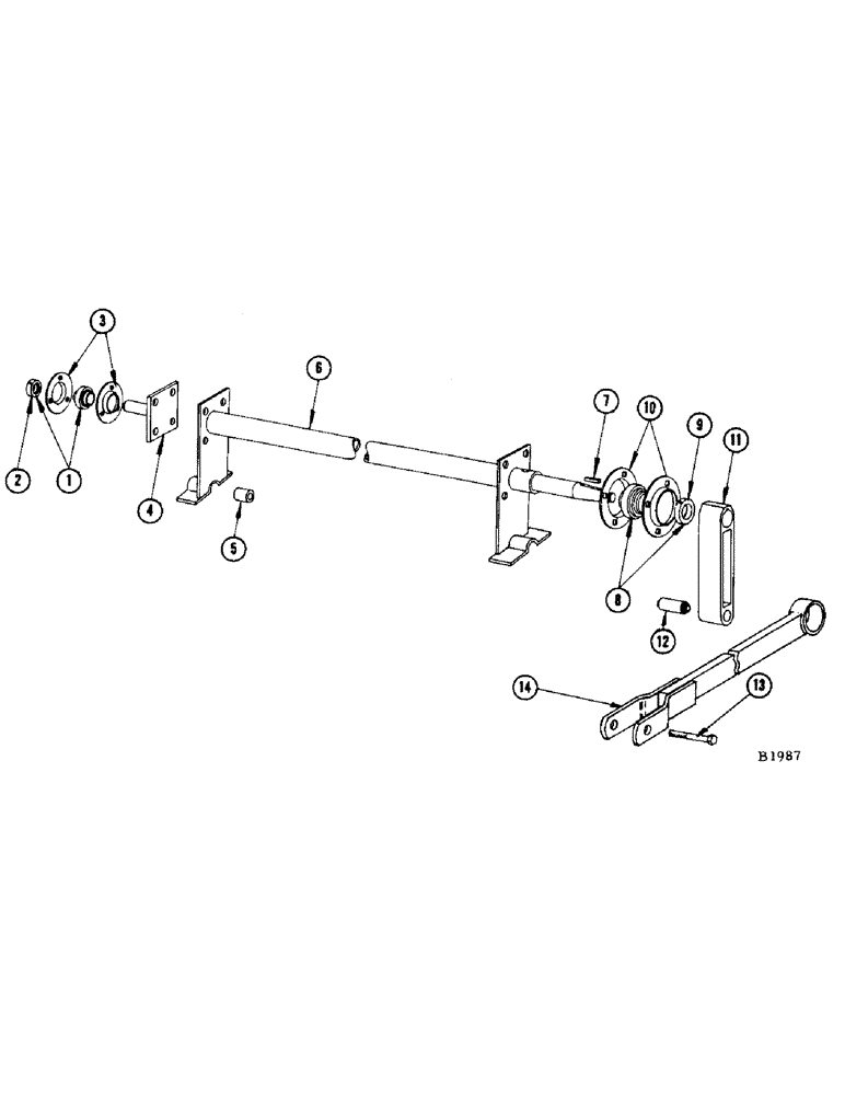
9
7
4
2
11
14
3
13
8
5
12
6
10
1
FIT
1:1
100%

Артикул

Название

Примечание

Количество

1

F82057

BEARING

- L.H. stud shaft

1шт.

2

F62108

COLLAR

1шт.

3

B18282

FLANGE

- for F82057 bearing

2шт.

BOLT - 5/16" x 3/4" N.C. rhd. sq. nk. (11-512)

3шт.

NUT - 5/16" (25-105) Lockwasher (92-5)

3шт.

4

F82380

SHAFT - stub

1шт.

BOLT - 5/16" x 1-1/4" N.F. hex. (14-520) Nut (25-115)

4шт.

LOCKWASHER - 5/16" (92-5)

4шт.

5

F16808

BUSHING

- rocker shaft

2шт.

6

F84047

SHAFT - rocker, for shoe and grain pan

1шт.

NUT - 5/8" N.F. hex. (25-1110) L.W. (92-10) Fl. wshr. (95-10)

1шт.

7

O6267HT

KEY

- pivot arm to ref. 6 shaft

1шт.

8

F82927

RACE

BEARING - R.H. end of rocker shaft

1шт.

9

F62234

COLLAR

1шт.

10

F62225

FLANGE

2шт.

BOLT - 3/8" x 1" N.C. rhd. sq. nk. (11-616) Nut (25-106)

3шт.

LOCKWASHER - 3/8" (92-6)

3шт.

11

F83394

ARM - pivot

1шт.

12

F17773

BUSHING

1шт.

13

F17005

SCREW

BOLT - pivot, rocker arm

1шт.

NUT - 5/8" N.F. slotted (25-1310)

1шт.

WASHER - 5/8" flat (195-41)

1шт.

132-50

COTTER PIN,1/8" x 1 1/4"

Pin, Split (Cotter), 1/8" x 1 1/4"

1шт.

14

F84893

PITMAN - shoe drive (#8311400 and after)

1шт.

Выбрано товаров: 24