Запчасти Case IH 960 (122[1]) - GRAIN AUGER AND DRIVE GRAIN BIN COMBINE (80) - CROP STORAGE/UNLOADING

Схема запчастей Case IH 960 - (122[1]) - GRAIN AUGER AND DRIVE GRAIN BIN COMBINE (80) - CROP STORAGE/UNLOADING
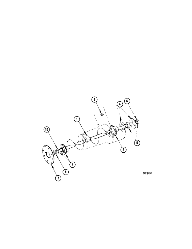
1
2
5
6
3
9
7
10
4
8
FIT
1:1
100%

Артикул

Название

Примечание

Количество

1

F84395

AUGER - grain (Grain combine) (Before #8358001)

1шт.

F94225

AUGER - grain (Grain combine) #8358001 and after

1шт.

F84527

AUGER - grain (960 special) (Before #8358001)

1шт.

F94277

AUGER - grain (960 special) (#8358001 and after)

1шт.

2

51B

SPROCKET ASSY.

SPROCKET - elevator drive

1шт.

132-97

COTTER PIN,3/16" x 1 3/4"

Pin, Split (Cotter), 3/16" x 1 3/4"

1шт.

3

126-121

WOODRUFF KEY,#A, 1/4" x 7/8", HT

1шт.

4

B18282

FLANGE

- bearing

2шт.

11-512

SCREW,Short Nk, 5/16" - 18 x 3/4", Gr 2

BOLT, CARRIAGE, , Nut and L.W. Short NK, 5/16"-18 x 3/4", G2

3шт.

5

F94134

HOUSING ASSY.

BEARING - R.H. end

1шт.

6

F52076

COLLAR

1шт.

7

F20167

PLATE - bearing

1шт.

111-102

CARRIAGE BOLT,Short NK, 1/4"-20 x 5/8", G2

BOLT - 1/4" x 5/8" rhd. sq. nk., nut and L.W.

4шт.

14-410

SCREW,Hex, 1/4" - 28 x 5/8", Gr 5

BOLT - 1/4" x 5/8" N.F. hex., nut and L.W.

4шт.

8

F20286

WASHER

1шт.

9

F78749

COLLAR

BEARING - L.H. end

1шт.

10

F52076

COLLAR

1шт.

11-512

SCREW,Short Nk, 5/16" - 18 x 3/4", Gr 2

BOLT, CARRIAGE, , Nut and L.W. Short NK, 5/16"-18 x 3/4", G2

2шт.

Выбрано товаров: 18