Запчасти Case IH 960 (130) - GRAIN ELEVATOR DRIVE, 960 SPECIAL COMBINE, NUMBER 8311400 AND AFTER (80) - CROP STORAGE/UNLOADING

Схема запчастей Case IH 960 - (130) - GRAIN ELEVATOR DRIVE, 960 SPECIAL COMBINE, NUMBER 8311400 AND AFTER (80) - CROP STORAGE/UNLOADING
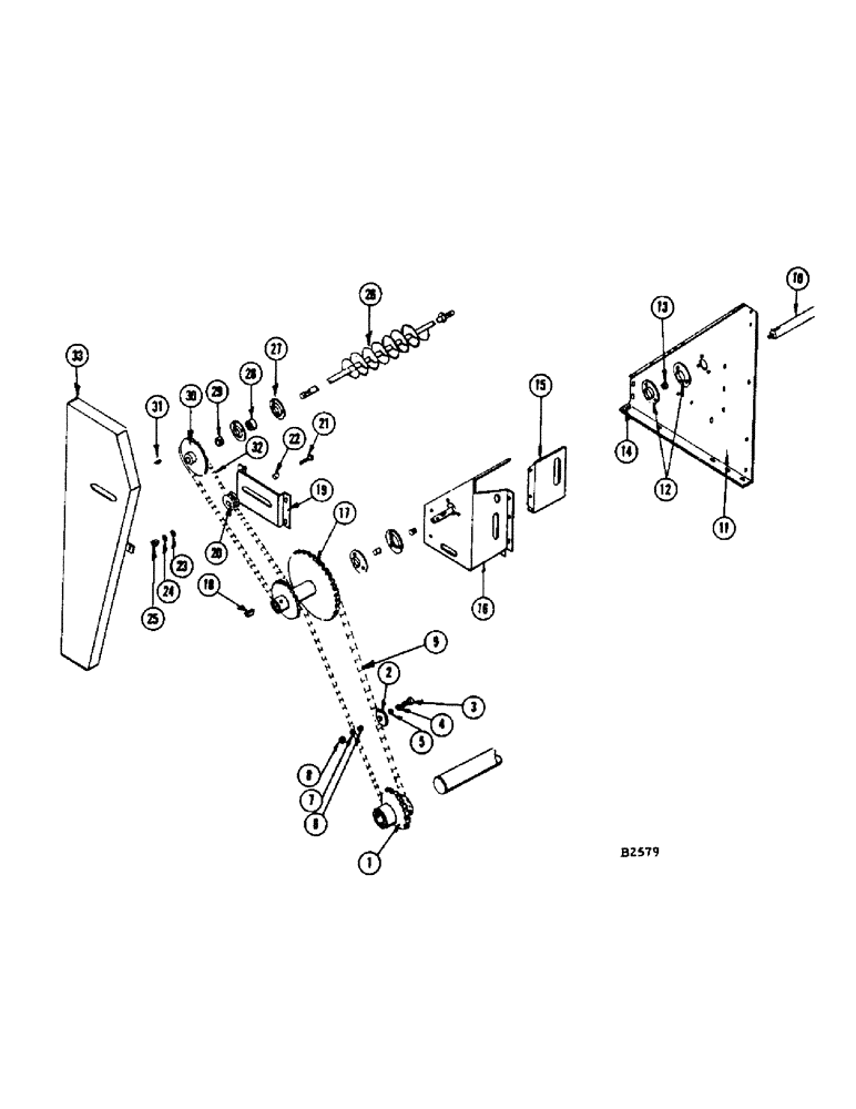
22
20
12
25
30
5
33
19
17
26
27
31
18
2
32
23
29
13
21
15
4
11
1
6
3
7
16
14
5
8
16
28
24
FIT
1:1
100%

Артикул

Название

Примечание

Количество

1

F84377

SPROCKET - grain elevator drive

1шт.

2

F7935

SPROCKET ASSY.

SPROCKET - (18T) tightener

1шт.

3

12-1040

BOLT - 5/8" x 2-1/2" rhd. sh. sq. nk.

1шт.

4

O2287CS

WASHER - sq. hole

1шт.

5

F10566

SPACER - sprocket tightener

1шт.

6

195-41

WASHER,5/8"

- flat 5/8"

1шт.

7

92-10

LOCK WASHER,5/8"

WASHER, LOCK, 5/8"

1шт.

8

25-1010

NUT,5/8"-11, G5

1шт.

9

N3412

X

CHAIN - elevator jackshaft drive (NSS - see chain page)

1шт.

10

F21539

JACKSHAFT - elevator drive

1шт.

11

F84904

BRACKET - inner

1шт.

BOLT - 3/8" x 3/4" N.F. hex. (14-612) Nut (25-116)

7шт.

12

B18282

FLANGE

- bearing

4шт.

BOLT - 5/16" x 3/4" rhd. sq. nk. (11-510) Nut (25-105)

6шт.

13

F94134

HOUSING ASSY.

BEARING - jackshaft

2шт.

14

F52076

COLLAR

1шт.

15

F22208

BRACKET - stiffener, jackshaft

1шт.

BOLT - 3/8" x 3/4" N.F. hex. (14-612) Nut (25-116)

6шт.

16

F84905

BRACKET - outer

1шт.

17

F84906

SPROCKET - (20T and 35T) Jackshaft drive (Also drives leveling auger)

1шт.

PIN - cotter 3/16" x 1-3/4" (132-97)

1шт.

18

126-21

WOODRUFF KEY,#A, 1/4" x 7/8"

Ref. 17 sprocket #A, 1/4" x 7/8"

1шт.

19

F21529

BRACKET - tightener

1шт.

BOLT - 5/16" x 5/8" N.F. hex. (14-510) Nut (25-115)

4шт.

20

O3511CS

PULLEY

- idler

1шт.

21

12-852

BOLT - 1/2" x 3-1/4" rhd. sh. sq. nk.

1шт.

O2287CS

WASHER - sq. hold (Not shown)

1шт.

22

A19391

SPACER - idler pulley

1шт.

23

195-33

WASHER,1/2"

- flat 1/2"

2шт.

24

92-8

LOCK WASHER,1/2"

1шт.

25

25-108

NUT,1/2"-13, G5

- 1/2" N.C. hex.

1шт.

26

F94243

AUGER - leveling

1шт.

27

B18282

FLANGE

TTE

2шт.

BOLT - 5/16" x 3/4" rhd. sq. nk. (11-512) Nut (25-105)

3шт.

28

F94134

HOUSING ASSY.

BEARING - L.H. end, leveling auger

1шт.

29

F52076

COLLAR

1шт.

30

F84909

SPROCKET ASSY.

SPROCKET - leveling auger, driven (36T)

1шт.

PIN - cotter, 3/16" x 2-1/2" (132-102)

1шт.

31

126-21

WOODRUFF KEY,#A, 1/4" x 7/8"

Ref. 31 sprocket #A, 1/4" x 7/8"

1шт.

32

F84943

CHAIN - grain bin leveling auger

1шт.

33

F94432

SHIELD - drive (Replaces F84536 when exh.)

1шт.

F84536

SHIELD - drive (Replaced by F94432 when exhausted)

1шт.

Выбрано товаров: 42