Запчасти Case IH 960 (160) - SCOURKLEEN ATT. ELEVATOR EXTENSION & DRIVE GRAIN COMBINE BEFORE NUMBER 8358001 (88) - ACCESSORIES

Схема запчастей Case IH 960 - (160) - SCOURKLEEN ATT. ELEVATOR EXTENSION & DRIVE GRAIN COMBINE BEFORE NUMBER 8358001 (88) - ACCESSORIES
21
29
2
38
24
26
6
14
10
15
23
19
188
34
9
39
17
33
8
28
20
3
5
16
30
12
35
27
133
1
7
25
31
11
36
22
37
32
4
40
FIT
1:1
100%

Артикул

Название

Примечание

Количество

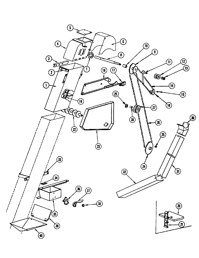
1

F83497

TUBE - elevator extension

1шт.

13-48

BOLT,Hex, 1/4" - 20 x 1/2", Gr 5

Nut and L.W. Hex, 1/4"-20 x 1/2", G5, Full Thd

2шт.

111-102

CARRIAGE BOLT,Short NK, 1/4"-20 x 5/8", G2

BOLT - 1/4" x 5/8" rhd. sq. nk., nut and L.W.

16шт.

2

F20345

ANGLE - rear

1шт.

3

F83553

ANGLE - L.H. side

1шт.

4

F83379

HEAD - elevator

1шт.

13-540

BOLT,Hex, 5/16" - 18 x 2-1/2", Gr 5

2шт.

9635082

NUT,5/16" - 18, Gr 5

- 5/16" N.C. hex.

4шт.

5

F20341

DOOR - cleanout

1шт.

187-329

SELF-TAP SCREW,Pan, 0.19"-16 x 1/4"

SCREW - #10 x 1/2" metal

2шт.

131-135

SPRING NUT,Tinn, U, 1/4"-20

2шт.

6

F83381

SPOUT - elevator discharge

1шт.

13-48

BOLT,Hex, 1/4" - 20 x 1/2", Gr 5

Nut, L.W. and fl. wshr. Hex, 1/4"-20 x 1/2", G5, Full Thd

6шт.

7

51B

SPROCKET ASSY.

SPROCKET - (7T) elevator upper shaft (Standard - not part of attachment)

1шт.

126-121

WOODRUFF KEY,#A, 1/4" x 7/8", HT

1шт.

132-99

COTTER PIN,3/16" x 2"

Pin, Split (Cotter), 3/16" x 2"

1шт.

8

F21610

SHAFT - upper (Standard - not part of attachment)

1шт.

9

F84770

SPROCKET - (20T and 30T) Drives ScourKleen

1шт.

10

F11042

BEARING

BUSHING

1шт.

126-121

WOODRUFF KEY,#A, 1/4" x 7/8", HT

1шт.

11

F84779

ARM - chain tightener

1шт.

95-8

WASHER,1/2"

flat 1/2"

1шт.

132-48

COTTER PIN,1/8" x 1"

Pin, Split (Cotter), 1/8" x 1"

1шт.

12

F83368

ROLLER - chain tightener

1шт.

13

F4345

BUSHING

1шт.

14

F20444

X

CHAIN - ScourKleen drive (NSS - see chain page)

1шт.

15

126-124

WOODRUFF KEY,#15, 1/4" x 1", HT

1шт.

16

F22067

SPROCKET - (15T) Drives rotor shaft, driven

1шт.

85-610

SET SCREW,Sq Hd, 3/8"-16 x 5/8"

SCREW - 3/8" x 5/8" sq. hd. set

1шт.

17

F1648

CLAMP - collar, chain tightener arm

1шт.

14-528

BOLT,Hex, 5/16" - 24 x 1-3/4", Gr 5

Nut and L.W. Hex, 5/16"-24 x 1 3/4", G5

1шт.

85-610

SET SCREW,Sq Hd, 3/8"-16 x 5/8"

SCREW 3/8" x 5/8" sq. hd. set

1шт.

18

F83490

BRACKET - support

1шт.

73-410

SCREW,Slotted Flat Hd, 1/4"-20 x 5/8"

- 1/4" x 5/8" N.C. fl. hd. mach., nut and L.W.

3шт.

19

F83501

EXTENSION - chain and flights (NSS - use (1) F86419, (1) F86421, (1) F79799 flights and (2) 235-83

1шт.

20

F79799

RUBBER FLIGHT

FLIGHT - rubber, elevator chain (Includes F11165, (1) 235-65 attach. link, (2) #55 pl. links and (2) 151-135 rivets)

9шт.

21

F86419

CHAIN AND FLIGHTS - (Consists of chain w/2 flights)

1шт.

F86421

CHAIN AND FLIGHTS - (Consists of chain w/5 flights)

1шт.

22

F84489

AUGER - distribution (Standard - not part of attachment)

1шт.

23

F20437

PLATE - reinforcement, R.H. side of grain bin

1шт.

13-48

BOLT,Hex, 1/4" - 20 x 1/2", Gr 5

Nut and L.W. Hex, 1/4"-20 x 1/2", G5, Full Thd

6шт.

24

F84862

SPROCKET - (18T) Leveling auger (Standard - not part of attachment) Before #8311400

1шт.

F84909

SPROCKET ASSY.

SPROCKET - (#8311400 and after) 36T

1шт.

25

126-121

WOODRUFF KEY,#A, 1/4" x 7/8", HT

1шт.

26

F60261

X

CHAIN - elevator drive (NSS - see chain page)

1шт.

27

O3511CS

PULLEY

IDLER - chain (Standard - not part of attachment)

1шт.

28

F22068

SPACER

1шт.

29

F22074

WASHER - idler pulley

4шт.

30

F83489

DOWNSPOUT - weed seed tube

1шт.

173-95

SCREW,Sl Rnd Hd, #10 - 24 x 3/8"

- 3/16" x 3/8" N.C. rhd. mach., nut and L.W.

4шт.

31

F83491

TUBE - weed seed upper

1шт.

32

F83492

TUBE - weed seed lower

1шт.

33

F21904

STRAP - clamp

2шт.

113-104

BOLT,Hex, 5/16" - 18 x 1-1/4", Gr 5

Nut and L.W. Hex, 5/16"-18 x 1 1/4", G5

2шт.

129-419

WING NUT,5/16"-18

NUT - 5/16" N.C. wing

2шт.

34

F20442

BRACKET - tube

1шт.

13-410

BOLT,Hex, 1/4" - 20 x 5/8", Gr 5, Full Thd

Nut and L.W. Hex, 1/4"-20 x 5/8", G5, Full Thd

2шт.

35

F83388

HOLDER - bag

1шт.

36

F1651

BRACKET

1шт.

37

F1650

LEVER

1шт.

132-91

COTTER PIN,3/16" x 1"

Pin, Split (Cotter), 3/16" x 1"

1шт.

38

A26411

WASHER

1шт.

39

F20340

SHIELD - front

1шт.

13-410

BOLT,Hex, 1/4" - 20 x 5/8", Gr 5, Full Thd

Nut and L.W. Hex, 1/4"-20 x 5/8", G5, Full Thd

2шт.

40

F83370

BOX - bag

1шт.

13-416

BOLT,Hex, 1/4" - 20 x 1", Gr 5

Nut and L.W. Hex, 1/4"-20 x 1", G5

2шт.

Выбрано товаров: 66