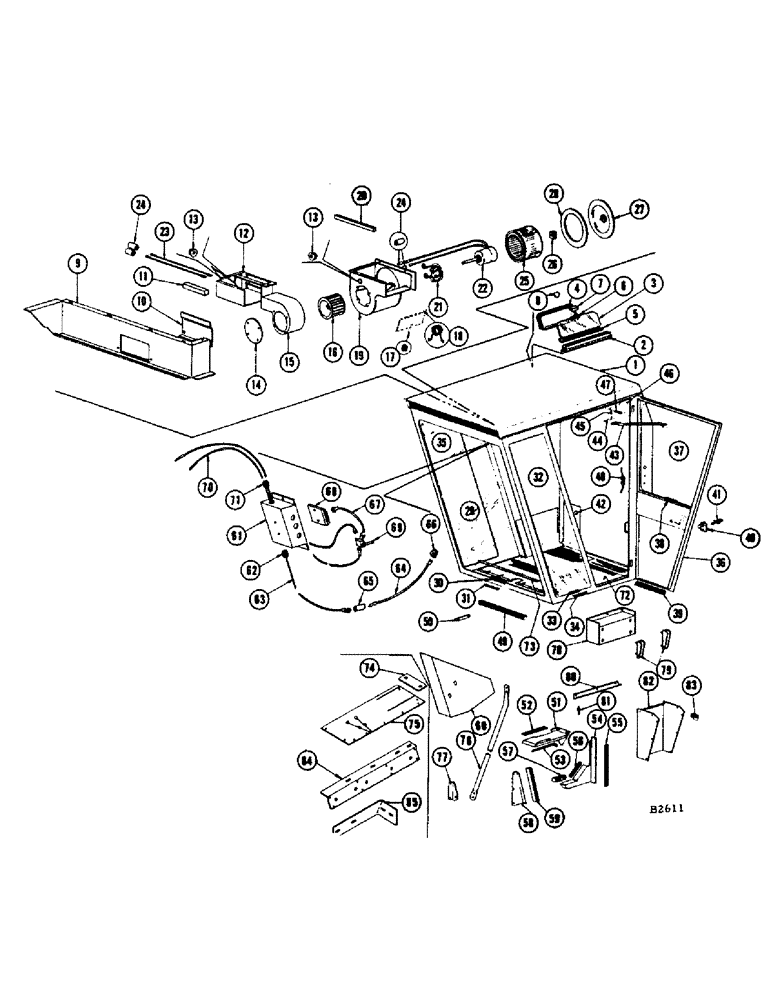
Запчасти Case IH 960 (198) - OPERATORS CAB, NUMBER 8311400 AND AFTER (90) - PLATFORM, CAB, BODYWORK AND DECALS

Схема запчастей Case IH 960 - (198) - OPERATORS CAB, NUMBER 8311400 AND AFTER (90) - PLATFORM, CAB, BODYWORK AND DECALS
42
20
3
77
30
5
69
39
7
79
80
56
21
40
32
38
34
73
19
52
50
76
53
37
84
65
24
46
60
33
43
83
6
20
26
18
16
62
64
45
51
49
70
55
59
66
81
17
11
2
44
21
76
8
75
41
47
66
12
1
67
63
25
35
31
74
13
23
72
4
14
40
36
54
61
23
57
85
9
13
15
56
71
82
24
22
10
FIT
1:1
100%

Артикул

Название

Примечание

Количество

1

F84983M

CAB - operator's (Grain combine) Machinery item

1шт.

F84984M

CAB - operator's (960 special combine) Machinery item

1шт.

2

F91897

WINDOW - right side rear

1шт.

3

F22423

GLASS - right side rear window

1шт.

4

F22427

MOULDING - right side rear glass (65")

1шт.

5

F22424

FILLER STRIP - right side rear glass (25-1/4")

1шт.

6

F22425

FILLER STRIP - (.064" x 1-1/4" x 3") Retainer

1шт.

7

F22422

RETAINER - channel

1шт.

8

F22426

STOP

BUMPER - rubber

1шт.

9

F91907

ENCLOSURE - front pressurizer

1шт.

10

F22440

COVER - enclosure

1шт.

11

F22441

SEAL - 1" x 1-1/4" x 6" foam, enclosure

1шт.

12

F91906

HOUSING - air duct (Includes doors)

1шт.

13

F22434

GROMMET - wire (2 for ref. 12 and 2 for ref. 19 housing)

4шт.

14

F22433

PLATE - cover, blower housing

1шт.

15

F91902

HOUSING - blower

1шт.

16

F91904

WHEEL - blower

1шт.

17

F22439

CAP - rubber, for damper door handle (Welded to L.H. side panel)

1шт.

18

F22438

SPRING - damper door

1шт.

19

F91899

HOUSING - filter

1шт.

20

F22436

SEAL - (1/8" x 1/4" x 11") Filter housing

1шт.

21

F91905

BRACKET

- support, blower

1шт.

22

F91903

MOTOR

BLOWER - 12 volt

1шт.

23

F91908

WIRE - blower

2шт.

24

F21330

CONNECTOR

2шт.

25

F22437

FILTER

- pressurized

1шт.

26

F22435

CLIP - speed nut, blower cover

1шт.

27

F91900

COVER - blower

1шт.

28

F22432

GASKET

1шт.

29

F21314

WINDSHIELD

1шт.

30

F21340

MOLDING

MOULDING - windshield glass (184")

1шт.

31

F21341

FILLING STRIP

FILLER STRIP - windshield glass moulding (184")

1шт.

32

F21315

GLASS - side, front L.H.

1шт.

33

F21359

MOLDING

MOULDING - front L.H. glass (136")

1шт.

34

F21360

FILLING STRIP

FILLER STRIP - front L.H. glass (136")

1шт.

35

F22418

GLASS - side, front R.H.

1шт.

F22419

STRIP

FILLER STRIP - front R.H. glass (144")

1шт.

F22420

SEAL

MOULDING - front R.H. glass (144")

1шт.

36

F84804

DOOR

1шт.

37

F21321

GLASS - door

1шт.

38

F21365

MOLDING

MOULDING - door glass (95-1/2")

1шт.

F21366

STRIP

FILLER STRIP - door glass (95-1/2")

1шт.

39

F21324

SEAL - weather, door

1шт.

40

F84806

LATCH - with handle, inside

1шт.

41

F84805

HANDLE - door, outside

1шт.

42

F22421

PLATE

CATCH - door latch (Replaces F21320 when stocks are exhausted)

1шт.

43

F84807

ROD - door check

1шт.

44

F22428

CLIP - check rod

1шт.

45

F22112

SPRING - check rod

1шт.

46

F21319

X

GLASS - rear

1шт.

47

F21373

MOLDING

MOULDING - rear glass (84")

1шт.

F21372

FILLING STRIP

FILLER STRIP - rear glass (84")

1шт.

48

F21393

CLEAT - ladder rope

1шт.

49

F22122

SEAL - (1-1/2" x 1-1/2" foam) cab, front

1шт.

50

F22119

ANGLE - sill, R.H. front

1шт.

51

F84808

PANEL - filler tailings elevator (Grain combine)

1шт.

52

F22113

SEAL - (1/32" x 2" x 10-1/2")

1шт.

53

F22114

SEAL - (1/2" x 1-1/4" x 23" foam)

1шт.

F84823

PANEL - filler tailings elevaor (960 special)

1шт.

F22114

SEAL - (1/2" x 1-1/4" x 23" foam)

1шт.

F22127

SEAL - (1/32" x 2" x 8-1/2")

1шт.

54

F84810

PANEL - filler, rear (Tailings elevator)

1шт.

55

F22118

SEAL - (1/2" x 1-1/4" x 17.56" foam)

1шт.

56

F22117

SEAL - (1/2" x 1-1/4" x 6-3/4" foam)

1шт.

57

F22116

SEAL - (1-1/2" x 1-1/2" x 4.18" foam)

1шт.

58

F84809

PANEL - filler, front (Tailings elevator)

1шт.

59

F22430

SEAL - (1-1/2" x 3/4" x 14-3/4" foam)

1шт.

F22429

SEAL - (1-1/2" x 1-1/2" x 6") for ref. 58 (Grain combine)

2шт.

F22443

SEAL - (1-1/2" x 1-1/2" x 20) for ref. 58 (960 special)

1шт.

60

F84824

FILLER - R.H. (960 special)

1шт.

61

F22290

BOX - terminal

1шт.

62

F11046

GROMMET - terminal to ignition wire

1шт.

63

F22293

WIRE -, Serial Range: terminal-ignition

1шт.

F22125

CLIP - wire (Single)

3шт.

64

F84677

WIRE - to ignition switch opposite terminal

1шт.

65

F21330

CONNECTOR

1шт.

66

F53322

GROMMET - in terminal box front panel

1шт.

67

F22291

WIRE - jumper

1шт.

68

F22294

BLOCK - terminal (Fuse)

1шт.

223-20

FUSE,20 Amp, Type SFE

- 20 amp. (Pressurizer motor, air conditioner condenser fan, air conditioner evaporator blower circuits)

3шт.

223-14

FUSE,10 Amp, Type SFE

- 14 amp. (Dome lite, wiper motor, heater fan motor circuit)

1шт.

69

F22295

SWITCH

- blower

1шт.

70

F22292

WIRE - terminal, Serial Range: box-blower

2шт.

F22386

CLIP - wire (Double)

3шт.

71

F54096

GROMMET

- blower wire

1шт.

72

F21960

FLOORMAT - (Rubber)

1шт.

73

F22056

STRIP - hold, floormat

1шт.

74

F22055

STRIP - operator's platform floor (Before #8358001)

1шт.

75

F22065

SEAL - (Rubber) Operator's platform floor

1шт.

76

F22517

BRACE - platform

1шт.

77

F21287

BRACKET - platform, Serial Range: brace-axle

1шт.

78

F84682

EXTENSION - ladder

1шт.

79

F84186

YOKE - pivot ladder

2шт.

80

F21947

SUPPORT - angle, ladder (960 special)

1шт.

81

F21948

STUD - angle, ladder (960 special)

2шт.

82

F21946

SUPPORT - ladder (960 special)

1шт.

83

F17860

CLAMP - ladder support (960 special)

10шт.

84

F84982

SUPPORT - angle, cab to grain bin (Grain combine)

1шт.

85

F21959

BRACKET - tie on, cab to grain bin (960 special)

1шт.

Выбрано товаров: 99