Запчасти Case IH 960 (212) - CYLINDER HEAD (10) - ENGINE

Схема запчастей Case IH 960 - (212) - CYLINDER HEAD (10) - ENGINE
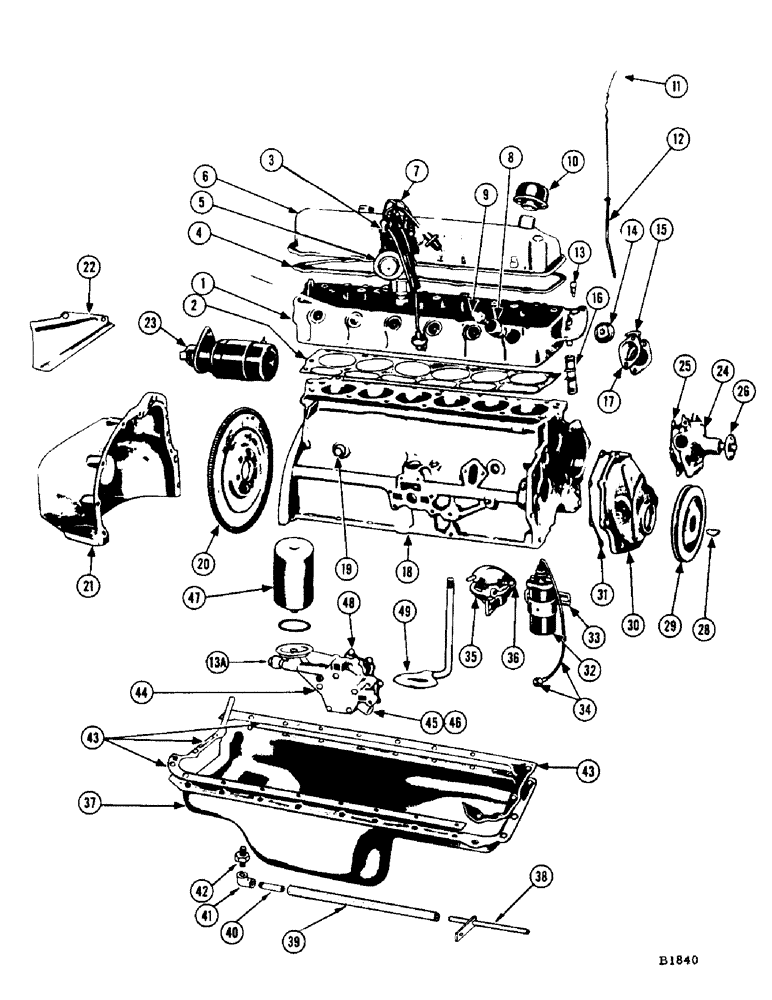
48
3
24
14
41
34
36
35
46
43
2
9
4
47
43
13
25
13a
30
19
29
12
10
33
49
32
20
15
38
44
45
22
21
39
42
16
5
8
26
23
7
1
37
31
11
28
18
40
17
6
FIT
1:1
100%

Артикул

Название

Примечание

Количество

1

F82956

HEAD - cylinder

1шт.

F19700

SCREW - (7/16" x 4-3/8") Cylinder head (Not shown)

14шт.

2

F19688

GASKET

- cylinder head

1шт.

3

F19785

NIPPLE, LUBE

NIPPLE - spark plug cable

6шт.

4

F19689

GASKET - cylinder head cover

1шт.

5

F84107

DISTRIBUTOR - (Chrysler #244-382) Before #8358004

1шт.

F20559

GASKET - mounting

1шт.

6

F19701

COVER - cylinder head

1шт.

7

F21251

CABLE

- spark plug (10")

2шт.

F21252

CABLE

- spark plug (12")

2шт.

F21253

CABLE

- spark plug (15-1/2")

2шт.

8

F19685

TUBE - spark plug

6шт.

F19686

SEAL

- tube

6шт.

9

F19786

SPARK PLUG

6шт.

10

F21213

CAP - breather, cylinder hd. cover front

1шт.

F18620

CAP - breather, cylinder hd. cover rear (Before #8334601)

1шт.

11

F18619

DIPSTICK - oil level

1шт.

12

F19762

TUBE - dipstick

1шт.

13

F21200

TRANSMITTER

UNIT - temperature sending

1шт.

13a

F22412

UNIT - oil pressure sending

1шт.

14

F19770

THERMOSTAT - (160 degrees F.)

1шт.

F19771

THERMOSTAT - (180 degrees F.)

1шт.

15

F1632

ELBOW

- cylinder water outlet

1шт.

16

F19768

HOSE - water pump by-pass

1шт.

214-110

CLAMP,#15, 15/16", Spring

- hose

2шт.

17

F19690

GASKET

- cylinder water outlet elbow

1шт.

18

F84515

SHORT BLOCK ASSEMBLY - Includes piston rings, main bearing caps, valve guides, exhaust valve seats and camshaft bearings., cylinder block

1шт.

F19698

DOWEL - cylinder block to clutch housing (Not shown), cylinder block

2шт.

19

F19699

PLUG - cylinder block core hole, cylinder block

3шт.

20

F83010

FLYWHEEL - (Before #8323348), cylinder block

1шт.

F19789

RING GEAR - (148T) Flywheel (Before #8323348), cylinder block

1шт.

F91911

FLYWHEEL - (#8323348 through #8339057) See F20550, cylinder block

1шт.

F94186

FLYWHEEL - (#8339058 and after) Replaces F91911 when exh. See F22600, cylinder block

1шт.

F22442

RING GEAR - (122T) Flywheel (#8323348 and after), cylinder block

1шт.

21

F1690

HOUSING - clutch (Before #8323348), cylinder block

1шт.

F1715

HOUSING - clutch (#8323348 and after), cylinder block

1шт.

22

F19767

STRUT - flywheel housing, cylinder block

1шт.

23

F82456

STARTING MOTOR - (Before #8323348) Auto-Lite #MDT7015, cylinder block

1шт.

A20145

X

SOLENOID - (For F82456), cylinder block

1шт.

F86743

STARTING MOTOR - (#8323348 and after) Chrysler #2095150, cylinder block

1шт.

BOLT - 7/16" x 1-1/2" N.C. hex. (13-724) L.W. (92-7), cylinder block

2шт.

24

F83366

WATER PUMP, cylinder bolck

1шт.

BOLT - 5/16" x 3" N.C. hex. (13-548) L.W. (92-5), cylinder block

6шт.

25

F19695

GASKET

- water pump body, cylinder block

1шт.

F91909

COVER - timing chain and indicator (#8323348 and after), cylinder block

1шт.

26

F1631

HUB - fan pulley, cylinder block

1шт.

27

RESERVED, cylinder block

1шт.

28

126-11

WOODRUFF KEY,#5, 1/8" x 5/8"

Damper to crankshaft, cylinder block #5, 1/8" x 5/8"

1шт.

29

F84108

DAMPER

- vibration (Before #8323348), cylinder block

1шт.

F91910

PULLEY

DAMPER - vibration (#8323348 and after), cylinder block

1шт.

30

F82959

COVER - timing chain (Before #8323348), cylinder block

1шт.

F20517

INDICATOR - timing (Not shown) Before #8323348, cylinder block

1шт.

F91909

COVER - timing chain and indicator (#8323348 and after), cylinder block

1шт.

F19735

SEAL

OIL SEAL - timing chain cover (See page 218, ref. 25), cylinder block

1шт.

31

F19687

GASKET

- timing chain case cover, cylinder block

1шт.

32

F83899

COIL, cylinder block

1шт.

33

G46106

BRACKET

STRAP - coil (Replaces F19814 when exhausted), cylinder block

1шт.

F19814

FLANGE BOLT

STRAP - coil (Replaced by G46106), cylinder block

1шт.

SCREW - #10 x 1-1/2" rhd. blunt pt. tapping (187-540), cylinder block

1шт.

NUT - #10-32 N.F. hex. (129-27) L.W. (92-3), cylinder block

2шт.

34

F20001

FITTING

CABLE - coil, cylinder block

1шт.

35

F18617

PUMP

FUEL PUMP - (Carter #EX112-391) (Gas), cylinder block

1шт.

BOLT - 3/8" x 1-1/8" N.C. hex. (13-618) L.W. (92-6), cylinder block

2шт.

ELBOW - 5/16" x 1/8" (222-44), cylinder block

1шт.

F18631

LINE - fuel, fuel pump to carburetor (Not shown), cylinder block

1шт.

F18679

LINE - fuel, pump inlet (Not shown), cylinder block

1шт.

F19691

GASKET - fuel pump flange (Not shown), cylinder block

1шт.

F20297

COVER - pad, fuel pump (LP engine - not shown), cylinder block

1шт.

BOLT - 3/8" x 3/4" N.C. hex. (13-612) L.W. (92-6), cylinder block

2шт.

36

F18618

GASKET - fuel pump, cylinder block

1шт.

37

F83468

OIL PAN

1шт.

F83016

SCREW - oil pan

24шт.

38

F83219

PIPE - oil pan drain (Before #8311400), oil pan

1шт.

F84940

PIPE - oil pan drain (#8311400 and after), oil pan

1шт.

BOLT - 1/4" x 5/8" N.F. hex. (14-410) Nut (25-114) L.W. (92-4), oil pan

1шт.

CAP - 3/8" pipe (221-524), oil pan

1шт.

39

F17866

HOSE - drain, oil pan

1шт.

CLAMP - #A-15 Corbin (214-110), oil pan

2шт.

40

F17865

NIPPLE - hose, oil pan

1шт.

41

221-376

ELBOW,90 Degree, 3/8" NPT

- (3/8" x 90 degree pipe) For F18608 plug, oil pan

1шт.

42

F18608

PLUG - connector, oil pan drain

1шт.

F21190

GASKET - drain plug, oil pan

1шт.

43

F83014

SET

KIT - oil pan gasket, oil pan

1шт.

44

F82996

OIL PUMP, oil pan

1шт.

45

F19806

CAP - oil pressure relief valve, oil pan

1шт.

46

F19694

GASKET - cap, oil pan

1шт.

47

A37189

FILTER, ELEMENT

OIL FILTER - (Replaces G45210), oil pan

1шт.

48

F19693

GASKET

- oil pump body, oil pan

1шт.

49

F20555

SCREW

PIPE - strainer, with float, oil pan

1шт.

F82954

KIT - engine gasket (Includes ref. 2, 4, 17, 25, 31, ref. 45 plus F19691, F19692, F19696 and F19967), oil pan

1шт.

Выбрано товаров: 90