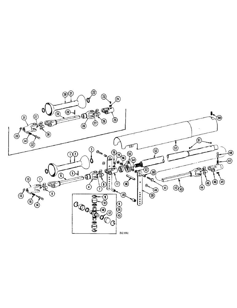
Запчасти Case IH 400 (100) - PTO COUPLING, STANDARD, PTO SHAFT AND SHIELD (14) - MAIN GEARBOX & DRIVE

Схема запчастей Case IH 400 - (100) - PTO COUPLING, STANDARD, PTO SHAFT AND SHIELD (14) - MAIN GEARBOX & DRIVE
53
8
26
44
49
27
34
25
13
43
36
7
38
14
45
51
41
20
8
45
10
4
33
52
18
40
21
27
5
32
54
23
26
35
37
24
29
2
17
31
19
46
9
39
11
28
12
20
26
47
15
22
55
19
3
16
50
8
6
7
1
42
48
FIT
1:1
100%

Артикул

Название

Примечание

Количество

1

F83749M

COUPLING - front PTO

1шт.

2

F83784

SHIELD

1шт.

3

F20819

BEARING - nylon

2шт.

4

F20820

YOKE

1шт.

5

138-177

LOCK PIN,3/8" x 2", Slotted

PIN, 3/8" x 2", Slotted

1шт.

6

F83785

YOKE AND SHAFT ASSEMBLY

10шт.

7

219-40

LUBE NIPPLE,65 Degree Elbow, 1/8" - 27 NPTF

FITTING - grease 1/8" x 67-1/2 degrees

2шт.

8

1963CHA

KIT - center cross repair

2шт.

9

O4286CH

RING - snap

4шт.

10

1961CHA

CROSS - center

1шт.

11

1962CHA

CUP - needle

4шт.

12

B13263

CORK

4шт.

13

1985CHA

FORK AND HITCH PIN

1шт.

14

N5519

PIN

AND "X" WASHER

1шт.

15

N5518

WASHER

- "X"

1шт.

16

O4325B

X

SPRING

1шт.

17

F20821

YOKE

1шт.

18

F20825

SCREW - set

1шт.

19

25-158

JAM NUT,Jam, 1/2"-20, G5

- jam 1/2" x 20 N.F.

1шт.

20

F85550M

COUPLING - front PTO, 1000 RPM

1шт.

21

F85554

SHIELD, PTO coupling - 1000 RPM

1шт.

22

F20819

BEARING - nylon, PTO coupling - 1000 RPM

2шт.

23

F20825

SCREW - set, PTO coupling - 1000 RPM

1шт.

24

25-158

JAM NUT,Jam, 1/2"-20, G5

- 1/2" - 20 N.F. jam, PTO coupling - 1000 RPM

1шт.

25

F20821

YOKE

PTO coupling - 1000 RPM

1шт.

26

1963CHA

KIT - center cross repair (See Ref. 8), PTO coupling - 1000 RPM

2шт.

27

219-40

LUBE NIPPLE,65 Degree Elbow, 1/8" - 27 NPTF

FITTING - grease 1/8" 67-1/2 degrees), PTO coupling - 1000 RPM

2шт.

28

F20820

YOKE, PTO coupling - 1000 RPM

1шт.

29

138-177

LOCK PIN,3/8" x 2", Slotted

PIN, , PTO coupling - 1000 rpm 3/8" x 2", Slotted

1шт.

30

F85556

YOKE AND SHAFT ASSEMBLY, PTO coupling - 1000 RPM

1шт.

31

F85557

YOKE AND HITCH PIN, PTO coupling - 1000 RPM

1шт.

32

F40633

PIN - lock, PTO coupling - 1000 RPM

1шт.

33

N5518

WASHER

- "X", PTO coupling - 1000 RPM

1шт.

34

F40634

SPRING, PTO coupling - 1000 RPM

1шт.

35

V13912

BUSHING, PTO coupling - 1000 RPM

2шт.

FHBNC 1/2" x 2-1/2" (113-422) nut (129-105) and L.W. (192-23), PTO shaft and shield

2шт.

36

F21054

SPACER, PTO shaft and shield

1шт.

FHBNF 5/8" x 7-1/2" (14-10120) nut (25-1110) and L.W. (92-10), PTO shaft and shield

1шт.

37

425-1410

JAM NUT,Jam, 5/8"-11, G5

- 5/8" N.C. jam, PTO shaft and shield

2шт.

38

F20779

SCREW

BUSHING - upper, PTO shaft and shield

2шт.

39

F20778

SCREW

SUPPORT - rocker, PTO shaft and shield

2шт.

40

O578B

X

WASHER, PTO shaft and shield

2шт.

41

13-1024

BOLT,Hex, 5/8" - 11 x 1-1/2", Gr 5, Full Thd

PTO shaft and shield Hex, 5/8"-11 x 1 1/2", G5, Full Thd

2шт.

42

F84036

telescope, PTO shaft and shield

1шт.

43

NSS

NOT SOLD SEPARAT

PTO shaft and shield

1шт.

44

219-40

LUBE NIPPLE,65 Degree Elbow, 1/8" - 27 NPTF

FITTING - grease 1/8" 67-1/2 degrees, PTO shaft and shield

1шт.

45

1963CHA

KIT - center cross repair (See ref. 8), PTO shaft and shield

1шт.

1985CHA

FORK, PTO shaft and shield

1шт.

47

O4325B

X

SPRING, PTO shaft and shield

1шт.

48

N5519

PIN

AND "X" WASHER, PTO shaft and shield

1шт.

49

N5518

WASHER

- "X", PTO shaft and shield

1шт.

50

O5024N

SPRING

PTO shaft and shield

1шт.

BOLT - rd. hd. sq. nk. 3/8" x 2-1/4" (111-323) and nut (129-103) fl. wshr. (195-525), PTO shaft and shield

1шт.

51

86636814

LUBE NIPPLE,1/4"-28 x .52" lg

FITTING - grease 1/4" straight, PTO shaft and shield

2шт.

52

F83898

PTO shaft and shield

1шт.

BOLT - rd. hd. sq. nk. 3/8" x 2-1/4" (111-323) and fl. wshr. (195-525) dbl. nut (129-103), PTO shaft and shield

1шт.

FHBNC 5/8" x 1-1/2" (13-1024) jam nut (25-1410), PTO shaft and shield

2шт.

53

F84035

PTO shaft and shield

1шт.

54

F20961

WASHER, PTO shaft and shield

2шт.

55

F1100

PLATE

HOLDER - bearing, PTO shaft and shield

1шт.

56

O3354BF

X

BEARING - (N.D. #88107ALYIC), PTO shaft and shield

1шт.

Выбрано товаров: 61