Запчасти Case IH 460 (110) - MAIN COMBINE DRIVE (14) - MAIN GEARBOX & DRIVE

Схема запчастей Case IH 460 - (110) - MAIN COMBINE DRIVE (14) - MAIN GEARBOX & DRIVE
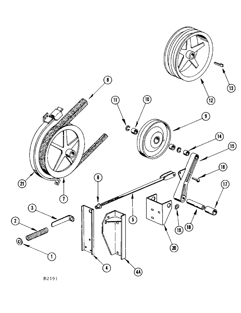
7
13
18
15
10
5
1
14
19
18
11
4a
2
8
20
12
4
17
9
6
21
3
FIT
1:1
100%

Артикул

Название

Примечание

Количество

1

O58BL

WASHER - (1-1/16" O.D. x 11/32" I.D. #16 ga.)

2шт.

2

F17945

SPRING

1шт.

3

F17947

GAUGE

1шт.

4

F41175

POST - tightener (Before #8361801)

1шт.

4a

F89156

POST - tightener (#8361801 and after)

1шт.

14-614

SCREW,Hex, 3/8" - 24 x 7/8", Gr 5

BOLT - 3/8" x 7/8" N.F. hex.; nut (25-116) L.W. (92-6)

3шт.

5

F83724

ROD - tightener

1шт.

25-115

NUT,5/16"-24, G5

- 5/16" NF hex

2шт.

6

F19583

BUSHING

1шт.

7

F1540

SHEAVE - main drive

1шт.

8

F41177

BELT

- drive

1шт.

9

F80920

SHEAVE - idler

1шт.

10

F16246

BEARING, BALL

BEARING

2шт.

11

O3338BF

RING - snap

2шт.

12

F1676

SHEAVE - main drive, driven

1шт.

13

O30388HT

KEY

- gib

1шт.

14

F17354

SPACER - idler

1шт.

13-1060

BOLT,Hex, 5/8" - 11 x 3-3/4", Gr 5

- 5/8" x 3-3/4" N.C. hex.; jam nut (25-1410)

1шт.

15

F2158

ARM - belt tightener

1шт.

16

O1235HT

PIN - clevis

1шт.

132-27

COTTER PIN,3/32" x 7/8"

Pin, Split (Cotter), 3/32" x 7/8"

1шт.

17

F17518

SPACER

1шт.

14-888

BOLT - 1/2" x 5-1/2" N.F. hex.; nut (25-118) L.W. (92-8)

1шт.

18

F20826

SPACER - pivot

1шт.

19

219-57

LUBE NIPPLE,90 Degree Elbow, 1/4" - 28 NPTF

FITTING - grease (1/4" - 28 x 90 degrees)

1шт.

20

F41176

BRACKET

1шт.

14-820

BOLT,Hex, 1/2" - 20 x 1-1/4", Gr 5

- 1/2" x 1-1/4" N.F. hex.; nut (25-118) L.W. (92-8) and fl. wshr. (195-33)

1шт.

14-614

SCREW,Hex, 3/8" - 24 x 7/8", Gr 5

BOLT - 3/8" x 7/8" N.F. hex.; nut (25-116) L.W. (92-6) and fl. wshr. (195-25)

2шт.

21

F89157

GUIDE - belt

1шт.

14-512

BOLT,Hex, 5/16" - 24 x 3/4", Gr 5, Full Thd

Nut (25-115) L.W. (92-5) Hex, 5/16"-24 x 3/4", G5, Full Thd

3шт.

Выбрано товаров: 0