Запчасти Case IH 460 (100) - WHEELS AND HUBS (44) - WHEELS

Схема запчастей Case IH 460 - (100) - WHEELS AND HUBS (44) - WHEELS
12
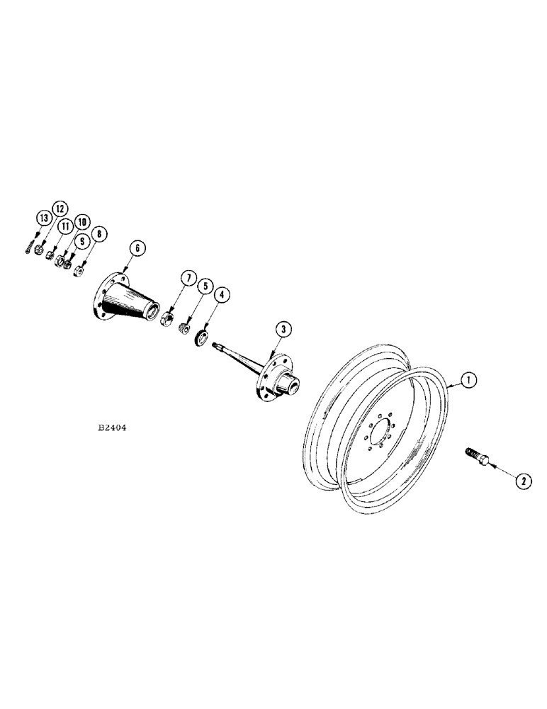
1
8
13
6
10
4
11
7
3
2
9
5
FIT
1:1
100%

Артикул

Название

Примечание

Количество

1

F41424

WHEEL - 8" wide (For 9:00 x 24 - 8 ply tire), hubs

2шт.

F41425

WHEEL - 10" wide (For 11:25 x 24 - 8 ply tire), hubs

2шт.

2

B18264

WHEEL BOLT

BOLT - wheel, hubs

16шт.

3

F89116

HUB AND AXLE - (Before #8361801), wheels

2шт.

F89153

HUB AND AXLE - (#8361801 and after), wheels

2шт.

4

F41423

SEAL - outer, wheels and hubs

1шт.

5

G15211

ROLLER BEARING

CONE - outer, wheels and hubs

1шт.

F41785

WASHER - hub (Not shown), wheels and hubs

1шт.

13-1020

BOLT,Hex, 5/8" - 11 x 1-1/4", Gr 5, Full Thd

L.W. (92-10), wheels and hubs Hex, 5/8"-11 x 1 1/4", G5, Full Thd

1шт.

6

F85411

HOUSING - bearing, wheels and hubs

2шт.

7

A28168

CUP

- outer, wheels and hubs

1шт.

8

B12408

BEARING CUP,59.156 mm OD x 11.862 mm

CUP - inner, wheels and hubs

1шт.

13-1028

BOLT,Hex, 5/8" - 11 x 1-3/4", Gr 5, Full Thd

Wheels and hubs Hex, 5/8"-11 x 1 3/4", G5, Full Thd

10шт.

166-114

SCREW,Flg, 5/8" - 11 x 1 3/4"

- cap 5/8" - 11 x 1-3/4", wheels and hubs

2шт.

92-10

LOCK WASHER,5/8"

WASHER, LOCK, , Wheels and hubs 5/8"

12шт.

9

B12409

BEARING, ROLLER,31.763 mm ID x 16.84 mm

CONE - inner, wheels and hubs

2шт.

10

F20833

SEAL

- inner, wheels and hubs

2шт.

11

F41155

SPACER, wheels and hubs

2шт.

12

129-291

SLOTTED NUT,1"-14, G5

NUT - 1" - 14 N.F. hex. slotted, wheels and hubs

2шт.

13

132-122

X

PIN - 7/32" x 1-1/2" cotter, wheels and hubs

2шт.

Выбрано товаров: 0