Запчасти Case IH 460 (008) - REEL SUPPORTS (58) - ATTACHMENTS/HEADERS

Схема запчастей Case IH 460 - (008) - REEL SUPPORTS (58) - ATTACHMENTS/HEADERS
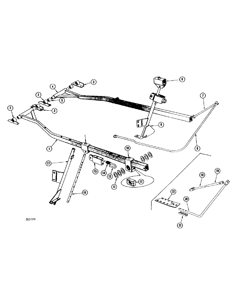
18
1
19
12
20
10
21
7
3
2
2
11
5
4
6
22
13
1
17
8
15
3
9
14
16
FIT
1:1
100%

Артикул

Название

Примечание

Количество

1

F82529

ARM - support, R.H.

1шт.

2

F81278

BRACKET - R.H. support arm pivot

2шт.

12-510

BOLT - 5/16" rhd. sh. sq. nk.; nut (25-105) L.W. (92-5)

2шт.

12-512

BOLT

- 5/16" x 3/4" rhd. sh. sq. nk.; nut (25-105) L.W. (92-5)

2шт.

3

F81054

BRACKET - L.H. support arm pivot

2шт.

12-510

BOLT - 5/16" x 5/8" rhd. sh. sq. nk.; nut (25-105) L.W. (92-5)

1шт.

12-512

BOLT

- 5/16" x 3/4" rhd. sh. sq. nk.; nut (25-105) L.W. (92-5)

1шт.

4

F82527

ARM AND BUSHING - support, L.H.

1шт.

5

A31082

BUSHING

- for L.H. arm

2шт.

219-8

LUBE NIPPLE,1/4" - 28 NPTF

NIPPLE, LUBE, 1/4"-28 NPT x .54" lg

1шт.

6

F82535

BRACKET - support, R.H. and L.H.

2шт.

181-647

SCREW - 3/8" x 1" sq. hd. N.C. flat point set

1шт.

7

F20027

LINK

- divider loop (Before #8361801)

2шт.

8

F20026

LOOP - divider point (Before #8361801)

2шт.

9

F82532

SUPPORT - L.H.

1шт.

111-404

CARRIAGE BOLT,Short NK, 7/16"-14 x 1 1/4", G5

BOLT, CARRIAGE, , Nut (129-104) L.W. (192-22) Short NK, 7/16"-14 x 1 1/4", G5

1шт.

10

F82597

BRACKET - support

2шт.

85-616

SET SCREW,Sq Hd, 3/8"-16 x 1"

SCREW - 3/8" x 1" sq. hd. N.C. cup pt. set

2шт.

11

B18302

WASHER

- 3 each side of shaft bearings

12шт.

12

F91895

BEARING - (Replaces F4342 when stocks exhausted)

2шт.

F4342

BEARING - (Replaced by F91895 when stocks exhausted)

2шт.

13

F18717

PIN - latch

2шт.

95-5

WASHER,3/8" x 7/8" x .083"

- 5/16"

2шт.

132-26

COTTER PIN

Pin, Split (Cotter), 3/32" x 3/4"

2шт.

14

O2985AB1

SPRING

- latch pin

2шт.

15

F82537

SUPPORT - latch pin

2шт.

14-512

BOLT,Hex, 5/16" - 24 x 3/4", Gr 5, Full Thd

Nut (25-115) L.W. (92-5) Hex, 5/16"-24 x 3/4", G5, Full Thd

2шт.

16

F18715

SUPPORT - upper

2шт.

14-524

BOLT,Hex, 5/16" - 24 x 1-1/2", Gr 5

- 5/16" x 1/2" N.F. hex; Flex-Loc nut (131-527)

1шт.

17

F82538

SUPPORT - R.H.

1шт.

114-201

BOLT,Hex, 3/8" - 24 x 1-1/4", Gr 5, Full Thd

- 3/8" x 1-1/4" N.F. hex.; nut (129-123) L.W. (192-21)

1шт.

114-218

BOLT,Hex, 3/8" - 24 x 7/8", Gr 5, Full Thd

- 3/8" x 7/8" N.F. hex.; nut (129-123)

1шт.

195-104

WASHER,3/8"

- flat; L.W. (192-21) 3/8"

1шт.

18

F83942

YOKE - with rod

2шт.

113-111

BOLT,Hex, 5/16" - 18 x 2-1/2", Gr 5

Locknut (131-4) Hex, 5/16"-18 x 2 1/2", G5

2шт.

19

F21001

PIPE

LINK - divider point extension

2шт.

113-103

BOLT,Hex, 5/16" - 18 x 1", Gr 5

Locknut (131-4) Hex, 5/16"-18 x 1", G5, Full Thd

2шт.

20

F83944

EXTENSION - divider point

2шт.

21

F21002

CLAMP -, Serial Range: extension-reinforcement

2шт.

111-221

CARRIAGE BOLT,Short NK, 5/16"-18 x 1 1/2", G2

BOLT, CARRIAGE, , Nut (129-106) Short NK, 5/16"-18 x 1 1/2", G2

6шт.

22

F20998

REINFORCEMENT - L.H. divider

1шт.

111-324

CARRIAGE BOLT,Short NK, 3/8"-16 x 7/8", G2

BOLT, CARRIAGE, , and Nut (129-103) Short NK, 3/8"-16 x 7/8", G2

2шт.

111-319

CARRIAGE BOLT,Short NK, 3/8"-16 x 1 1/4", G2

BOLT, CARRIAGE, , Nut (129-103) Short NK, 3/8"-16 x 1 1/4", G2

2шт.

111-325

CARRIAGE BOLT

BOLT - 3/8 x 1-1/2" rhd. sq. nk.; nut (129-103)

2шт.

114-200

BOLT,Hex, 3/8" - 24 x 1", Gr 5

Hex, 3/8"-24 x 1", G5, Full Thd; L.W. (192-21)

2шт.

F20997

REINFORCEMENT - R.H. divider

1шт.

111-202

CARRIAGE BOLT,Short NK, 5/16"-18 x 3/4", G2

BOLT, CARRIAGE, Short NK, 5/16"-18 x 3/4", G2, Nut (129-102)

4шт.

111-203

CARRIAGE BOLT,Short NK, 5/16"-18 x 1", G2

BOLT, CARRIAGE, Short NK, 5/16"-18 x 1", G2, Nut (129-102)

1шт.

111-204

CARRIAGE BOLT,Short NK, 5/16"-18 x 1 1/4", G2

BOLT - 5/16" x 1-1/4" rhd. sq. nk.; nut (129-102)

2шт.

Выбрано товаров: 0