Запчасти Case IH 460 (017A) - PICKUP SUPPORTS, 5 BELT (58) - ATTACHMENTS/HEADERS

Схема запчастей Case IH 460 - (017A) - PICKUP SUPPORTS, 5 BELT (58) - ATTACHMENTS/HEADERS
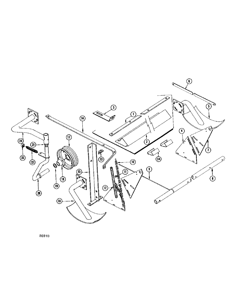
16
23
3
6
5
6
4
15
13
11
3a
10
2
20
17
9
12
7
1
19
24
18
14
22
21
FIT
1:1
100%

Артикул

Название

Примечание

Количество

1

F22274

WIPER - finger (Replaces F9643 when stocks exhausted)

2шт.

412-410

CARRIAGE BOLT,Short Sq Nk 1/4" - 20 x 5/8", Gr 2

BOLT - 1/4" x 5/8" rhd. sq. nk.; nut (129-101)

26шт.

192-102

WASHER

- 1/4" flat and L.W. (192-19)

26шт.

2

F14816

SHIELD - sickle guard (Replaces F22273 when exhausted)

2шт.

F22273

SHIELD - sickle guard (Replaced by F14816 when exhausted)

2шт.

3

F14802

CLIP - sickle guard shield (Replaces F12150 when exhausted)

4шт.

3a

F12150

SUPPORT - sickle guard shield (Replaced by F14802 when exh.)

4шт.

4

F9631

BRACKET - lower

2шт.

114-102

BOLT,Hex, 5/16" - 24 x 3/4", Gr 5

Nut (129-122) Hex, 5/16"-24 x 3/4", G5, Full Thd

6шт.

192-20

LOCK WASHER,Helical Spring, 0.318" ID, CST, ZND

WASHER, LOCK, , and fl. wshr. (195-103) 5/16"

6шт.

5

F77372

RUNNER - L.H.

1шт.

25-106

NUT,3/8"-16, G5

- 3/8" N.C. hex.; L.W. (92-6) fl. wshr. (95-6)

4шт.

6

F12551

BRACE - L.H. mounting angle

1шт.

F22287

BRACE - R.H. mounting angle

1шт.

7

F9981

BRACKET - upper, windguard

2шт.

114-102

BOLT,Hex, 5/16" - 24 x 3/4", Gr 5

Nut (129-122) Hex, 5/16"-24 x 3/4", G5, Full Thd

4шт.

195-103

WASHER,5/16"

- flat 5/16"

8шт.

114-304

BOLT,Hex, 7/16" - 20 x 2-1/4", Gr 5

Hex, 7/16"-20 x 2 1/4", G5, Dbl. nut (129-124)

2шт.

8

F22283

PIPE - windguard

1шт.

123-301

BOLT - 7/16" x 4" N.C. tap

2шт.

230-4117

LOCK NUT,7/16"-14, GA

LOCKNUT - 7/16" N.C. Gripco jam

4шт.

132-99

COTTER PIN,3/16" x 2"

Pin, Split (Cotter), 3/16" x 2"

2шт.

9

F9639

TINE - windguard

19шт.

10

F84972

CHAIN (AG)

CHAIN - support

2шт.

11

F20641

"S" HOOK

2шт.

114-104

BOLT,Hex, 5/16" - 24 x 1", Gr 5

- 5/16" x 1" N.F. hex.; fl. wshr. (195-103)

2шт.

113-104

BOLT,Hex, 5/16" - 18 x 1-1/4", Gr 5

Fl. wshr. (195-103) Hex, 5/16"-18 x 1 1/4", G5

2шт.

9635082

NUT,5/16" - 18, Gr 5

8шт.

12

F22285

SPRING - For supporting arms

2шт.

13

F17683

CLIP - mounting angle support

2шт.

114-102

BOLT,Hex, 5/16" - 24 x 3/4", Gr 5

Nut (129-102) Hex, 5/16"-24 x 3/4", G5, Full Thd

4шт.

14

F17679

SUPPORT - mounting angles

2шт.

114-102

BOLT,Hex, 5/16" - 24 x 3/4", Gr 5

Nut (129-122) Hex, 5/16"-24 x 3/4", G5, Full Thd

4шт.

15

F86662

ANGLE - mounting, R.H.

1шт.

114-102

BOLT,Hex, 5/16" - 24 x 3/4", Gr 5

Nut (129-122) Hex, 5/16"-24 x 3/4", G5, Full Thd

2шт.

195-104

WASHER,3/8"

- flat, L.W. (192-20) 3/8"

2шт.

F86661

ANGLE - mounting, L.H.

1шт.

16

F77373

RUNNER - R.H.

1шт.

25-106

NUT,3/8"-16, G5

- 3/8" N.C. hex.; L.W. (92-6) fl. wshr. (95-6)

4шт.

17

F11478

WHEEL - gauge, 2 disc halves for 12 x 3.50 semi-pneumatic tire

2шт.

14-510

SCREW,Hex, 5/16" - 24 x 5/8", Gr 5, Full Thd

BOLT, , Nut (25-115) Hex, 5/16"-24 x 5/8", G5, Full Thd

8шт.

18

F1355

HUB - gauge wheel

2шт.

219-1

LUBE NIPPLE,1/8" - 27 NPTF

FITTING - grease 1/8" str.

2шт.

14-514

BOLT,Hex, 5/16" - 24 x 7/8", Gr 5, Full Thd

Nut (25-115) Hex, 5/16"-24 x 7/8", G5, Full Thd

8шт.

19

A28764

WASHER - axle

6шт.

20

F86973

AXLE - gauge wheel

2шт.

132-307

COTTER PIN,1/4" x 1 3/4"

PIN, Split (Cotter), 1/4" x 1 3/4"

4шт.

21

B18275

WASHER

- axle

4шт.

22

O2818BF

SPRING - gauge wheel axle

2шт.

23

F12970

CLAMP - spring

2шт.

14-420

BOLT,Hex, 1/4" - 28 x 1-1/4", Gr 5

Dbl. nut (25-114) Hex, 1/4"-28 x 1 1/4", G5

2шт.

24

F78892

ARM - R.H. support, gauge wheel

1шт.

F78891

ARM - L.H. support, gauge wheel

1шт.

219-8

LUBE NIPPLE,1/4" - 28 NPTF

NIPPLE, LUBE, (straight) 1/4"-28 NPT x .54" lg

2шт.

Выбрано товаров: 0