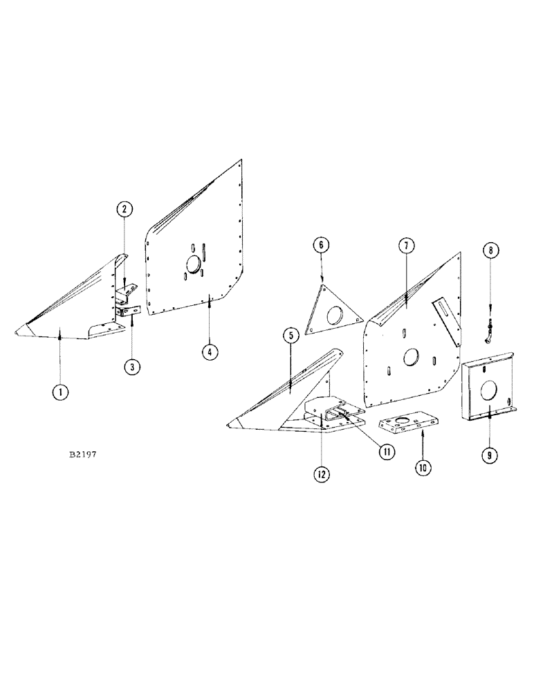
Запчасти Case IH 460 (030) - HEADER AUGER TROUGH HEADS (58) - ATTACHMENTS/HEADERS

Схема запчастей Case IH 460 - (030) - HEADER AUGER TROUGH HEADS (58) - ATTACHMENTS/HEADERS
6
1
11
9
10
12
7
2
5
8
4
3
FIT
1:1
100%

Артикул

Название

Примечание

Количество

1

F83938

POINT - R.H. divider (#8361801 and after)

1шт.

F80769

POINT - R.H. divider (Before #8361801)

1шт.

173-207

X

SCREW - 1/4" x 5/8" N.C. rhd. mach.; nut (129-101) L.W. (192-19)

5шт.

114-5

BOLT,Hex, 1/4" - 28 x 3/4", Gr 5

- 1/4" x 3/4" N.F. hex.; nut (129-21) L.W. (192-19)

2шт.

114-102

BOLT,Hex, 5/16" - 24 x 3/4", Gr 5

Nut (129-122) L.W. (192-20) Hex, 5/16"-24 x 3/4", G5, Full Thd

1шт.

195102

SHIELD

- 1/4"

14шт.

2

F17755

BRACKET - R.H. end sheet reinforcement

1шт.

14-510

SCREW,Hex, 5/16" - 24 x 5/8", Gr 5, Full Thd

BOLT, , Nut (25-115) L.W. (92-5) Hex, 5/16"-24 x 5/8", G5, Full Thd

2шт.

14-514

BOLT,Hex, 5/16" - 24 x 7/8", Gr 5, Full Thd

- 5/16" x 3/4" N.F. hex.; nut (25-115) L.W. (92-5)

2шт.

3

F17754

BRACKET - R.H. divider point shoe

1шт.

14-516

BOLT,Hex, 5/16" - 24 x 1", Gr 5, Full Thd

- 5/16" x 1" N.F. hex.; nut (25-115) L.W. (92-5)

2шт.

14-614

SCREW,Hex, 3/8" - 24 x 7/8", Gr 5

BOLT - 3/8" x 7/8" N.F. hex.; nut (25-116) L.W. (92-6)

2шт.

4

F80738

SHEET - R.H. end, auger trough

1шт.

12-48

BOLT - 1/4" x 1/2" rhd. sq. nk.; nut (25-104) L.W. (92-4)

2шт.

12-512

BOLT

- 5/16" x 3/4" rhd. sq. nk.; nut (25-105) L.W. (92-5)

1шт.

12-510

BOLT - 5/16" x 5/8" rhd. sq. nk.; nut (25-105) L.W. (92-5)

1шт.

14-510

SCREW,Hex, 5/16" - 24 x 5/8", Gr 5, Full Thd

BOLT, , Nut (25-115) L.W. (92-5) Hex, 5/16"-24 x 5/8", G5, Full Thd

5шт.

5

F83937

POINT - L.H. divider (#8361801 and after)

1шт.

F80767

POINT - L.H. divider (Before #8361801)

1шт.

114-5

BOLT,Hex, 1/4" - 28 x 3/4", Gr 5

- 1/4" x 3/4" N.F. hex.; nut (129-121) L.W. (192-19)

3шт.

6

F15804

BRACKET - auger adjustment

1шт.

11-612

BOLT

- 3/8" x 3/4" rhd. sq. nk.; nut 925-106) L.W. (92-6)

3шт.

7

F20625

SHEET - L.H. end, auger trough

1шт.

11-510

SCREW,Short Nk, 5/16" - 18 x 5/8", Gr 2

BOLT - 5/16" x 5/8" rhd. sq. nk.; nut (25-105) L.W. (92-5)

2шт.

8

F17753

BOLT - eye, auger adjustment

2шт.

9635082

NUT,5/16" - 18, Gr 5

- 5/16" N.C. hex

2шт.

9

F20268

BRACKET - L.H., auger support

1шт.

14-512

BOLT,Hex, 5/16" - 24 x 3/4", Gr 5, Full Thd

Nut (25-115) L.W. (92-5) Hex, 5/16"-24 x 3/4", G5, Full Thd

2шт.

14-412

BOLT,Hex, 1/4" - 28 x 3/4", Gr 5, Full Thd

- 1/4" x 3/4" N.F. hex.; nut (25-114) L.W. (92-4)

3шт.

10

F20599

PLATE - L.H., reinforcement

1шт.

11

F41816

BRACKET - L.H., divider shoe (#8361801 and after)

1шт.

F20600

BRACKET - L.H., divider shoe (Before #8361801)

1шт.

11-520

X

BOLT - 5/16" x 1-1/4" rhd. sq. nk.; nut (25-105) L.W. (92-5)

2шт.

12

F17759

REINFORCEMENT - L.H. divider shoe

1шт.

14-616

BOLT,Hex, 3/8" - 24 x 1", Gr 5

- 3/8" x 1" N.F. hex.; nut (25-116) L.W. (92-6)

4шт.

Выбрано товаров: 0