Запчасти Case IH 460 (052) - SPIKE TOOTH CYLINDER (66) - THRESHING

Схема запчастей Case IH 460 - (052) - SPIKE TOOTH CYLINDER (66) - THRESHING
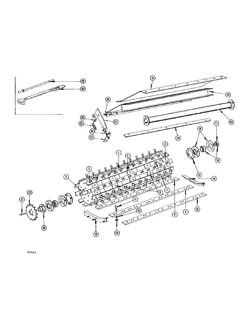
23
11
26
6
20
9
7
30
19
34
4
29
32
31
15
1
21
17
27
2
28
22
10
13
33
5
16
8
24
3
14
12
18
25
FIT
1:1
100%

Артикул

Название

Примечание

Количество

1

F89225

CYLINDER - (Replaces F82433 when stocks exhausted)

1шт.

F82433

CYLINDER - (Replaced by F89225 when stocks exhausted)

1шт.

2

F18519

SHAFT

1шт.

3

F84111

HEAD - R.H. cylinder

1шт.

25-107

NUT,7/16"-14, G5

- 7/16" N.C. hex

4шт.

4

F92465

RING - center (Replaces F81148 when stocks exhausted)

1шт.

F81148

RING - center (Replaced by F92465 when stocks exhausted)

1шт.

5

F84110

HEAD - L.H.

1шт.

O1632TS1

WASHER - balance (2-1/4" O.D. x 1-1/32" I.D. #18 ga.)

1шт.

75-520

SCREW - 5/16" x 1-1/2" N.C. rhd. mach.

2шт.

9635082

NUT,5/16" - 18, Gr 5

- 5/16" N.C. hex.; L.W. (92-5)

2шт.

6

F92466

RING - outside (Replaces F81149 when stocks exhausted)

2шт.

F81149

RING - outside (Replaced by F92466 when stocks exhausted)

2шт.

7

126-48

WOODRUFF KEY,#29, 3/8" x 2 1/8"

KEY - #29 Woodruff

2шт.

8

F16784

BAR - #1, less teeth

3шт.

11-820

BOLT,Short NK, 1/2"-13 x 1 1/4", G2

- 1/2" x 1-1/4" rhd. sq. nk.; nut (25-108) L.W. (92-8)

3шт.

9

F16785

BAR - #2, less teeth

3шт.

11-820

BOLT,Short NK, 1/2"-13 x 1 1/4", G2

- 1/2" x 1-1/4" rhd. sq. nk.; nut (25-108) L.W. (92-8)

6шт.

10

F16786

BAR - #3, less teeth

3шт.

11-820

BOLT,Short NK, 1/2"-13 x 1 1/4", G2

- 1/2" x 1-1/4" rhd. sq. nk.; nut (25-108) L.W. (92-8)

6шт.

11

B18066

TOOTH

NUT - For B18066

111шт.

12

194-8

LOCKWASHER - For B18066 tooth

111шт.

13

O236T

NUT - For B18066

111шт.

14

F77257

SHIELD - L.H. cylinder

1шт.

25-104

NUT,1/4"-20, G5

; L.W. (92-4) 1/4"-20, G5

3шт.

15

F81313

RETAINER - cylinder bearing

2шт.

16

F77924

BEARING

2шт.

17

F62107

COLLAR

1шт.

18

F8944

FLANGE

4шт.

25-108

NUT,1/2"-13, G5

- 1/2" N.C. hex.; L.W. (92-8)

8шт.

19

F77258

SHIELD - R.H.

1шт.

25-104

NUT,1/4"-20, G5

; L.W. (92-4) 1/4"-20, G5

3шт.

20

F1738

HUB - cylinder drive (Replaces F3406 when exhausted)

1шт.

F3406

HUB

- cylinder drive (Replaced by F1738 when exhausted)

1шт.

21

O30388HT

KEY

- gib

1шт.

22

F8974

SPROCKET ASSY.

SPROCKET - (24T)

1шт.

23

F21411

BRACKET - spring, cylinder stripper

2шт.

24

F82683

ROD - adjustment

2шт.

25-106

NUT,3/8"-16, G5

- 3/8" N.C. hex

4шт.

95-6

WASHER,3/8"

FLATWASHER - 3/8"

2шт.

25

F18980

SPRING

2шт.

26

F18979

CLIP - spring

2шт.

27

F18982

COVER - slot

2шт.

28

F18983

ROD - adjustment

1шт.

29

F81694

LEVER - cylinder

1шт.

30

B18287

STRAIGHTENER - tooth

1шт.

31

F18988

SCREW

SHIELD - air

1шт.

32

F83778

STRIPPER - cylinder

1шт.

14-664

BOLT,Hex, 3/8" - 24 x 4", Gr 5

- 3/8" x 4" N.F. hex

3шт.

25-116

NUT,Hex, 3/8"-24, G5

- 3/8" N.F. hex

6шт.

33

F83698

SUPPORT - stripper

1шт.

11-612

BOLT

- 3/8" x 3/4" rhd. sq. nk.; nut (25-106) L.W. (92-6)

3шт.

34

F16800

PLATE - filler

9шт.

114-218

BOLT,Hex, 3/8" - 24 x 7/8", Gr 5, Full Thd

- 3/8" x 7/8" N.F. hex.; L.W. (192-21)

45шт.

129-123

NUT,3/8"-24, G5

30шт.

Выбрано товаров: 0