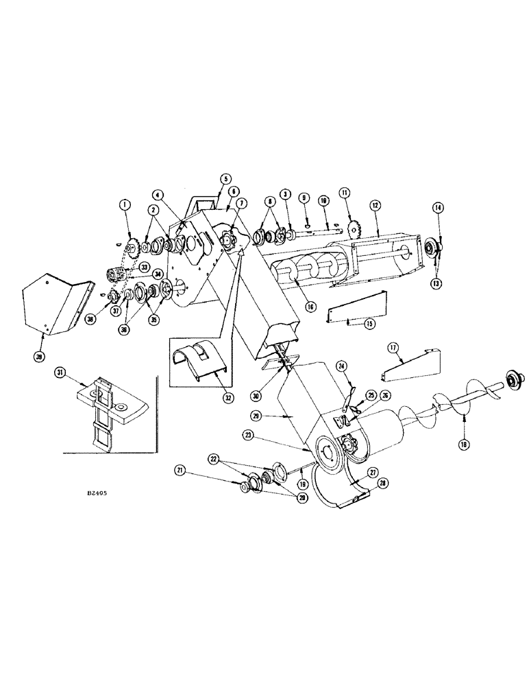
Запчасти Case IH 460 (082) - TAILINGS ELEVATOR (66) - THRESHING

Схема запчастей Case IH 460 - (082) - TAILINGS ELEVATOR (66) - THRESHING
6
26
17
20
36
3
15
3
19
23
5
22
16
32
28
38
27
29
9
13
31
35
8
2
12
25
24
34
11
30
21
14
10
39
1
37
4
7
18
FIT
1:1
100%

Артикул

Название

Примечание

Количество

1

F76981

SPROCKET - (22T) discharge auger drive

1шт.

132-97

COTTER PIN,3/16" x 1 3/4"

Pin, Split (Cotter), 3/16" x 1 3/4"

1шт.

2

F94134

HOUSING ASSY.

BEARING - upper elevator shaft

2шт.

3

F52076

COLLAR

1шт.

4

F41280

BRACKET - bearing, L.H.

1шт.

12-412

BOLT - 1/4" x 3/4" rhd. sq. nk.; nut (25-104) L.W. (92-4) fl. wshr. (195-18)

1шт.

114-112

BOLT - 5/16" x 2-1/2" N.F. hex

1шт.

25-115

NUT,5/16"-24, G5

- 5/16" NF hex

2шт.

F41281

BRACKET - bearing, R.H.

1шт.

12-412

BOLT - 1/4" x 3/4" rhd. s.q nk.; nut (25-104) L.W. (92-4) fl. wshr. (195-18)

1шт.

114-112

BOLT - 5/16" x 2-1/2" N.F. hex.; dbl. nut (25-115)

1шт.

5

F83602

DOOR - inspection

1шт.

6

F85809

HEAD - upper

1шт.

F86525

CLIP

- spring, inspection door (Not shown)

1шт.

151-123

RIVET - 3/16" x 4/16" semi-tubular

1шт.

12-48

BOLT - 1/4" x 1/2" rhd. sq. nk.; nut (25-104) L.W. (92-4)

6шт.

7

51B

SPROCKET ASSY.

SPROCKET - (7T) elevator, upper and lower

2шт.

132-97

COTTER PIN,3/16" x 1 3/4"

Pin, Split (Cotter), 3/16" x 1 3/4"

2шт.

8

F9417

FLANGE

TTE - upper shaft bearings

4шт.

12-512

BOLT

- 5/16" x 3/4" rhd. sq. nk.; nut 925-105) and L.W. (92-5)

4шт.

9

126-121

WOODRUFF KEY,#A, 1/4" x 7/8", HT

For sprockets #A, 1/4" x 7/8", HT

5шт.

10

F41258

SHAFT - upper

1шт.

11

F85810

SPROCKET - (25T) tailings elevator drive (Before #8361801)

1шт.

F89217

SPROCKET - tailings elevator drive (#8361801 and after)

1шт.

132-99

COTTER PIN,3/16" x 2"

Pin, Split (Cotter), 3/16" x 2"

1шт.

12

F81603

HOUSING - return

1шт.

14-48

BOLT,Hex, 1/4" - 28 x 1/2", Gr 5

; Nut (25-114), L.W. (92-4) Hex, 1/4"-28 x 1/2", G5, Full Thd

14шт.

14-412

BOLT,Hex, 1/4" - 28 x 3/4", Gr 5, Full Thd

- 1/4" x 3/4" N.F. hex.; nut (25-114) L.W. (92-4)

2шт.

13

F78749

COLLAR

BEARING - R.H., upper and lower augers

2шт.

14

F52076

COLLAR

1шт.

11-512

SCREW,Short Nk, 5/16" - 18 x 3/4", Gr 2

BOLT, CARRIAGE, , Nut (25-105), L.W. (92-5) Short NK, 5/16"-18 x 3/4", G2

4шт.

15

F41238

SUPPORT - elevator, upper

1шт.

14-510

SCREW,Hex, 5/16" - 24 x 5/8", Gr 5, Full Thd

BOLT, , Nut (25-115) L.W. (92-5) Hex, 5/16"-24 x 5/8", G5, Full Thd

4шт.

14-714

SCREW,Hex, 7/16" - 20 x 7/8", Gr 5

BOLT - 7/16" x 7/8" N.F. hex.; nut (25-117) L.W. (92-7)

3шт.

16

F85811

AUGER - discharge

1шт.

17

F41241

BRACE - lower

1шт.

14-410

SCREW,Hex, 1/4" - 28 x 5/8", Gr 5

BOLT - 1/4" x 5/8" N.F. hex.; nut (25-114) L.W. (92-4)

2шт.

12-48

BOLT - 1/4" x 1/2" RHD. SQ. NK.; nut (25-104) L.W. (92-4)

1шт.

18

F85808

UGER - tailings, lower

1шт.

19

O309CS

PIN - hinge

1шт.

20

F90306

BEARING ASSY

BEARING - lower auger, L.H.

1шт.

21

O4233CS

COLLAR

1шт.

22

B18282

FLANGE

2шт.

11-512

SCREW,Short Nk, 5/16" - 18 x 3/4", Gr 2

BOLT, CARRIAGE, , Nut (25-105), L.W. (92-5) Short NK, 5/16"-18 x 3/4", G2

3шт.

23

F84945

KIT - repair, lower head

1шт.

175-407

SCREW,Sl Truss Hd, 1/4" - 28 x 1/2"

- 1/4" x 1/2" truss hd. mach.; nut (129-121)

12шт.

24

O313CS

HANDLE - latch

1шт.

45-310

RIVET,But Hd, 3/16" x 5/8"

- 3/16" x 5/8" rhd.

1шт.

25

O316CS

SPRING - latch handle

1шт.

26

O314CS

BRACKET - latch handle

2шт.

49-35

RIVET - 3/16" x 5/16" W.B.

4шт.

27

F81610

DOOR - lower head

1шт.

28

O315CS

HOOK - latch

1шт.

29

F85806

BODY - elevator

1шт.

30

F82402

X

CHAIN AND FLIGHTS - (Use (1) F86423, (1) F86425 and (1) 235-83 coupler link)

1шт.

F86423

CHAIN (AG)

CHAIN AND FLIGHTS - (Consists of chain with 10 flights)

1шт.

F86425

CHAIN (CE)

CHAIN AND FLIGHTS - (Consists of chain with 20 flights)

1шт.

31

F79799

RUBBER FLIGHT

FLIGHT - (Rubber) elevator chain (Includes F11165 flight, (1) 235-65 att. link, (2) #55 plain links and (2) 151-135 rivets)

30шт.

32

F41279

EXTENSION - divider

1шт.

12-412

BOLT - 1/4" x 3/4" rhd. sq. nk.; nut 925-104) L.W. (92-4)

2шт.

33

F4718

BLOCK - tightener

1шт.

11-660

BOLT - 3/8" x 3-3/4" rhd. sq. nk.; nut (25-106) L.W. (92-6) and wshr. (95-6)

1шт.

34

F17105

X

CHAIN - discharge auger drive (See chain page)

1шт.

35

B18282

FLANGE

2шт.

11-512

SCREW,Short Nk, 5/16" - 18 x 3/4", Gr 2

BOLT, CARRIAGE, , Nut (25-105), L.W. (92-5) Short NK, 5/16"-18 x 3/4", G2

3шт.

36

F94134

HOUSING ASSY.

BEARING - L.H.

1шт.

37

F52076

COLLAR

1шт.

38

F76947

SPROCKET - (15T) discharge auger drive, driven

1шт.

132-97

COTTER PIN,3/16" x 1 3/4"

Pin, Split (Cotter), 3/16" x 1 3/4"

1шт.

39

F41285

SHIELD - chain

1шт.

14-48

BOLT,Hex, 1/4" - 28 x 1/2", Gr 5

; Nut (25-114), L.W. (92-4) Hex, 1/4"-28 x 1/2", G5, Full Thd

3шт.

12-48

BOLT - 1/4" x 1/2" rhd. s.q nk.; nut (25-104) L.W. (92-4)

1шт.

49-35

RIVET - 3/16" x 5/16" W.B.

4шт.

Выбрано товаров: 0