Запчасти Case IH 460 (064) - STRAWRACK CRANKSHAFT (72) - SEPARATION

Схема запчастей Case IH 460 - (064) - STRAWRACK CRANKSHAFT (72) - SEPARATION
5
9
4
3
2a
6
10
2
11
8
1
15
14
12
13
7
FIT
1:1
100%

Артикул

Название

Примечание

Количество

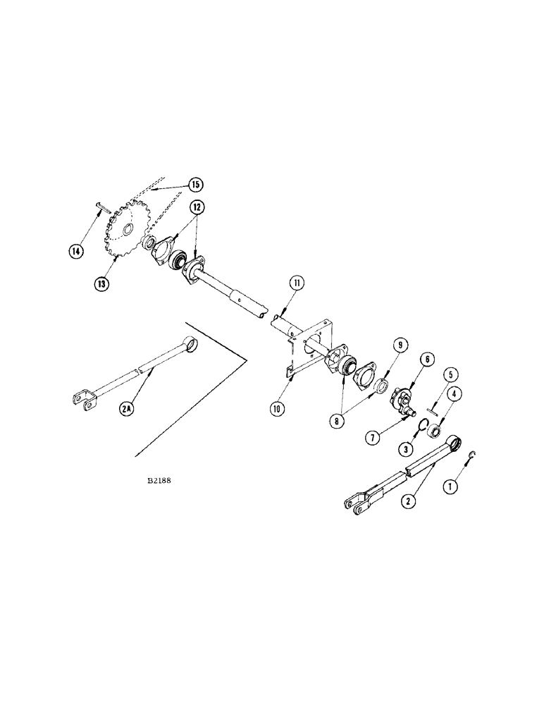
1

A26949

RING, SNAP

SNAP RING

1шт.

2

F84893

PITMAN - strawrack (Replaces F80887 when stocks exhausted)

1шт.

2a

F80887

PITMAN

- strawrack (Replaced by F84893 when stocks exhausted)

1шт.

3

A27150

RING

SNAP RING

1шт.

4

N4651

BALL BEARING,0.9843" ID x 2.0472" OD x 0.5906"

BEARING - Pitman

1шт.

5

O1821CS

KEY

1шт.

6

F85781

CRANK - hub and Pitman

1шт.

7

F17772

PIN

1шт.

8

T18852

BALL BEARING

BEARING

2шт.

9

O4524B

COLLAR

1шт.

10

F16092

BRACKET - R.H., end

1шт.

14-512

BOLT,Hex, 5/16" - 24 x 3/4", Gr 5, Full Thd

Nut (25-115) L.W. (92-5) Hex, 5/16"-24 x 3/4", G5, Full Thd

5шт.

11

F21436

CRANKSHAFT

1шт.

12

F16086

FLANGE

4шт.

11-612

BOLT

- 3/8" x 3/4" rhd. sq. nk.; nut (25-106) L.W. (92-6)

6шт.

11-616

CARRIAGE BOLT,Short NK, 3/8"-16 x 1", G2

BOLT, CARRIAGE, Short NK, 3/8"-16 x 1", G2

3шт.

13

F81348

SPROCKET - (45T and 17T)

1шт.

14

O30388HT

KEY

- gib

1шт.

15

F16228

X

CHAIN - crankshaft drive (See chain page)

1шт.

Выбрано товаров: 0