Запчасти Case IH 460 (064[1]) - SHOE ROCKER ARM SHAFT (74) - CLEANING

Схема запчастей Case IH 460 - (064[1]) - SHOE ROCKER ARM SHAFT (74) - CLEANING
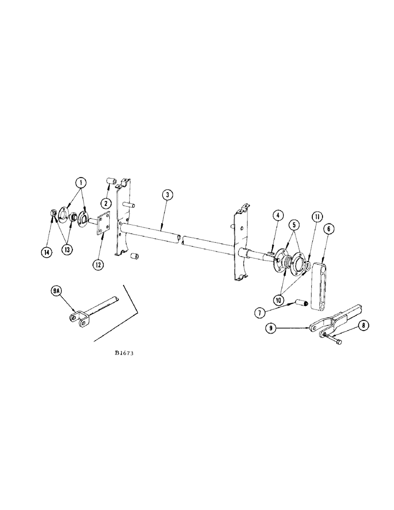
12
1
14
4
2
10
11
9
5
6
8
9a
13
3
7
FIT
1:1
100%

Артикул

Название

Примечание

Количество

1

B18282

FLANGE

TTE, shoe rocker arm shaft

2шт.

11-512

SCREW,Short Nk, 5/16" - 18 x 3/4", Gr 2

BOLT, CARRIAGE, , Nut (25-105), L.W. (92-5), Shoe rocker arm shaft Short NK, 5/16"-18 x 3/4", G2

3шт.

2

F16808

BUSHING

- torsion, shoe rocker arm shaft

2шт.

3

F88433

SHAFT - Shaker (Replaces F83848 when exhausted), shoe rocker arm

1шт.

F83848

SHAFT - Shaker (Replaced by F88433 when exhausted), shoe rocker arm

1шт.

4

F22677

KEY

- (3/8" sq. x 1-7/16") (Use with F88433), shoe rocker arm shaft

1шт.

O8065HT

KEY

- (3/8" sq. x 1-7/16") (Use with F83848), shoe rocker arm shaft

1шт.

5

F8944

FLANGE

shoe rocker arm shaft

2шт.

11-820

BOLT,Short NK, 1/2"-13 x 1 1/4", G2

- 1/2" x 1-1/4" rhd. sq. nk.; nut (24-108) L.W. (92-8), shoe rocker arm shaft

4шт.

6

F81351

ARM

- rocker, shoe rocker arm shaft

1шт.

7

F17773

BUSHING

- (1-9/32" O.D. x 2" long), shoe rocker arm shaft

1шт.

8

F17005

SCREW

BOLT - pivot, shoe rocker arm shaft

1шт.

132-50

COTTER PIN,1/8" x 1 1/4"

Pin, Split (Cotter), , Shoe rocker arm shaft 1/8" x 1 1/4"

1шт.

25-1310

SLOTTED NUT,5/8"-18, G5

NUT - 5/8" N.F. hex.; slotted, shoe rocker arm shaft

1шт.

9

F84893

PITMAN - (Replaces F80887 when stocks exhausted), shoe rocker arm shaft

1шт.

9a

F80887

PITMAN

- (Replaced by F84893 when stocks exhausted), shoe rocker arm shaft

1шт.

10

F77924

BEARING

- R.H., shoe rocker arm shaft

1шт.

11

F62107

COLLAR

shoe rocker arm shaft

1шт.

12

F81350

SHAFT - stub, shoe rocker arm

1шт.

14-720

BOLT,Hex, 7/16" - 20 x 1-1/4", Gr 5, Full Thd

- 7/16" x 1-1/4" N.F. hex.; nut (25-117) L.W. (92-7), shoe rocker arm shaft

4шт.

13

F82057

BEARING

shoe rocker arm shaft

1шт.

14

F62108

COLLAR

shoe rocker arm shaft

1шт.

Выбрано товаров: 0