Запчасти Case IH 460 (078[1]) - GRAIN BIN AUGER (80) - CROP STORAGE/UNLOADING

Схема запчастей Case IH 460 - (078[1]) - GRAIN BIN AUGER (80) - CROP STORAGE/UNLOADING
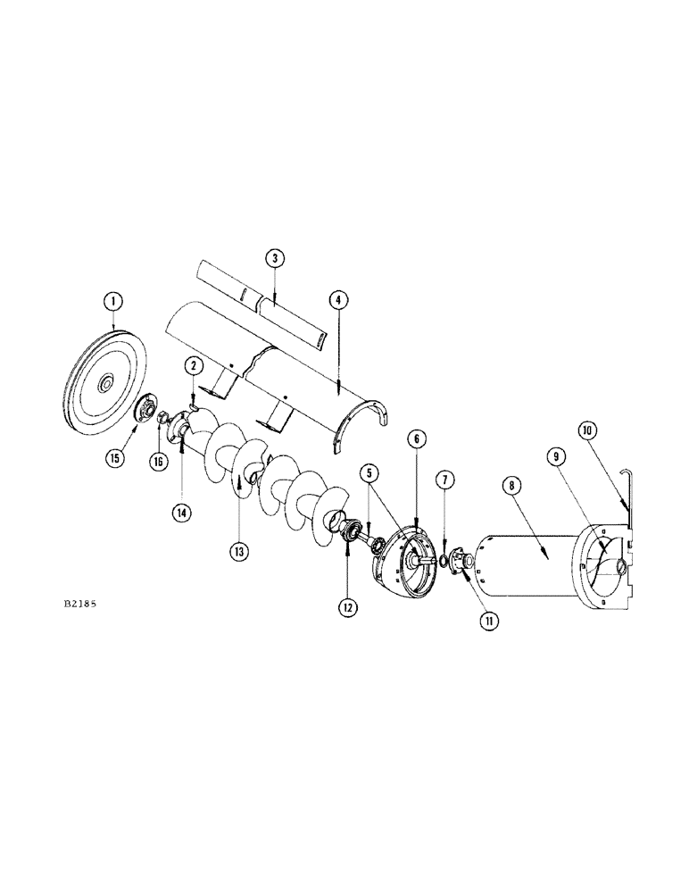
13
6
5
11
8
15
4
7
2
12
16
10
1
9
14
3
FIT
1:1
100%

Артикул

Название

Примечание

Количество

1

F81380

SHEAVE, grain bin auger

1шт.

132-57

X

PIN - 1/4" x 2-1/2" cotter, grain bin auger

1шт.

2

126-121

WOODRUFF KEY,#A, 1/4" x 7/8", HT

Grain bin auger #A, 1/4" x 7/8", HT

1шт.

3

F41233

COVER - slot, grain bin auger

2шт.

111-108

CARRIAGE BOLT,Short NK, 1/4"-20 x 3/4", G2

BOLT - 1/4" x 3/4" rhd. sq. nk.; nut (25-104) L.W. (92-4) and wshr. (95-4), grain bin auger

4шт.

4

F85789

COVER - auger, grain bin

1шт.

14-510

SCREW,Hex, 5/16" - 24 x 5/8", Gr 5, Full Thd

BOLT, , Nut (25-115) L.W. (92-5), Grain bin auger Hex, 5/16"-24 x 5/8", G5, Full Thd

6шт.

11-510

SCREW,Short Nk, 5/16" - 18 x 5/8", Gr 2

BOLT - 5/16" x 5/8" rhd. sq. nk.; nut (25-105) and L.W. (92-5) wshr. (95-5), grain bin auger

3шт.

14-616

BOLT,Hex, 3/8" - 24 x 1", Gr 5

- 3/8" x 1" N.F. hex.; nut (25-116) L.W. (92-6), grain bin auger

6шт.

5

F1491

GEAR

- bevel (13T), grain bin auger

2шт.

6

F1575

GEAR BOX, grain bin auger

1шт.

219-55

LUBE NIPPLE,90 Degree Elbow, 1/8" - 27 NPTF

NIPPLE, LUBE, , Grain bin auger 90º, 1/8" NPT x .84" lg

1шт.

11-616

CARRIAGE BOLT,Short NK, 3/8"-16 x 1", G2

BOLT, CARRIAGE, , Nut (25-106) L.W. (92-6), grain bin auger Short NK, 3/8"-16 x 1", G2

8шт.

7

F17801

WASHER - thrust, grain bin auger

1шт.

8

F82795

TUBE - hinge, middler auger, grain bin

1шт.

11-510

SCREW,Short Nk, 5/16" - 18 x 5/8", Gr 2

BOLT - 5/16" x 5/8" rhd. sq. nk.; nut (25-105) L.W. (92-5), grain bin auger

12шт.

9

F82398

AUGER - middle (Before #8361801), grain bin

1шт.

F94230

AUGER - middle (#8361801 and after), grain bin

1шт.

10

F6685

PIN, grain bin auger

1шт.

11

F82642

CAP - bearing, gear box outer, grain bin auger

1шт.

113-113

BOLT,Hex, 5/16" - 18 x 7/8", Gr 5

; L.W. (193-9), grain bin auger Hex, 5/16"-18 x 7/8", G5, Full Thd

2шт.

F17054

FLANGED BEARING

BUSHING, grain bin auger

1шт.

12

F88209

CAP - bearing gear box inner (Replaces F82641 when exh.), grain bin auger

1шт.

F82641

CAP

- bearing, gear box inner (Replaced by F88209 when exh.), grain bin auger

1шт.

F14591

BUSHING - (Replaces F17053 when exhausted), grain bin auger

1шт.

F17053

BEARING

BUSHING - (Replaced by F14591 when exhausted), grain bin auger

1шт.

113-113

BOLT,Hex, 5/16" - 18 x 7/8", Gr 5

; L.W. (193-9), grain bin auger Hex, 5/16"-18 x 7/8", G5, Full Thd

2шт.

13

F85788

AUGER - grain bin, grain bin

1шт.

14

F17052

SHIELD - bearing dust, grain bin auger

1шт.

11-516

BOLT,Short NK, 5/16"-18 x 1", G2

CARRIAGE, , Nut (25-105), L.W. (92-5), Grain bin auger Short NK, 5/16"-18 x 1", G2

3шт.

15

B16267

BEARING, BALL

BEARING - R.H., grain bin auger

1шт.

16

F10138

COLLAR

grain bin auger

1шт.

Выбрано товаров: 0