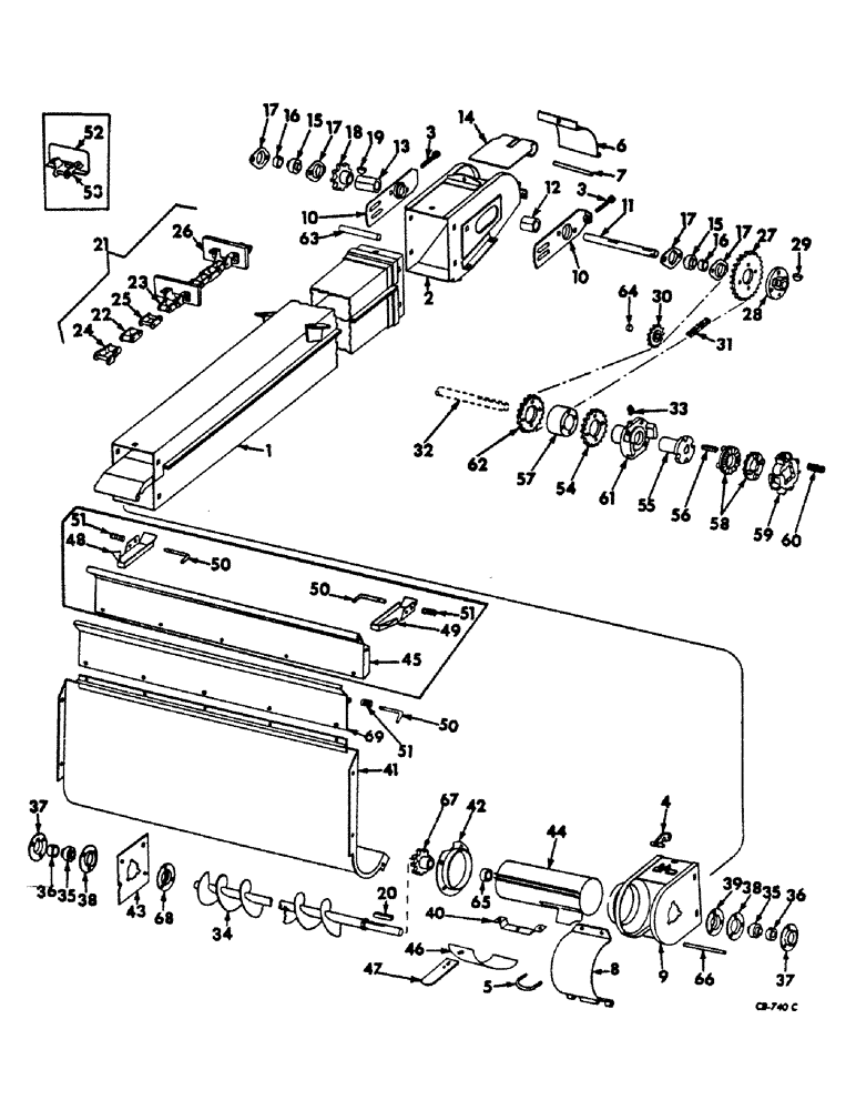
Запчасти Case IH 914 (25-08) - ELEVATORS, TAILINGS ELEVATOR TROUGH AND DRIVE Elevators

Схема запчастей Case IH 914 - (25-08) - ELEVATORS, TAILINGS ELEVATOR TROUGH AND DRIVE Elevators
3
28
18
51
59
30
60
58
27
57
4
29
1
49
24
51
49
9
10
39
14
12
38
17
17
17
34
37
22
37
47
50
6
50
19
11
2
53
44
36
35
15
51
46
7
52
20
66
17
8
67
65
16
63
16
35
32
13
42
36
33
62
41
3
61
5
31
23
54
40
68
10
26
36
45
64
21
25
56
50
43
69
15
55
FIT
1:1
100%

Артикул

Название

Примечание

Количество

1

169397C1

HOUSING

ASSY, tailings elevator

1шт.

18495R1

BOLT,Hex, 3/8" - 16 x 1 1/4", Gr 2

3/8 x 1-1/4 C-Z hex-hd mach

2шт.

120377

NUT,3/8" - 16, Gr 5

2шт.

120382

LOCK WASHER,Helical Spring, 3/8"

WASHER, LOCK, 3/8"

2шт.

607891R1

WASHER

13/32 x 1 x 16 ga C-Z

8шт.

2

160420C92

HEAD

ASSY, tailings elevator

1шт.

18626R1

CARRIAGE BOLT,Short Sq Nk, 1/4" - 20 x 1/2", Gr 2

BOLT, 1/4 x 1/2 C-Z sq-nk crg

4шт.

18673R1

CARRIAGE BOLT,Short Sq Nk, 5/16" - 18 x 1/2", Gr 2

BOLT, 5/16 x 1/2 C-Z sq-nk crg

6шт.

120375

NUT,Hex, 1/4" - 20, Gr 5

4шт.

120376

NUT,5/16"-18, G5

6шт.

492-11025

LOCK WASHER,1/4"

WASHER, LOCK, 1/4"

4шт.

80681

LOCK WASHER,5/16"

WASHER, LOCK, 5/16"

6шт.

3

611421R1

BOLT,Hex, 7/16" - 14 x 3 1/2", Full Thd

tailings elevator conveyor bracket

2шт.

NLS

NO LONGER SERVICED

NUT, 7/16 C-Z hex

4шт.

4

155909C1

LATCH

tailings elevator boot door

1шт.

648002

KNIFE

1/8" x 3/4"

1шт.

21879R1

HEADED PIN,1/4" x 1 1/4"

PIN, 1/4 x 1-1/4 C-Z std-hd

1шт.

5

664360R1

BOLT,U, 1/4" - 20 x 69.65"

tailings elevator boot door U

1шт.

9413946

LOCK NUT,1/4"-20, GA

NUT, 1/4-20 lock

2шт.

6

157140C1

DOOR

tailings elevator head top

1шт.

16888R1

HARDWARE,Short NK, 5/16"-18 x 1 1/4", G2

BOLT, 5/16 x 1-1/4 C-Z sq-nk crg

1шт.

935736R1

NUT, WING

NUT, 5/16 wing

1шт.

619855R1

WASHER

11/32 x 3/4 x 16 ga C-Z

1шт.

7

568671R1

PIN

tailings elevator head door hinge

1шт.

8

156909C1

DOOR

tailings elevator boot, serial no. 897 and below

1шт.

8

156910C1

DOOR

tailings elevator boot, serial no. 898 and above

1шт.

8

156911C1

DOOR

tailings elevator boot, perforated

1шт.

8

174193C1

DOOR

tailings elevator boot, perforated, serial no 898 and above

1шт.

9

156131C92

BOOT

ASSY, tailings elevator

1шт.

18673R1

CARRIAGE BOLT,Short Sq Nk, 5/16" - 18 x 1/2", Gr 2

BOLT, 5/16 x 1/2 C-Z sq-nk crg

6шт.

120376

NUT,5/16"-18, G5

6шт.

80681

LOCK WASHER,5/16"

WASHER, LOCK, 5/16"

6шт.

120393

BEARING WASHER,5/16", SAE

WASHER, .344 x .68 x .06

6шт.

10

170584C11

BRACKET

SUPPORT ASSY, tailings elevator head shaft bearing

2шт.

16897R1

CARRIAGE BOLT,Short Nk, 5/16" - 18 x 3/4", Gr 2, Full Thd

BOLT, 5/16 x 3/4 C-Z sq-nk crg

4шт.

15350R1

BOLT, 5/16 x 7 sq-nk crg

1шт.

120376

NUT,5/16"-18, G5

5шт.

80681

LOCK WASHER,5/16"

WASHER, LOCK, 5/16"

5шт.

134238R1

WASHER

11/32 x 1 x 16 ga C-Z

1шт.

11

160427C1

SHAFT

tailings elevator head

1шт.

668752R1

WASHER

29/32 x 1-1/4 x 16 ga C-Z

4шт.

21220R1

WASHER

29/32 X 1-1/4 X 11 ga C-Z

8шт.

12

157243C1

SPACER

tailings elevator head shaft RH

1шт.

13

160429C1

SPACER

tailings elevator head shaft LH

1шт.

14

160430C1

SHIELD

tailings elevator head shaft

1шт.

15

160314C91

BALL BEARING,22.23mm ID x 52.05mm OD x 16.56mm W

BEARING ASSY, tailings elevator head shaft

2шт.

16

565618R11

RETAINER

COLLAR W/SET SCREW LKG

2шт.

83-1254

SET SCREW,Hex Soc, 1/4"-20 x 1/4"

SCREW, 1/4 x 1/4 hex-soc-hd cup-pt set

2шт.

17

155265C1

FLANGE

tailings elevator head shaft bearing

4шт.

18

168696C1

SPROCKET ASSY.

SPROCKET, tailings elevator upper conveyor chain 7T

1шт.

19

112139

WOODRUFF KEY,#A, 1/4" x 7/8"

KEY, 1/4 x 7/8 Woodruff

1шт.

20

155308C1

KEY

1/4 x 1-5/16 sq parallel

1шт.

21

160432C91

CONVEYOR

W/FLIGHTS, tailings elevator

1шт.

22

588566R91

LINK

elevator conveyor chain roller

1шт.

23

150722C91

LINK

elevator conveyor chain attaching

1шт.

24

588562R91

CHAIN LINK

LINK, elevator conveyor chain offset

1шт.

25

588564R91

LINK, elevator conveyor chain connector

1шт.

26

152237C91

PADDLE

CONVEYOR W/FLIGHT, tailings elevator

1шт.

558430R1

RIVET

elevator conveyor flight

2шт.

27

162180C1

SPROCKET ASSY.

SPROCKET, tailings elevator driven 33T

1шт.

18475R1

BOLT,Hex, 5/16" - 18 x 1 1/4", Gr 2

5/16 x 1-1/4 C-Z hex-hd mach

4шт.

120376

NUT,5/16"-18, G5

4шт.

80681

LOCK WASHER,5/16"

WASHER, LOCK, 5/16"

4шт.

28

939278R1

HUB

tailings elevator driven sprkt

1шт.

124824

NUT,Hex, 5/16" - 18

5/16 C-Z hex jam

2шт.

178758

SET SCREW,Sq Hd, 5/16" - 18 x 3/4", Cup Pt

SCREW, 5/16 x 3/4 C-Z sq-hd cup-pt set

2шт.

29

112139

WOODRUFF KEY,#A, 1/4" x 7/8"

KEY, 1/4 x 7/8 Woodruff A

1шт.

30

631905R91

SPROCKET

tailings elevator dr idler 17T

1шт.

18722R1

CARRIAGE BOLT,Sq Nk, 5/8" - 11 x 2 1/2", Gr 2

BOLT, 5/8 x 2-1/2 C-Z sq-nk crg

1шт.

124589

BALL STUD,Hex, 5/8" - 11 x 2", Gr 5

5/8 C-Z hex

1шт.

492-11062

BEARING WASHER,5/8"

WASHER, LOCK, 5/8"

1шт.

551177R1

WASHER

21/32 x 1-1/4 x 16 ga

3шт.

22858R1

SQ HOLE WASHER,41/64" x 1 1/4" x .105", Sq Hole

21/32 x 1-1/4 x 12 ga C-Z sq hole

1шт.

31

CHAIN ASSY, tailings elevator drive, use 135 links from 10 ft roll marked 1791D, one connecting link 1310D and three offset links 1315D

1шт.

32

SHAFT ASSY, elevator jackshaft, refer to grain elevator drive unit for listing

1шт.

33

109461

LUBE NIPPLE,1/8"-27 x .66 lg

NIPPLE, LUBE, , NPT 1/8"-27 x .66 lg

1шт.

34

169433C1

AUGER

ASSY, tailings w/1 in shaft, serial no. 726 and above

1шт.

34

157170C91

AUGER ASSY, tailings w/7/8 in shaft, serial no. 725 and below

1шт.

35

165333C91

BALL BEARING

BEARING, tailings auger, 2 1 in ID, serial no 726 and above

1шт.

35

164293C91

BEARING ASSY,0.877" ID x 2.047" OD x 0.903"

BEARING, tailings auger, 2 7/8 in ID, serial no. 725 and below

1шт.

36

565618R11

RETAINER

COLLAR ASSY, bearing lkg, 7/8 in ID, serial no. 725 and below

2шт.

36

564853R11

COLLAR

ASSY, bearing lkg, 2 1 in ID, serial no. 726 and above

1шт.

83-1254

SET SCREW,Hex Soc, 1/4"-20 x 1/4"

SCREW, 1/4 x 1/4 hex-soc-hd cup-pt set

2шт.

37

937518R91

FLANGE

W/STR LUB FITTING TAILINGS AUGER BRG

2шт.

16897R1

CARRIAGE BOLT,Short Nk, 5/16" - 18 x 3/4", Gr 2, Full Thd

BOLT, 5/16 x 3/4 C-Z sq-nk crg

6шт.

120376

NUT,5/16"-18, G5

12шт.

80681

LOCK WASHER,5/16"

WASHER, LOCK, 5/16"

6шт.

38

937517R1

FLANGE

tailings auger brg grooved

2шт.

39

589389R1

CYLINDER END CAP

SHIELD, tailings auger right brg dust

1шт.

40

169741C1

SUPPORT, tailings trough door handle

1шт.

938017R1

FLANGE NUT,Flg, USR, 5/16"-18

5/16 C-Z flange lock

2шт.

477-73108

SERRATED SCREW,Sl Truss Hd, 5/16" - 18 x 1/2"

5/16 x 1/2 C-Z slt truss hd

2шт.

41

164263C91

TROUGH

ASSY TAILINGS

1шт.

18673R1

CARRIAGE BOLT,Short Sq Nk, 5/16" - 18 x 1/2", Gr 2

BOLT, 5/16 x 1/2 C-Z sq-nk crg

13шт.

120376

NUT,5/16"-18, G5

13шт.

938017R1

FLANGE NUT,Flg, USR, 5/16"-18

5/16 C-Z whiz lock

9шт.

477-73108

SERRATED SCREW,Sl Truss Hd, 5/16" - 18 x 1/2"

5/16 x 1/2 C-Z slt-truss-hd

9шт.

80681

LOCK WASHER,5/16"

WASHER, LOCK, 5/16"

13шт.

42

160324C1

NO LONGER SERVICED

FLANGE, tailings auger bearing plate RH

1шт.

43

160323C1

BAR

STRIP, tailings trough left side

1шт.

16897R1

CARRIAGE BOLT,Short Nk, 5/16" - 18 x 3/4", Gr 2, Full Thd

BOLT, 5/16 x 3/4 C-Z sq-nk crg

4шт.

120376

NUT,5/16"-18, G5

4шт.

80681

LOCK WASHER,5/16"

WASHER, LOCK, 5/16"

4шт.

44

169734C1

VALVE BLOCK

SECTION ASSY, tailings trough extension

1шт.

44

168537C1

EXTENSION

SECTION ASSY, tailings trough extension, perforated

1шт.

18764R1

HARDWARE,Hex, 5/16"-18 x 3/4", G2

BOLT, 5/16 x 1 C-Z hex-hd mach

3шт.

120376

NUT,5/16"-18, G5

3шт.

80681

LOCK WASHER,5/16"

WASHER, LOCK, 5/16"

3шт.

45

160225C91

SUPPORT ASSY, tailings trough tailgate, serial no. 1439 & below

1шт.

46

169738C1

DOOR ASSY, tailings trough bottom

1шт.

648002

KNIFE

PIN SPLIT (COTTER), 1/8" x 3/4"

1шт.

47

169740C1

HANDLE ASSY, tailings trough door

1шт.

18474R1

BOLT,Hex, 5/16" - 18 x 1", Gr 2

5/16 x 1 znd hex-hd mach

1шт.

22039R1

LOCK NUT,5/16"-18, GB

NUT, 5/16 C-Z nylon insert jam

1шт.

48

164258C91

SUPPORT ASSY, tailings tailgate left filler, serial no. 1439 & below

1шт.

49

164259C91

SUPPORT ASSY, tailings tailgate right, serial no. 1439 & below

1шт.

50

611044R1

AXLE PIN,6.35mm OD

PIN, tailings trough tailgate lock

2шт.

121223

COTTER PIN,1/16" x 3/4"

PIN, SPLIT (COTTER), 1/16" x 3/4"

2шт.

21784R1

WASHER

17/64 x 1/2 x 16 ga C-Z

2шт.

51

606245R1

SPRING

tailings trough tailgate lock

2шт.

52

153299C91

CONVEYOR

FLIGHT ASSY, tailings elevator chain, steel

1шт.

53

150722C91

LINK

attachment

1шт.

104096

RIVET,But Hd, 5/16" x 5/8"

5/1L x 5/8 rd-hd

2шт.

54

164196C1

SPROCKET ASSY.

SPROCKET, elevator drive slip clutch 26T

1шт.

18785R1

BOLT,Hex, 3/8"-16 x 3", G2

3/8 x 3 C-Z hex hd mach

4шт.

120377

NUT,3/8" - 16, Gr 5

4шт.

120382

LOCK WASHER,Helical Spring, 3/8"

WASHER, LOCK, 3/8"

4шт.

55

162177C1

HOLDER

elevator slip clutch spring

1шт.

56

586879R1

KEY

5/16 x 2 square

1шт.

57

162178C1

SPACER, elevator drive slip clutch

1шт.

58

B12170

RATCHET,Clutch Slip, 94.49mm

elevator drive slip clutch

2шт.

59

632152R2

RETAINER

elevator drive slip clutch spring

1шт.

12685R1

BOLT,Sq Nk, 3/8" x 3 1/4"

3/8 x 3-1/4 sq nk crg dld

4шт.

NLS

NO LONGER SERVICED

3/8 C-Z slt hex

4шт.

121222

COTTER PIN,3/32" x 3/4"

PIN, SPLIT (COTTER), 3/32" x 3/4"

4шт.

619856R1

WASHER

13/32 x 1 x 16 ga C-Z

4шт.

60

M973

SPRING

elevator drive slip clutch

4шт.

61

162176C1

HUB

elevator drive slip clutch

1шт.

62

168686C1

SPROCKET ASSY.

SPROCKET, tailings elevator drive 31T

1шт.

63

568673R1

PIPE

SPACER, tailings elevator head

1шт.

64

M80215

SPACER

tailings elevator drive idler sprocket, 5/8 ID x 15/16 OD x 1/2

1шт.

65

157243C1

SPACER

tailings auger shaft, for use w/7/8 in auger shaft, serial no. 725 and below

1шт.

65

585464R1

SPACER

tailings auger shaft, for use w/1 in auger shaft, serial no. 726 and above

1шт.

66

568671R1

PIN

tailings elevator boot door hinge

1шт.

67

157242C1

SPROCKET ASSY.

SPROCKET, tailings elevator lower conveyor 6T, for use w/7/8 in. auger shaft, serial no. 725 and below

1шт.

67

165292C1

SPROCKET ASSY.

SPROCKET, tailings elevator lower conveyor 6T, for use w/1 in. auger shaft, serial no. 726 and above

1шт.

68

589281R1

BRACKET

SHIELD, tailings auger left brg dust, 15/16 ID serial no. 725 & below

1шт.

68

589389R1

CYLINDER END CAP

SHIELD, tailings auger left brg dust, 1-5/16 ID serial no. 726 & above

1шт.

69

175179C1

GATE ASSY

TAILGATE ASSY, tailings trough, serial no. 1440 and above

1шт.

Выбрано товаров: 149