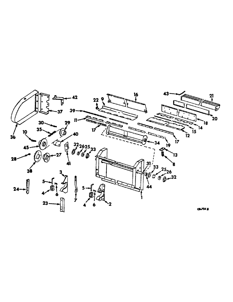
Запчасти Case IH 914 (21-02) - THRESHING CYLINDER AND CONCAVE, WINDROW SPECIAL (14) - THRESHING

Схема запчастей Case IH 914 - (21-02) - THRESHING CYLINDER AND CONCAVE, WINDROW SPECIAL (14) - THRESHING
32
18
24
5
19
9
6
7
1
6
16
25
34
14
20
10
39
3
29
4
4
44
26
13
12
43
23
28
17
37
8
30
33
32
45
25
36
21
31
11
17
27
5
40
35
22
2
38
41
26
42
33
15
FIT
1:1
100%

Артикул

Название

Примечание

Количество

1

169669C1

SUPPORT ASSY, feeder pivot, serial no. 725 and below

1шт.

1

172448C1

SUPPORT ASSY, feeder pivot, serial no. 726 and above

1шт.

18765R1

BOLT,Hex, 5/16" - 18 x 1 1/2", Gr 2

5/16 x 1-1/2 C-Z hex-hd mach

1шт.

17452R1

BOLT,Hex, 1/2"-13 x 1 1/4", G2

1/2 x 1-1/4 C-Z hex-hd mach

2шт.

17140R1

CARRIAGE BOLT,Short Nk, 1/2" - 13 x 1 1/4", Gr 2, Full Thd

BOLT, 1/2 x 1-1/4 C-Z sq-nk crg

2шт.

427566

BOLT,Hex, 1/2"-13 x 1 1/2", G8, Full Thd

1/2 x 1-1/2 C-Z hex-hd mach

4шт.

455000

BOLT,Hex, 1/2" - 13 x 1 1/4", Gr 8

1/2 x 1-1/4 C-Z hex-hd mach type 4

4шт.

18822R1

BOLT,Hex, 5/8"-11 x 1 1/2", G2, Full Thd

5/8 x 1-1/2 C-Z hex-hd mach

6шт.

120376

NUT,5/16"-18, G5

1шт.

120378

NUT,Hex, 1/2" - 13, Gr 5

NUT, 1/2"-13, G5

4шт.

21330R1

NUT,1/2"-13, G8

1/2 C-Z hex

8шт.

280374

NUT,Hex, 5/8" - 11, Gr 5

5/8 C-Z hex

6шт.

120384

WASHER,1/2"

LOCK, 1/2"

4шт.

80681

LOCK WASHER,5/16"

WASHER, LOCK, 5/16"

1шт.

366864C1

LOCK WASHER,1/2"

1/2"

8шт.

492-11062

BEARING WASHER,5/8"

WASHER, LOCK, 5/8"

6шт.

21375R1

WASHER

17/32 x 1-1/4 x 7 ga C-Z

4шт.

21496R1

WASHER

11/32 x 3/4 x 11 ga C-Z

1шт.

2

161975C91

BRACKET ASSY, feeder pivot left

1шт.

427566

BOLT,Hex, 1/2"-13 x 1 1/2", G8, Full Thd

1/2 x 1-1/2 C-Z hex-hd mach type 4

3шт.

236484R1

BOLT,Hex, 1/2" - 13 x 2", Gr 8

1шт.

21330R1

NUT,1/2"-13, G8

1/2 C-Z hex

4шт.

366864C1

LOCK WASHER,1/2"

1/2"

4шт.

3

161976C91

BRACKET ASSY, feeder pivot right

1шт.

427566

BOLT,Hex, 1/2"-13 x 1 1/2", G8, Full Thd

1/2 x 1-1/2 C-Z hex-hd mach type 4

3шт.

20534R1

BOLT,Hex, 1/2" - 13 x 1 3/4", Gr 8

1/2 x 1-3/4 C-Z hex-hd mach type 4

1шт.

21330R1

NUT,1/2"-13, G8

1/2 C-Z hex

4шт.

366864C1

LOCK WASHER,1/2"

1/2"

4шт.

138350

CAB GLASS ASSY

WASHER, 17/32 x 1-1/4 x 16 ga C-Z

4шт.

4

161992C1

BLOCK, feeder pivot retainer

2шт.

5

628846R1

ROD, feeder pivot bracket

2шт.

6

520175R1

CLIP

PIN, 3/16 quick attachable

2шт.

7

159581C1

ROD, feeder pivot adj, serial no. 725 and below

1шт.

7

466324R1

EYE

ROD, feeder pivot adj, serial no. 726 and above

1шт.

120378

NUT,Hex, 1/2" - 13, Gr 5

NUT, 1/2"-13, G5

2шт.

8

7422T

SPRING

door clip

5шт.

9

169672C1

DOOR, feed beater housing top

1шт.

18764R1

HARDWARE,Hex, 5/16"-18 x 3/4", G2

BOLT, 5/16 x 3/4 C-Z hex-hd mach

5шт.

120393

BEARING WASHER,5/16", SAE

WASHER, .34 x .69 x .06

5шт.

10

Q3932

KEY,Gib, 5/16" Sq x 2"

5/16 x 2 sq tapered

1шт.

11

169673C1

HINGE, feed beater housing top door

1шт.

938017R1

FLANGE NUT,Flg, USR, 5/16"-18

5/16 C-Z flange lock

9шт.

477-73108

SERRATED SCREW,Sl Truss Hd, 5/16" - 18 x 1/2"

5/16 x 1/2 C-Z slt-truss hd

9шт.

12

170277C1

DOOR, stone retarder, serial no. 725 and below

1шт.

12

172728C1

DOOR, stone retarder, serial no. 726 and above

1шт.

18676R1

CARRIAGE BOLT,Sq Nk, 5/16" - 18 x 2 1/4", Gr 2

BOLT, 5/16 x 2-1/4 znd sq-nk crg

5шт.

1203676

NUT, 5/16 C-Z hex

5шт.

80681

LOCK WASHER,5/16"

WASHER, LOCK, 5/16"

5шт.

13

634187R1

CLIP, door

5шт.

14

159576C2

HINGE, stone retarder door, serial no. 725 and below

1шт.

938017R1

FLANGE NUT,Flg, USR, 5/16"-18

5/16 C-Z flange lock

9шт.

135270

SERRATED SCREW,5/16" - 18 x 3/4"

5/16 x 3/4 C-Z slt-truss-hd

9шт.

15

159578C2

ROD, stone retarder door hinge, serial no. 725 and below

2шт.

15

582693R1

ROD, stone retarder door hinge, serial no. 726 and above

2шт.

16

161982C91

DEFLECTOR ASSY, feed beater

1шт.

19041R1

BOLT,7/16"-14 x 1 1/4", G2, Full Thd

7/16 x 1-1/4 C-Z no 3 plow

2шт.

NLS

NO LONGER SERVICED

NUT, 7/16 C-Z hex

2шт.

81547

LOCK WASHER,7/16"

WASHER, LOCK, 7/16"

2шт.

17

582686R1

CHANNEL, feeder lower & upper seal

2шт.

18655R1

BOLT,Hex, 1/4"-20 x 1", G2

1/4 x 1 C-Z hex-hd mach

9шт.

18627R1

CARRIAGE BOLT,Short Sq Nk, 1/4" - 20 x 1", Gr 2

BOLT, 1/4 x 1 C-Z sq-nk crg

9шт.

120375

NUT,Hex, 1/4" - 20, Gr 5

18шт.

492-11025

LOCK WASHER,1/4"

WASHER, LOCK, 1/4"

18шт.

21870R1

WASHER

17/64 x 3/4 x 16 ga C-Z

9шт.

18

159583C1

SUPPORT, grain pan seal to feeder ext, serial no. 725 and below

1шт.

18

172435C1

SUPPORT, grain pan seal to feeder ext, serial no. 726 and above

1шт.

19280R1

SCREW,Sq Nk, 1/4" - 20 x 3/4"

BOLT, 1/4 x 3/4 C-Z sq-nk crg

9шт.

120375

NUT,Hex, 1/4" - 20, Gr 5

9шт.

492-11025

LOCK WASHER,1/4"

WASHER, LOCK, 1/4"

9шт.

19

158083C1

SEAL

feeder housing upper

1шт.

19

172431C1

SEAL, feeder housing lower

1шт.

19280R1

SCREW,Sq Nk, 1/4" - 20 x 3/4"

BOLT, 1/4 x 3/4 C-Z sq-nk crg

9шт.

120375

NUT,Hex, 1/4" - 20, Gr 5

9шт.

492-11025

LOCK WASHER,1/4"

WASHER, LOCK, 1/4"

9шт.

20

159585C2

SUPPORT, grain pan seal to concave, serial no. 725 and below

1шт.

20

172437C1

SUPPORT, grain pan seal to concave, serial no. 726 and above

1шт.

21

634254R92

EXTENSION ASSY, concave

1шт.

633661R1

CARRIAGE BOLT,#3, 5/8" - 11 x 3"

BOLT, 5/8 x 3 znd no 3 plow type 4

2шт.

21434R1

NUT,5/8"-11, G8

5/8 C-Z hex

2шт.

86837293

SHAFT

1/2-20 x 1 C-Z hex-hd cap

7шт.

120384

WASHER,1/2"

LOCK, 1/2"

7шт.

366866C1

LOCK WASHER,5/8"

5/8"

2шт.

589068R1

WASHER

21/32 x 1-1/4 x 11 ga C-Z

2шт.

22

631818R1

CLIP, feed beater housing top door

1шт.

16897R1

CARRIAGE BOLT,Short Nk, 5/16" - 18 x 3/4", Gr 2, Full Thd

BOLT, 5/16 x 3/4 C-Z sq-nk crg

1шт.

120376

NUT,5/16"-18, G5

1шт.

80681

LOCK WASHER,5/16"

WASHER, LOCK, 5/16"

1шт.

23

172438C1

SHIELD, feeder pivot left dust

1шт.

24

172439C1

SHIELD, feeder pivot right dust

1шт.

25

455965R91

BALL BEARING,1.0005" ID x 52 mm OD x 15 mm

ASSY, feed beater shaft ball

2шт.

26

455102R11

COLLAR

W/SET SCREW LKG

2шт.

83-1254

SET SCREW,Hex Soc, 1/4"-20 x 1/4"

SCREW, 1/4 x 1/4 hex-soc-hd cup-pt set

2шт.

27

159478C1

HUB, feed beater drive sprocket, serial no. 725 and below

1шт.

648002

KNIFE

1/8" x 3/4"

1шт.

21992R1

HEADED PIN,5/16" x 2 3/4"

PIN, 5/16 x 2-3/4 C-Z std-hd

1шт.

28

27958A

KEY

3/8 x 2-1/8 woodruff, serial no. 725 and below

1шт.

29

167262C91

SPROCKET ASSY, feed beater driven 20T, serial no. 725 and below

1шт.

29

172423C1

SPROCKET ASSY, feed beater driven 20T, serial no. 726 and above

1шт.

30

Q3932

KEY,Gib, 5/16" Sq x 2"

5/16 x 2 gib

1шт.

31

162004C1

SHAFT, feed beater

1шт.

591715R1

WASHER

1-1/32 x 1-1/2 x 16 ga C-Z

2шт.

32

563401R1

FLANGED BEARING

FLANGE, feed beater bearing

2шт.

33

571424R1

FLANGE

feed beater bearing

2шт.

12872R1

BOLT,Short NK, 5/16"-18 x 1", G2, Full Thd

CARRIAGE, Short NK, 5/16"-18 x 1", G2, Full Thd

6шт.

120376

NUT,5/16"-18, G5

6шт.

80681

LOCK WASHER,5/16"

WASHER, LOCK, 5/16"

6шт.

34

162101C92

BEATER ASSY, feed

1шт.

35

CHAIN ASSY, feed beater drive, serial no. 725 and below, use 47 links from 10 ft roll marked 611362R91, one connecting link 574532R91 and one offset link 612612R91

1шт.

35

CHAIN ASSY, feed beater drive, serial no. 726 and above, use 53 links from 10-ft roll marked 1791D, 1 connecting link 1310D & 1 offset link 1315D

1шт.

36

169676C1

SHIELD ASSY, beater drive chain

1шт.

37

169680C1

SUPPORT, beater drive shield rear

1шт.

18474R1

BOLT,Hex, 5/16" - 18 x 1", Gr 2

5/16 x 1 znd hex-hd mach

3шт.

120376

NUT,5/16"-18, G5

3шт.

938016R1

FLANGE NUT,Flg, USR, 1/4"-20

1/4 C-Z flange lock

3шт.

937059R1

SCREW,Serr, M10 x 70mm, Cl 10.9

1/4 x 1/2 C-Z slt-truss-hd

3шт.

80681

LOCK WASHER,5/16"

WASHER, LOCK, 5/16"

3шт.

38

162228C1

SPROCKET, feed beater drive 32T, serial no. 725 and below

1шт.

18781R1

BOLT,Hex, 3/8"-16 x 2", G2

3/8 x 2 C-Z hex-hd mach

4шт.

120377

NUT,3/8" - 16, Gr 5

4шт.

120382

LOCK WASHER,Helical Spring, 3/8"

WASHER, LOCK, 3/8"

4шт.

39

169674C1

ROD

feed beater housing top door hinge

1шт.

40

936878R1

BLOCK

drive chain tightener

1шт.

41

170132C1

BRACKET, drive chain tightener block

1шт.

17433R1

HARDWARE,Hex, 1/2" - 13 x 1", Gr 2

BOLT, 1/2 x 1 znd hex-hd mach

1шт.

120378

NUT,Hex, 1/2" - 13, Gr 5

NUT, 1/2"-13, G5

1шт.

120384

WASHER,1/2"

LOCK, 1/2"

1шт.

42

169681C11

SUPPORT ASSY, drive chain shield frotn

1шт.

16897R1

CARRIAGE BOLT,Short Nk, 5/16" - 18 x 3/4", Gr 2, Full Thd

BOLT, 5/16 x 3/4 znd sq-nk crg

2шт.

120376

NUT,5/16"-18, G5

2шт.

80681

LOCK WASHER,5/16"

WASHER, LOCK, 5/16"

2шт.

43

634174R1

ROD, concave tension

57шт.

44

M74461

SPACER,26.6mm ID x 33.4mm OD x 19mm L

Feed beater shaft 1" Pipe x 3/4"

1шт.

45

172424C1

SPROCKET ASSY, feed beater drive, serial no. 726 and above

1шт.

Выбрано товаров: 133