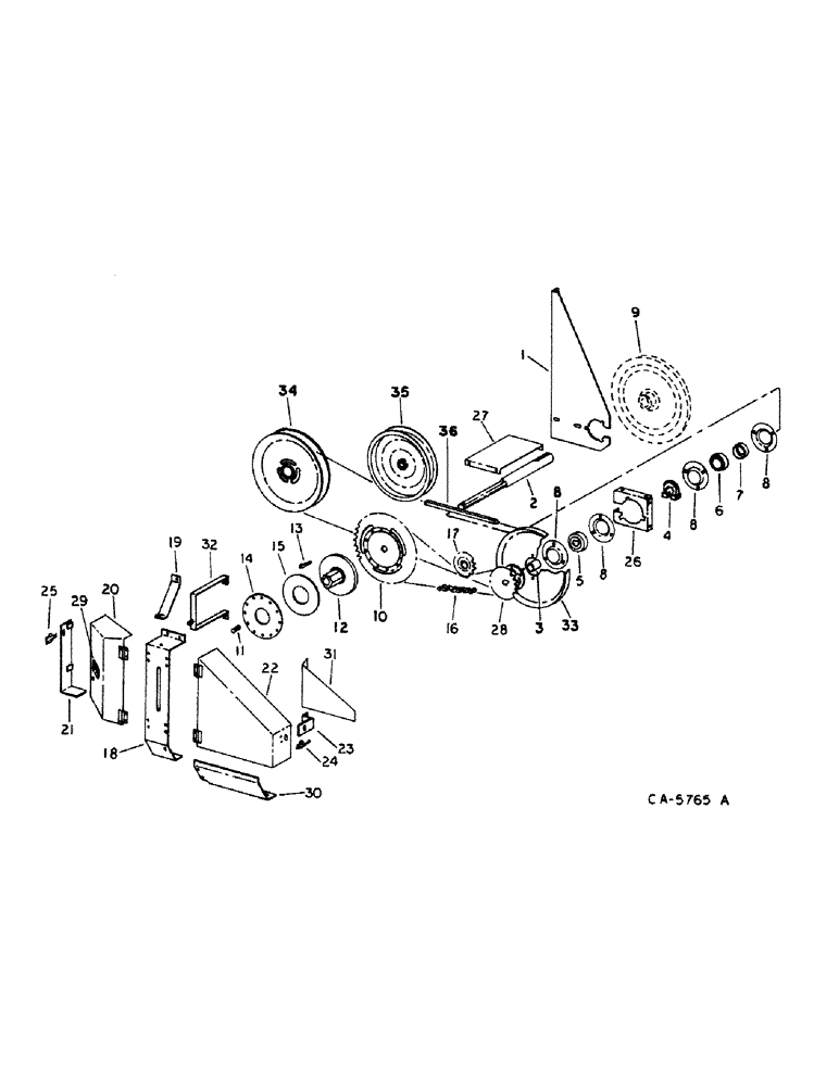
Запчасти Case IH 914 (33-11) - FEEDER AND HEADER, AUGER AND KNIFE DRIVE (13) - FEEDER

Схема запчастей Case IH 914 - (33-11) - FEEDER AND HEADER, AUGER AND KNIFE DRIVE (13) - FEEDER
5
4
11
28
1
8
21
24
14
8
30
6
12
27
19
20
2
32
33
3
8
34
16
23
13
18
29
8
25
36
31
9
26
15
7
10
17
22
35
FIT
1:1
100%

Артикул

Название

Примечание

Количество

1

176861C2

BRACKET

header jackshaft bearing

1шт.

938017R1

FLANGE NUT,Flg, USR, 5/16"-18

5/16 flange lock

1шт.

151446C1

SERRATED SCREW,Flg Lock, Sl Truss Hd, 5/16" - 18 x 1 1/4"

5/16 x 1-1/4 slt-truss-hd

1шт.

668569R1

WASHER

.344 x 1.5000 x .105

1шт.

2

179875C1

JACKSHAFT, header

1шт.

432-1624

COTTER PIN,1/4" x 1 1/2"

PIN, 1/4 x 1-1/4 pln cot

1шт.

608085R1

WASHER

1.406 x 2.000 x .054

1шт.

3

650363R1

SPACER

1-1/4 x 1 std pipe

1шт.

4

177961C1

COLLAR

jackshaft

1шт.

18811R1

BOLT,Hex, 1/2" - 13 x 2 3/4", Gr 2

1/2 x 2-3/4 type 1

1шт.

120378

NUT,Hex, 1/2" - 13, Gr 5

NUT, 1/2"-13, G5

1шт.

120384

WASHER,1/2"

LOCK, 1/2"

1шт.

5

156816C91

BEARING HOUSING,28.6mm Hex x 72mm OD x 25mm W

BEARING, header jackshaft outboard

1шт.

6

571588R92

BALL BEARING,1.3755" ID x 72 mm OD x 1"

header jackshaft inboard

1шт.

7

517645R11

COLLAR

W/SET SCREW, bearing lkg

1шт.

8

617863R1

FLANGED BEARING

header jackshaft bearing

4шт.

9

PULLEY, jackshaft drive, refer to group 7 under header jackshaft drive

1шт.

10

177966C1

SPROCKET ASSY.

SPROCKET W/BUSHING, auger driven, 47T

1шт.

18769R1

BOLT,Hex, 5/16" - 18 x 2 1/2", Gr 2

5/16 x 2-1/2 type 1

1шт.

231-1445

NUT,5/16"-18, GB

NUT, 5/16 P/T lock type 5

1шт.

120393

BEARING WASHER,5/16", SAE

WASHER, .344 x .688 x .051

1шт.

11

568243R1

SPRING

clutch

12шт.

12

177962C1

HUB

auger clutch

1шт.

13

Q1497

KEY,Gib, 3/8" Sq x 2"

3/8 x 2 gib, hd sq tapered

1шт.

14

177963C1

PLATE

clutch

1шт.

15

177964C1

FACING

clutch

2шт.

16

CHAIN ASSY, auger drive, use 97 links from 10 ft roll marked 611362R91, one connecting link 574532R91 and one offset link 612612R91

1шт.

17

571441R91

SPROCKET ASSY.,15T

SPROCKET, idler, 15T

1шт.

18811R1

BOLT,Hex, 1/2" - 13 x 2 3/4", Gr 2

1/2 x 2-3/4 type 1

1шт.

120378

NUT,Hex, 1/2" - 13, Gr 5

NUT, 1/2"-13, G5

1шт.

120384

WASHER,1/2"

LOCK, 1/2"

1шт.

495-11053

WASHER,1/2", SAE

.531 x 1.065 x .074

1шт.

460908R1

WASHER

.531 x 1.500 x .105

1шт.

18

177968C3

SUPPORT

idler sprocket

1шт.

938017R1

FLANGE NUT,Flg, USR, 5/16"-18

5/16 flange lock

1шт.

135270

SERRATED SCREW,5/16" - 18 x 3/4"

5/16 x 3/4 znp slt-truss-hd

1шт.

19

177969C1

BRACE

idler support

1шт.

938017R1

FLANGE NUT,Flg, USR, 5/16"-18

5/16 x 3/4 znp slt-truss-hd

1шт.

20

180562C91

SHIELD

W/HINGES, front drive, includes ref. no. 29

1шт.

938016R1

FLANGE NUT,Flg, USR, 1/4"-20

1/4 flange lock

1шт.

937059R1

SCREW,Serr, M10 x 70mm, Cl 10.9

1/4-20 x 1/2 slt-truss-hd

1шт.

21

178694C1

SUPPORT ASSY, front shield, serial no. 23000 and below

1шт.

938017R1

FLANGE NUT,Flg, USR, 5/16"-18

5/16 flange lock

1шт.

135270

SERRATED SCREW,5/16" - 18 x 3/4"

5/16 x 3/4 znp slt-truss-hd

1шт.

22

177972C1

SHIELD

W/HINGES, rear drive

1шт.

938016R1

FLANGE NUT,Flg, USR, 1/4"-20

1/4 flange lock

1шт.

937059R1

SCREW,Serr, M10 x 70mm, Cl 10.9

1/4-20 x 1/2 slt-truss-hd

1шт.

23

189224C2

SUPPORT

rear shield latch

1шт.

938016R1

FLANGE NUT,Flg, USR, 1/4"-20

1/4 flange lock

1шт.

23986R1

SELF-TAP SCREW,Hex Wash Hd, 1/4" x 1/2"

SCREW, SELF TAPPING, Hex Wash Hd, 1/4" x 1/2"

1шт.

24

168481C1

LATCH ASSY.

LATCH ASSY, auger drive rear shield

1шт.

120361

NUT,Hex Mach Screw, #10 - 24

1шт.

436732

SCREW,Slotted Pan Hd, #10-24 x 1/2"

no. 10 x 1/2 znp P/HDS mach

1шт.

120217

LOCK WASHER,#10

WASHER, LOCK, #10

1шт.

25

167800C1

CLIP

CLIP, auger drive front shield, serial no. 23000 and below

1шт.

174097C1

FLANGE NUT,Flg, USR, #10-24

10-24 C-Z flange lock

1шт.

436732

SCREW,Slotted Pan Hd, #10-24 x 1/2"

no. 10 x 1/2 znp P/HDS mach

1шт.

26

178254C1

SUPPORT

header jackshaft shield

1шт.

27

197592C1

BRACE, header jackshaft support

1шт.

18778R1

SCREW,Hex, 3/8"-16 x 3/4", G2

BOLT, 3/8 x 3/4 type 1

1шт.

482256R1

BEARING LOCK NUT,Flg, USR, 3/8"-16

3/8 flange lock

1шт.

28

177965C1

SPROCKET ASSY.

SPROCKET, auger drive, 18T

1шт.

29

176977C1

PRODUCT GRAPHIC

danger

1шт.

30

197992C1

SHIELD

knife drive pulley

1шт.

482256R1

BEARING LOCK NUT,Flg, USR, 3/8"-16

3/8 flange lock

1шт.

477-73812

SERRATED SCREW,Truss HD, 3/8" - 16 x 3/4"

3/8 x 3/4 znp slt-truss-hd

1шт.

31

187248C1

GUARD ASSY.

SHIELD ASSY, knife drive pulley rear

1шт.

32

197582C1

SUPPORT

ASSY, front shield, serial no. 23001 and above

1шт.

938017R1

FLANGE NUT,Flg, USR, 5/16"-18

5/16 flange lock

1шт.

488245R1

WING NUT

3/8 nylon insert wing

1шт.

135270

SERRATED SCREW,5/16" - 18 x 3/4"

5/16 x 3/4 znp slt-truss-hd

1шт.

33

184815C1

PULLEY ASSY.

PULLEY ASSY, knife drive, replaces 939241R11, 10-1/2 in. OD

1шт.

18474R1

BOLT,Hex, 5/16" - 18 x 1", Gr 2

5/16 x 1 type 1

1шт.

120376

NUT,5/16"-18, G5

1шт.

80681

LOCK WASHER,5/16"

WASHER, LOCK, 5/16"

1шт.

34

197611C2

X

PULLEY, wobble driven, 10-1/2 in. OD, use w/197610C1 shaft

1шт.

218446

NUT,Jam, 1 1/8"-7, G5

1-1/8 pln jam type 5

1шт.

34

182074C1

PULLEY

wobble driven, 10-1/2 in. OD, use w/184757C1 shaft, 500 cpm

1шт.

35

674966R91

PULLEY,203.2mm Idler Dia x 222.25mm OD x 36.51mm W

W/BEARING, knife idler, 8-3/4 in. OD

1шт.

18721R1

CARRIAGE BOLT,Sq Nk, 5/8" - 11 x 2 1/4", Gr 2

BOLT, 5/8 x 2-1/4 crg type 1

1шт.

124589

BALL STUD,Hex, 5/8" - 11 x 2", Gr 5

5/8 type 5

1шт.

21471R1

WASHER

.656 x 1.000 x .105

1шт.

668752R1

WASHER

.906 x 1.250 x .054

1шт.

36

178019C1

BELT,0.879" W x 102.74" L

V-BELT , Drive, OC 0.879" W x 102.74" L

1шт.

Выбрано товаров: 84