Запчасти Case IH 914 (21-05[1]) - SERIAL NUMBER 19001 AND ABOVE (14) - THRESHING

Схема запчастей Case IH 914 - (21-05[1]) - SERIAL NUMBER 19001 AND ABOVE (14) - THRESHING
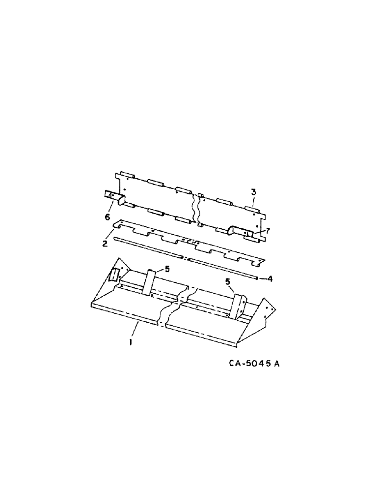
7
1
5
6
3
5
4
2
FIT
1:1
100%

Артикул

Название

Примечание

Количество

1

196253C1

TRAP

RETARDER ASSY, stone

1шт.

938017R1

FLANGE NUT,Flg, USR, 5/16"-18

5/16 flange lock

1шт.

135270

SERRATED SCREW,5/16" - 18 x 3/4"

5/16 x 3/4 slt-truss-hd

1шт.

151446C1

SERRATED SCREW,Flg Lock, Sl Truss Hd, 5/16" - 18 x 1 1/4"

5/16 x 1-1/4 slt-truss-hd

1шт.

24497R1

WASHER

.34 x 1.25 x .12

1шт.

2

177706C1

HINGE

stone retarder lower

1шт.

938017R1

FLANGE NUT,Flg, USR, 5/16"-18

5/16 flange lock

1шт.

477-73108

SERRATED SCREW,Sl Truss Hd, 5/16" - 18 x 1/2"

5/16 x 1/2 slt-truss-hd

1шт.

3

196348C1

HINGE

ASSY, stone retarder double

1шт.

938017R1

FLANGE NUT,Flg, USR, 5/16"-18

5/16 flange lock

1шт.

477-73108

SERRATED SCREW,Sl Truss Hd, 5/16" - 18 x 1/2"

5/16 x 1/2 slt-truss-hd

1шт.

4

175931C1

ROD

stone retarder hinge

1шт.

5

196255C1

ANGLE ASSY, hinge support

2шт.

6

178741C1

LATCH, stone retarder door LH

1шт.

18475R1

BOLT,Hex, 5/16" - 18 x 1 1/4", Gr 2

5/16 x 1-1/4 C-Z hex-hd mach

1шт.

425-145

JAM NUT,Jam, 5/16"-18, G5

5/16 hex, jam

1шт.

9412083

NUT,5/16"-18, GB

NUT, 5/16 prevailing torque hex

1шт.

7

569362R2

ANGLE, stone retarder latch stop

1шт.

18475R1

BOLT,Hex, 5/16" - 18 x 1 1/4", Gr 2

5/16 x 1-1/4 C-Z hex-hd mach

1шт.

425-145

JAM NUT,Jam, 5/16"-18, G5

5/16 hex, jam

1шт.

9412083

NUT,5/16"-18, GB

NUT, 5/16 prevailing torque hex

1шт.

Выбрано товаров: 21