Запчасти Case IH 914 (24-3) - CLEANING FAN, FAN DRIVE (15) - CLEANING

Схема запчастей Case IH 914 - (24-3) - CLEANING FAN, FAN DRIVE (15) - CLEANING
43
1
11
21
36
44
22
4
26
29
20
6
40
25
45
16
29
37
41
35
19
39
32
28
9
23
31
33
12
18
8
38
10
30
14
34
13
42
30
5
1
3
28
27
27
17
24
15
10
2
7
FIT
1:1
100%

Артикул

Название

Примечание

Количество

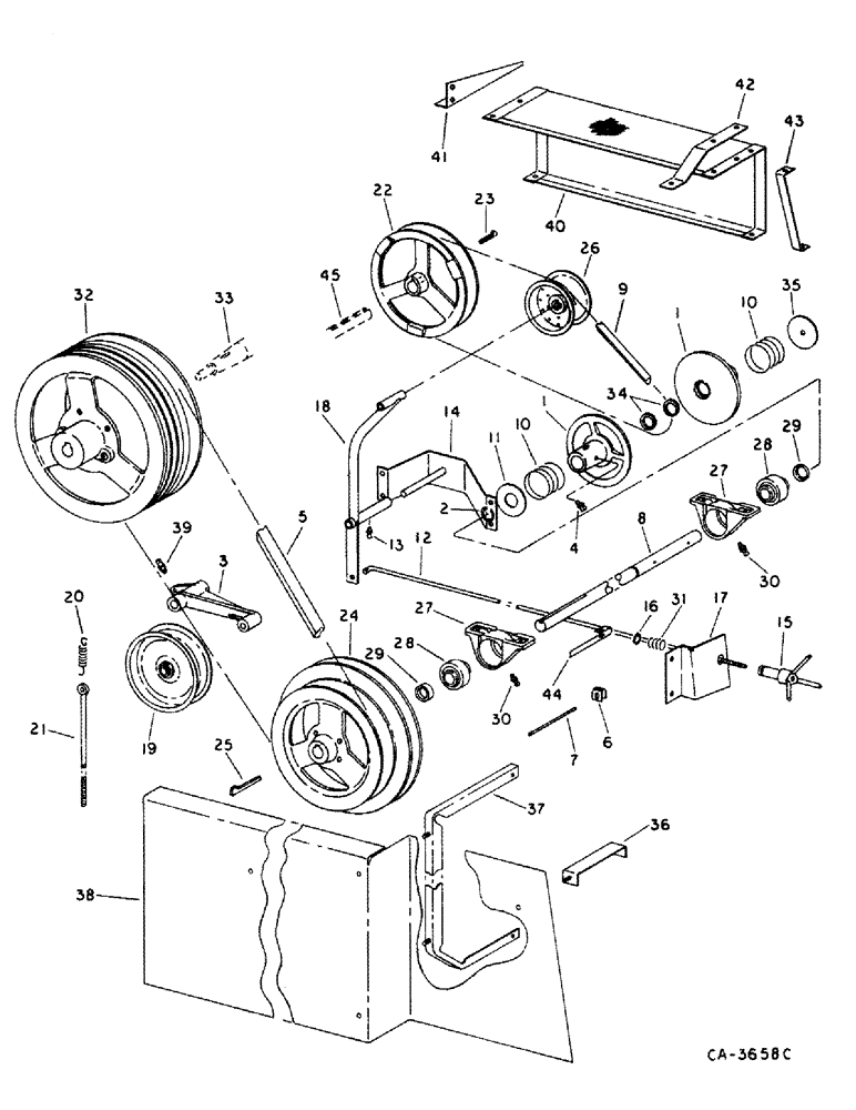
1

171712C2

PULLEY

fan drive half, 8 in. OD

2шт.

617943R1

PIN,5/16" x 2 1/2", Coiled

1шт.

2

359141R1

RING, SNAP

RING, fan drive cross shaft snap

1шт.

3

169814C1

ARM, fan drive belt tightener

1шт.

20328R1

COTTER PIN,3/16" x 1 1/2"

3/16" x 1 1/2"

1шт.

668752R1

WASHER

29/32 x 1-1/4 x 16 ga C-Z

1шт.

4

126131

FITTING

1/4-28 str lub

2шт.

5

169708C1

V-BELT,1.26" W x 133.88" L

Fan Drive Cross Shaft 1.26" W x 133.88" L

1шт.

6

167325C11

CLAMP

ASSY, fan speed indicator, serial no. 23000 and below

1шт.

18654R1

BOLT,Hex, 1/4" - 20 x 3/4", Gr 2

1/4 x 3/4 hex-hd mach

1шт.

7

U17024

PIN

ROD, fan speed indicator, serial no. 23000 and below

1шт.

8

179862C1

SHAFT, fan drive cross

1шт.

608085R1

WASHER

1-13/32 x 2 x 16 ga C-Z

1шт.

9

169719C1

V-BELT,1.00" W x 66.16" L

Fan Drive 1.00" W x 66.16" L

1шт.

10

381493R1

SPRING

fan drive pulley actuating

2шт.

11

24605R1

WASHER, drive pulley spring inner

1шт.

12

173598C1

ROD, fan speed control

1шт.

18481R1

COTTER PIN,3/16" x 1"

PIN, SPLIT (COTTER), 3/16" x 1"

1шт.

178374R1

WASHER

17/32 x 1-1/4 x 16 ga C-Z

1шт.

13

87414

LUBE NIPPLE,1/4" - 28

FITTING, 1/4-28 self tap str lub

1шт.

14

169725C1

BRACKET ASSY, fan idler arm pivot

1шт.

18494R1

BOLT,Hex, 3/8" - 16 x 1", Gr 2

3/8 x 1 znd hex-hd mach

1шт.

120377

NUT,3/8" - 16, Gr 5

1шт.

120382

LOCK WASHER,Helical Spring, 3/8"

WASHER, LOCK, 3/8"

1шт.

15

169705C1

HANDLE

fan speed control

1шт.

16

454417R1

SNAP RING,#100, Ext

Ring, Snap, , fan control handle #100, Ext

1шт.

17

173597C1

SUPPORT, fan speed control crank inner

1шт.

18495R1

BOLT,Hex, 3/8" - 16 x 1 1/4", Gr 2

3/8 x 1-1/4 znd hex-hd mach

1шт.

120377

NUT,3/8" - 16, Gr 5

1шт.

120382

LOCK WASHER,Helical Spring, 3/8"

WASHER, LOCK, 3/8"

1шт.

18

173595C1

ARM ASSY, fan drive idler

1шт.

19

663887R91

PULLEY,203.2mm Idler Dia x 214.63mm OD x 48.42mm W

fan cross shaft drive belt tightener, 8-3/4 in OD

1шт.

20299R1

BOLT, 5/8 x 3-3/4 znd hex-hd mach

1шт.

124589

BALL STUD,Hex, 5/8" - 11 x 2", Gr 5

5/8 C-Z hex

1шт.

492-11062

BEARING WASHER,5/8"

WASHER, LOCK, 5/8"

1шт.

608701R1

WASHER

21/32 x 1-1/4 x 16 ga C-Z

1шт.

20

384296R2

VALVE SPRING

SPRING, fan cross shaft drive belt tightener pulley

1шт.

21

179863C1

BOLT, fan cross shaft drive belt tightener pulley draw

1шт.

120378

NUT,Hex, 1/2" - 13, Gr 5

NUT, 1/2"-13, G5

1шт.

22

171713C1

PULLEY, fan driven, 11.62 in OD, 200 to 680 12pm, parts accessory

1шт.

22

175226C1

PULLEY, fan driven, 10.20 in. OD, 350 to 750 RPM

1шт.

23

Q3930

KEY,Gib, 5/16" Sq x 1 3/4"

5/16 x 1-3/4 gib hd

1шт.

24

179864C1

PULLEY, fan cross shaft driven, 14.16 and 16.75 in. OD

1шт.

25

Q3952

KEY,Gib, 3/8" Sq x 2 3/4"

3/8 x 2-3/4 gib hd

1шт.

26

170146C1

PULLEY

fan drive belt tightener, 5-3/4 in. OD

1шт.

19264R1

BOLT,Hex, 1/2" - 13 x 4 1/4", Gr 2

1/2 x 4-1/4 znd hex-hd mach

1шт.

120378

NUT,Hex, 1/2" - 13, Gr 5

NUT, 1/2"-13, G5

1шт.

120384

WASHER,1/2"

LOCK, 1/2"

1шт.

178373R1

WASHER

17/32 x 1 x 1L ga C-Z

1шт.

27

169730C91

BEARING ASSY

W/PILLOW BLOCK, fan cross shaft, includes ref nos. 28 thru 30, replaces 173564C91, optional w/597494R91 bearing

2шт.

27

597494R91

BEARING

W/PILLOW BLOCK, optional w/169730C91 bearing

1шт.

18809R1

BOLT,Hex, 1/2"-13 x 2", G2

1/2 x 2 type 1

1шт.

120378

NUT,Hex, 1/2" - 13, Gr 5

NUT, 1/2"-13, G5

1шт.

120384

WASHER,1/2"

LOCK, 1/2"

1шт.

607895R1

WASHER

17/32 x 1 x 11 ga C-Z

1шт.

460908R1

WASHER

17/32 x 1-1/2 x 11 ga C-Z

1шт.

28

470597R91

BEARING, BALL,1.25" ID x 72 mm OD x 2.0156"

BEARING, fan cross shaft

2шт.

29

517645R11

COLLAR

W/SET SCREW, locking

2шт.

30

109461

LUBE NIPPLE,1/8"-27 x .66 lg

NIPPLE, LUBE, , NPT 1/8"-27 x .66 lg

2шт.

31

12209D

SPRING

fan control handle

1шт.

32

PULLEY, cylinder beater drive, refer to group 21 under cylinder beater drive

1шт.

33

SHAFT ASSY, cylinder beater, refer to group 21 under cylinder beater and supports

1шт.

34

157724C91

OIL SEAL

fan drive pulley oil

2шт.

35

171710C1

WASHER, drive pulley spring outer

1шт.

180175

BOLT,Hex, 1/2" - 13 x 1 1/4", Gr 5

SCREW, 1/2 x 1-1/4 znd hex-hd cap

1шт.

120384

WASHER,1/2"

LOCK, 1/2"

1шт.

36

171864C11

SUPPORT ASSY, shield rear

1шт.

18673R1

CARRIAGE BOLT,Short Sq Nk, 5/16" - 18 x 1/2", Gr 2

BOLT, 5/16 x 1/2 znd sq-nk crg

1шт.

938017R1

FLANGE NUT,Flg, USR, 5/16"-18

5/16 C-Z flange lock

1шт.

37

171868C11

SUPPORT ASSY, shield center

1шт.

18764R1

HARDWARE,Hex, 5/16"-18 x 3/4", G2

BOLT, 5/16 x 3/4 znd hex-hd mach

1шт.

938017R1

FLANGE NUT,Flg, USR, 5/16"-18

5/16 C-Z flange lock

1шт.

38

171869C1

SHIELD, fan and unloader jackshaft

1шт.

159700C1

NUT

5/16 C-Z wing

1шт.

39

219-8

LUBE NIPPLE,1/4" - 28 NPTF

FITTING, 1/4-28 str lub

1шт.

40

187177C1

SHIELD ASSY, fan screen

1шт.

938016R1

FLANGE NUT,Flg, USR, 1/4"-20

1/4 flange lock

1шт.

937875R1

SCREW,Serr, 1/4" - 20

1/4 x 3/4 slt-truss-hd

1шт.

41

187183C1

SUPPORT, fan drive shield front

1шт.

482256R1

BEARING LOCK NUT,Flg, USR, 3/8"-16

3/8 flange lock

1шт.

477-73812

SERRATED SCREW,Truss HD, 3/8" - 16 x 3/4"

3/8 x 3/4 slt-truss-hd

1шт.

42

187182C1

SUPPORT, fan drive shield rear

1шт.

43

187246C1

SUPPORT, fan shield

2шт.

938016R1

FLANGE NUT,Flg, USR, 1/4"-20

1/4 flange lock

1шт.

937875R1

SCREW,Serr, 1/4" - 20

1/4 x 3/4 slt-truss-hd

1шт.

44

187373C1

SUPPORT, fan indicator, serial no. 23001 and above

1шт.

9635884

BOLT,Hex, 5/16" - 18 1", Full Thd, Gr 5

5/16 x 1 type 5

1шт.

938017R1

FLANGE NUT,Flg, USR, 5/16"-18

5/16 flange lock

1шт.

45

SHAFT, fan, refer to this group under fan, fan housing and blade

1шт.

Выбрано товаров: 89