Запчасти Case IH 2055 (9E-26) - BLOWER ASSEMBLY (10) - CAB & AIR CONDITIONING

Схема запчастей Case IH 2055 - (9E-26) - BLOWER ASSEMBLY (10) - CAB & AIR CONDITIONING
12
6
3
2
2
11
8
13
4
5
11
11
9
10
10
7
1
11
FIT
1:1
100%

Артикул

Название

Примечание

Количество

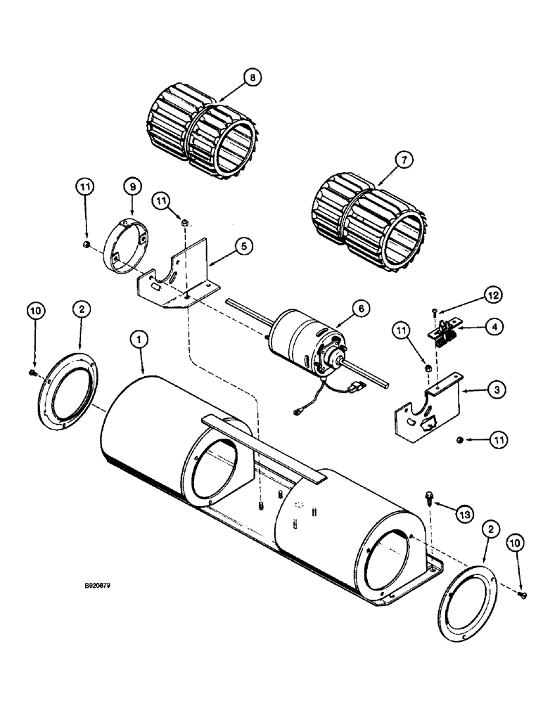
1255878C91

BLOWER ASSY.

BLOWER ASSEMBLY - cab pressuzier

1шт.

1

117785C2

HOUSING ASSY.

HOUSING - blower

1шт.

2

1344175C1

RETAINER

RING - blow housing inlet

2шт.

3

1262098C1

SUPPORT ASSY.

SUPPORT - resistor

1шт.

4

1255876C1

RESISTOR

- blower motor

1шт.

5

1344176C1

SUPPORT

BRACKET - motor mounting

1шт.

6

142990C2

MOTOR, ELECTRIC

MOTOR - blower, 12 volt

1шт.

190333A1R

REMAN-ELECTRIC MOTOR,12V

2055, Reman For New P/N's 142990C2 & 190333A1,

1шт.

190333A1C

CORE-ELECTRIC MOTOR,12V

Return Number

1шт.

7

539077R2

FAN

- wheel, right-hand

1шт.

8

539018R2

FAN

- wheel, left-hand

1шт.

9

1344177C1

RETAINER

RING - motor mounting

1шт.

10

260-1456

SELF-TAP SCREW,Cross Pan Hd, #10 x 3/8"

SCREW - self-tapping, pan Phillips, No. 10-16 x 3/8 inch

6шт.

11

66299C1

NUT

- hex Keps, No. 10-32

8шт.

12

261-2436

SELF-TAP SCREW,Cross Pan Hd, #6 x 3/8"

SCREW - self-tapping, pan Phillips, No. 6 NC x 3/8 inch

2шт.

13

280-1478

SELF-TAP SCREW,HWH, 1/4-14 x 1/2"

SCREW - self-tapping, hex washer head, 1/4-14 x 1/2 inch, if used

7шт.

13

275-14716

SELF-TAP SCREW,Hex Hd, 1/4" x 1"

SCREW - hex, self-tapping, 1/4-14 x 1 inch, if used

1шт.

Выбрано товаров: 17