Запчасти Case IH 2055 (9E-32) - COMPRESSOR MOUNTING AND PULLEY (10) - CAB & AIR CONDITIONING

Схема запчастей Case IH 2055 - (9E-32) - COMPRESSOR MOUNTING AND PULLEY (10) - CAB & AIR CONDITIONING
23
23
7
1
20
22
8
4
14
22
18
10
14
9
21
3
15
13
22
21
12
11
FIT
1:1
100%

Артикул

Название

Примечание

Количество

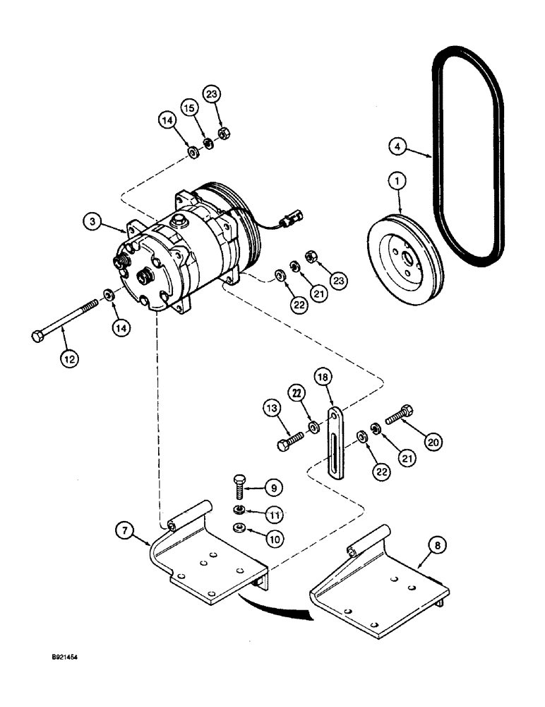
1

A189155

PULLEY

PULLEY - compressor drive

1шт.

3

1977959C1

COMPRESSOR

COMPRESSOR ASSEMBLY - air conditioning, parts list page 9E-34

1шт.

3

1977959C1R

REMAN-A/C COMPRESSOR

2055 CASE IH COTTON EXPRESS COTTON PICKER, COMPRESSOR ASSEMBLY (4/93-)

1шт.

3

1977959C1C

CORE-A/C COMPRESSOR

Return Number

1шт.

4

1250587C1

V-BELT,0.50" W

1шт.

The part number is shown on the compressor drive belt.

1шт.

4

131403C1

V-BELT,0.50" W x 38.50" L

Drive, Compressor

1шт.

The part number is shown on the compressor drive belt.

1шт.

7

A189290

SUPPORT

SUPPORT - compressor mounting, if used

1шт.

8

84715C1

BRACKET

SUPPORT - compressor mounting, if used

1шт.

9

614-10030

BOLT,Hex, M10 x 1.5 x 30mm, Cl 8.8, Full Thd

BOLT, , Full Thd, If used Hex, M10 x 30, 8.8

4шт.

9

614-10025

BOLT,Hex, M10 x 1.5 x 25mm, Cl 8.8

BOLT, , If Used Hex, M10 x 25, 8.8, Full Thd

4шт.

10

895-15010

WASHER,11mm ID x 24mm OD x 2mm Thk

WASHER, , If Used M11 x 24 x 2

4шт.

10

896-12010

WASHER,11mm ID x 21mm OD x 2.5mm Thk

WASHER - flat, 11 x 21 x 2.5 mm, hardened, if used

4шт.

11

892-11010

LOCK WASHER,M10

LOCK WASHER, M10

4шт.

12

814-10130

BOLT,Hex, M10 x 1.5 x 130mm, Cl 8.8

BOLT - hex, 10 - 1.5 x 130 mm

1шт.

13

614-10035

BOLT,Hex, M10 x 1.5 x 35mm, Cl 8.8, Full Thd

BOLT - hex, full threads, 10 - 1.5 x 35 mm

1шт.

14

895-15010

WASHER,11mm ID x 24mm OD x 2mm Thk

WASHER, M11 x 24 x 2

2шт.

15

892-11010

LOCK WASHER,M10

LOCK WASHER, M10

1шт.

18

84716C1

SUPPORT

STRAP - adjusting, compressor

1шт.

20

614-10035

BOLT,Hex, M10 x 1.5 x 35mm, Cl 8.8, Full Thd

BOLT - hex, full threads, 10 - 1.5 x 35 mm

1шт.

21

892-11010

LOCK WASHER,M10

LOCK WASHER, , If used M10

2шт.

22

896-12010

WASHER,11mm ID x 21mm OD x 2.5mm Thk

WASHER - flat, 11 x 21 x 2.5 mm, hardened

3шт.

23

832-41310

NUT,M10 x 1.5, Cl 10

NUT - hex, self-locking, 10 mm - 1.5, class 10

2шт.

Выбрано товаров: 24